GM Service Manual Online
For 1990-2009 cars only
Makes
🢒
Cadillac
🢒
2006
🢒
DTS
🢒 Engine Cooling Schematics
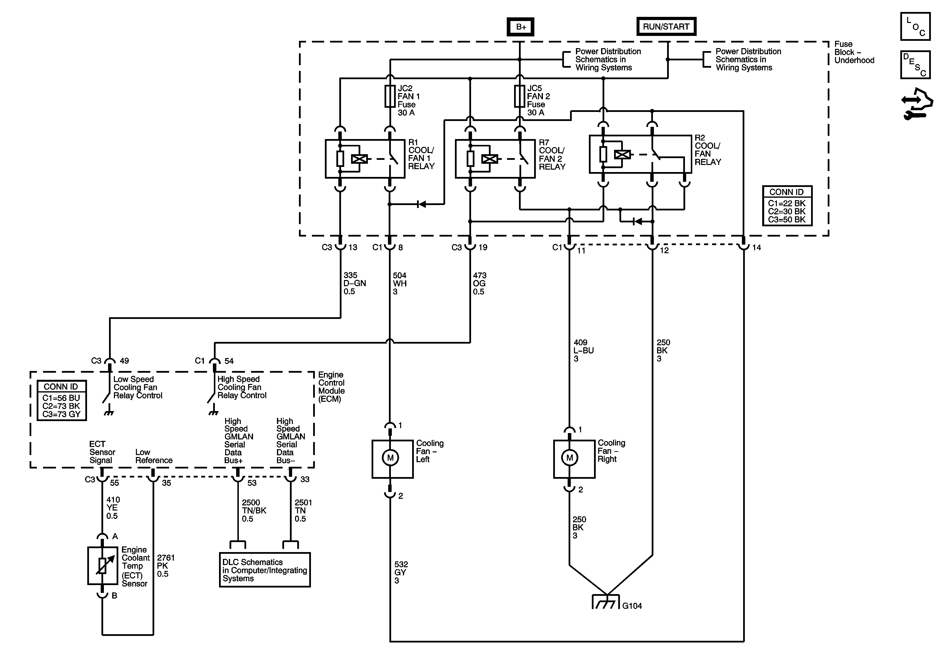
Engine Cooling Schematics
Master Electrical Component List
Cooling System Description and Operation
Control Module References
Underhood Fuse Block B+ Bus
Underhood Fuse Block B+ Bus
DLC High Speed Serial Data
G104