GM Service Manual Online
For 1990-2009 cars only
Makes
🢒
Cadillac
🢒
2006
🢒
DTS
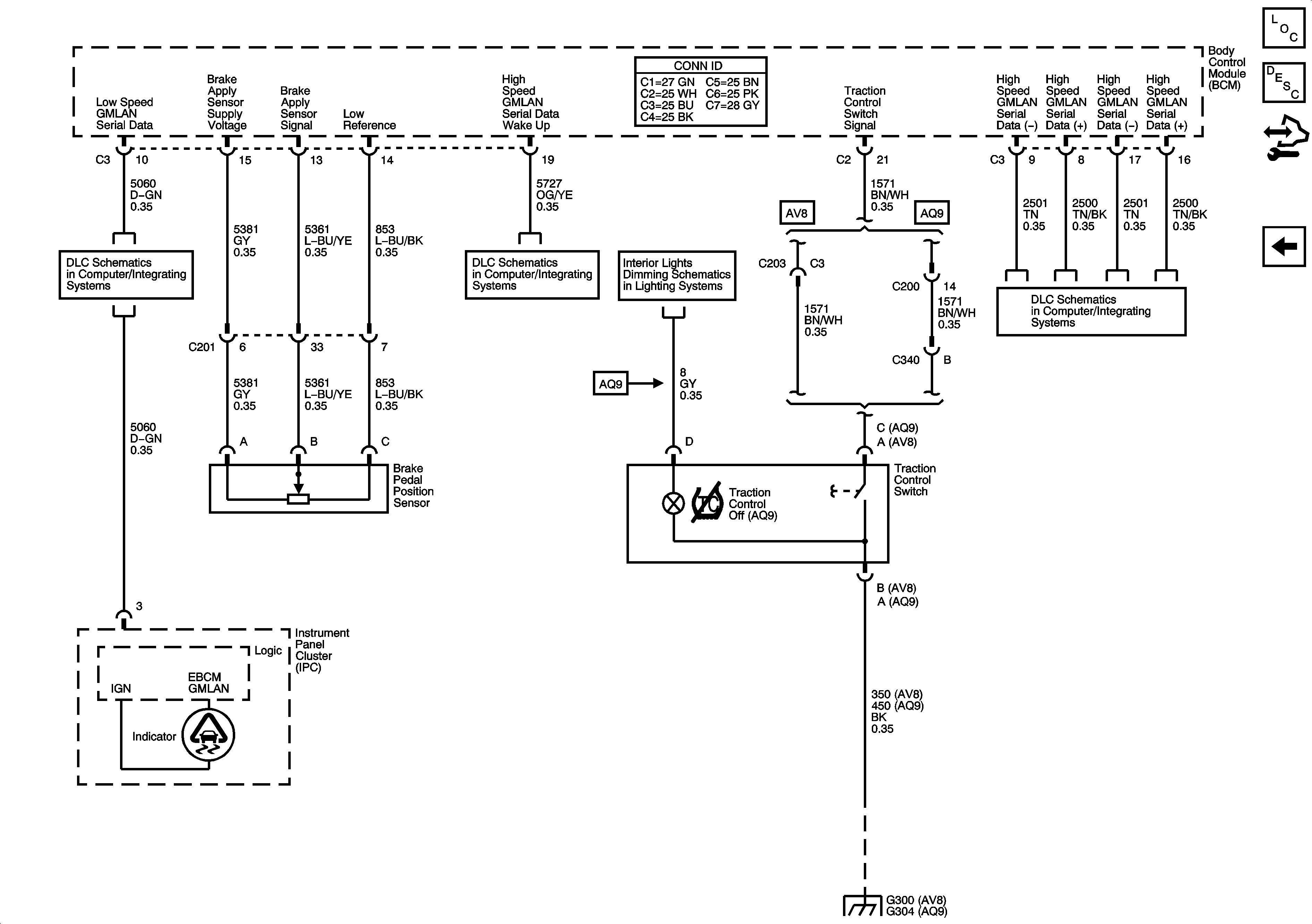
🢒 Brake Pedal Position, Traction Control Switch, Data Link Communications
Brake Pedal Position, Traction Control Switch, Data Link Communications
Brake Pedal Position, Traction Control Switch, Data Link Communications
Master Electrical Component List
ABS Description and Operation
Control Module References
Yaw and Lateral Acceleration, Steering Angle Sensor
DLC Power, Ground, and Low Speed GMLAN
DLC Power, Ground, and Low Speed GMLAN
Window, Traction Control, Sun Shade, Sunroof Switches, Reverse Lockout Solenoid, Garage Door Opener, Rear Compartment Courtesy Lamp
DLC High Speed Serial Data
G300