GM Service Manual Online
For 1990-2009 cars only
Makes
🢒
Cadillac
🢒
2006
🢒
DTS
🢒 Seatbelt Schematics
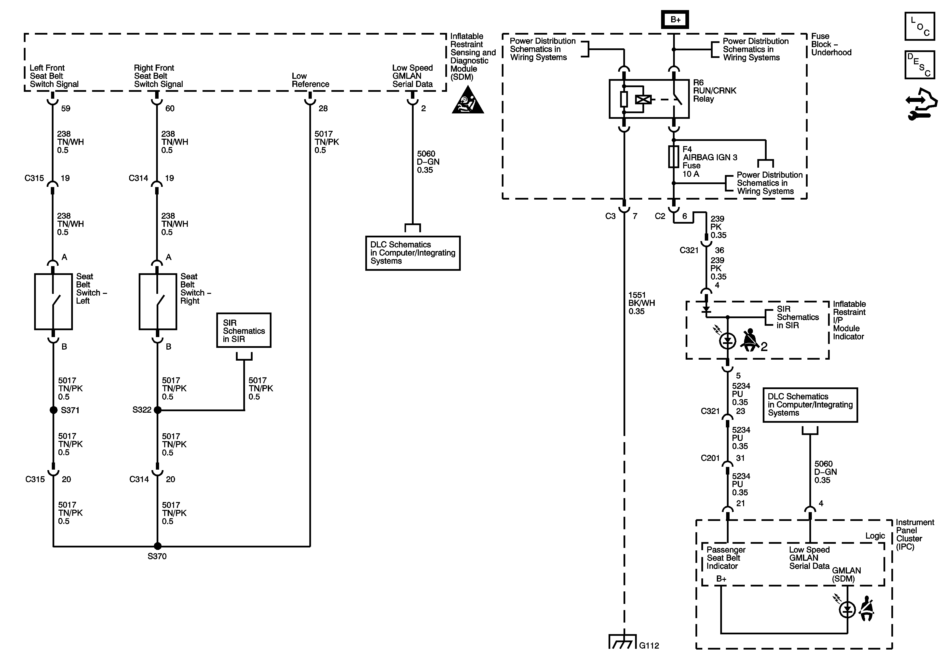
Seatbelt Schematics
Master Electrical Component List
Seat Belt System Description and Operation
Control Module References
Seat Belt Schematic Icons
DLC Power, Ground, and Low Speed GMLAN
DLC Power, Ground, and Low Speed GMLAN
Right Side Impact Sensor and Module, Roof Rail Module, I/P Module, Pretensioner
Passenger Presence System (PPS)
Underhood Fuse Block B+ Bus
Underhood Fuse Block - RUN/CRANK Relay, TRANS IGN 3, AIRBAG IGN 3, HVAC/IPC, ECM IGN 3 Fuses
Underhood Fuse Block - RUN/CRANK Relay, TRANS IGN 3, AIRBAG IGN 3, HVAC/IPC, ECM IGN 3 Fuses
G100, G112