GM Service Manual Online
For 1990-2009 cars only
Makes
🢒
Cadillac
🢒
2006
🢒
DTS
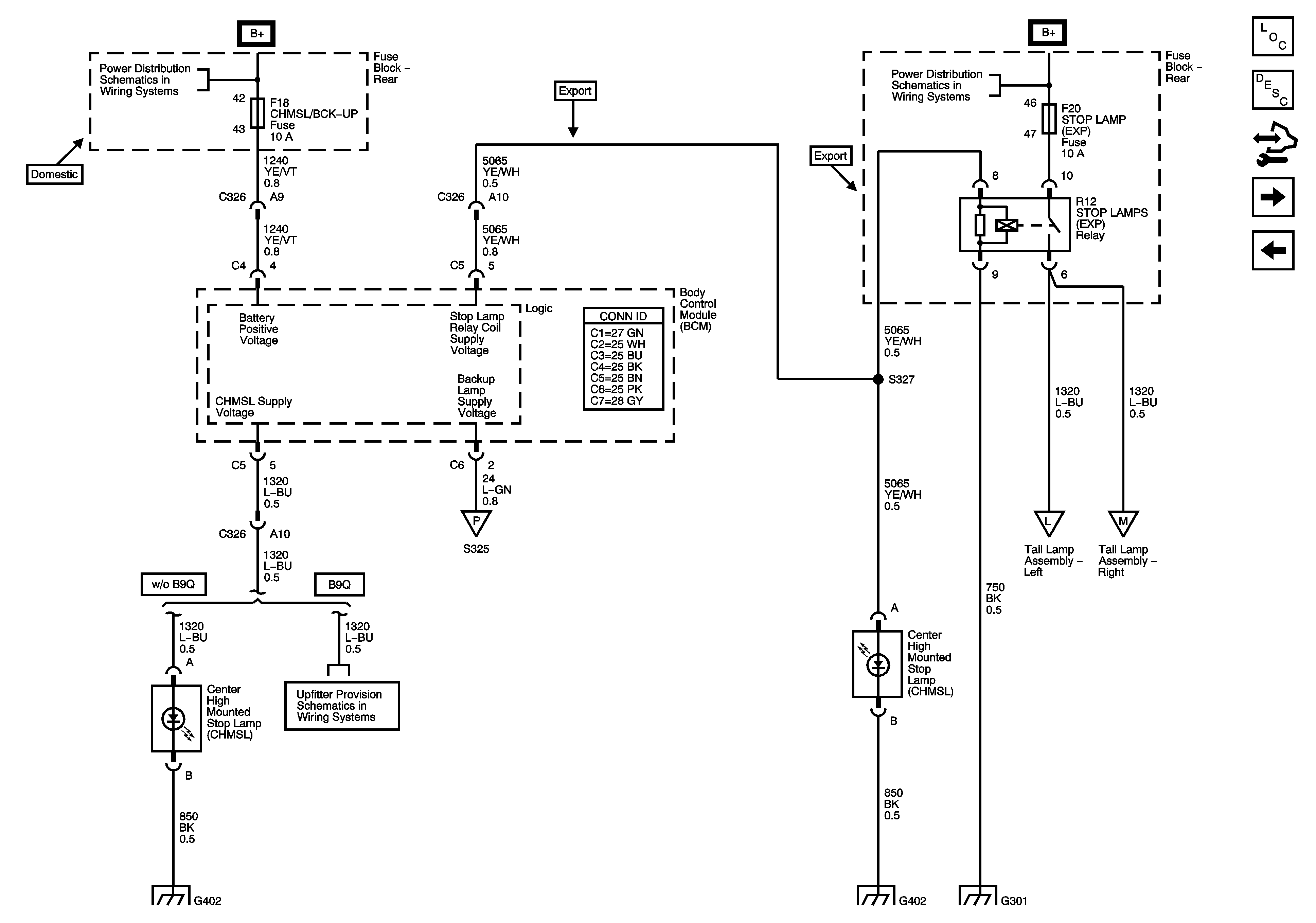
🢒 Center High Mounted Stop Lamp
Center High Mounted Stop Lamp
Center High Mounted Stop Lamp
Master Electrical Component List
Exterior Lighting Systems Description and Operation
Control Module References
Backup Lamps
Stop/Rear Turn Signal Lamps
Rear Fuse Block B+ Bus
Backup Lamps
Upfitter Provisions, Rear Door Latch (B9Q)
G402
Rear Fuse Block B+ Bus
Stop/Rear Turn Signal Lamps
Stop/Rear Turn Signal Lamps
G402
G301