GM Service Manual Online
For 1990-2009 cars only

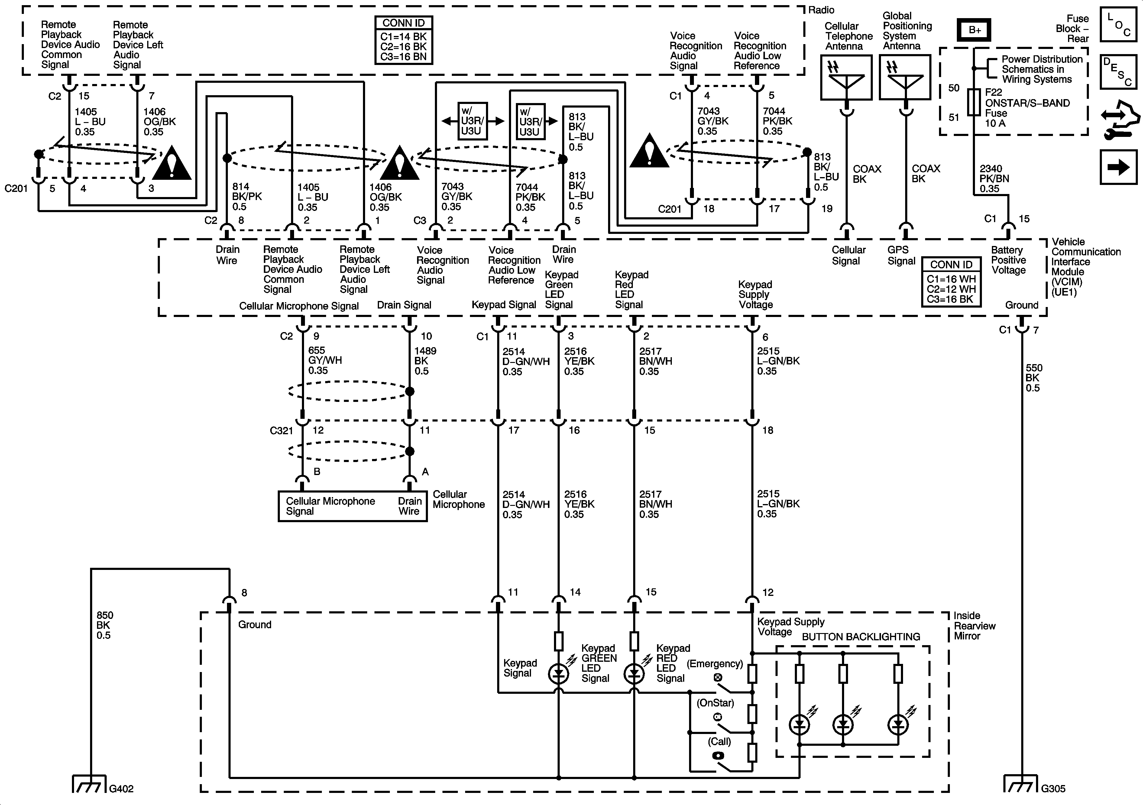
UE1

OnStar - UE1


Object Number: 1615611  Size: FS
Master Electrical Component List
OnStar Description and Operation
Control Module References
Data Link Communications
Rear Fuse Block B+ Bus
G305
DLC Power, Ground, and Low Speed GMLAN
G402
Cellular Communication Schematic Icons
Cellular Communication Schematic Icons
Cellular Communication Schematic Icons