GM Service Manual Online
For 1990-2009 cars only
Makes
🢒
Cadillac
🢒
2006
🢒
DTS
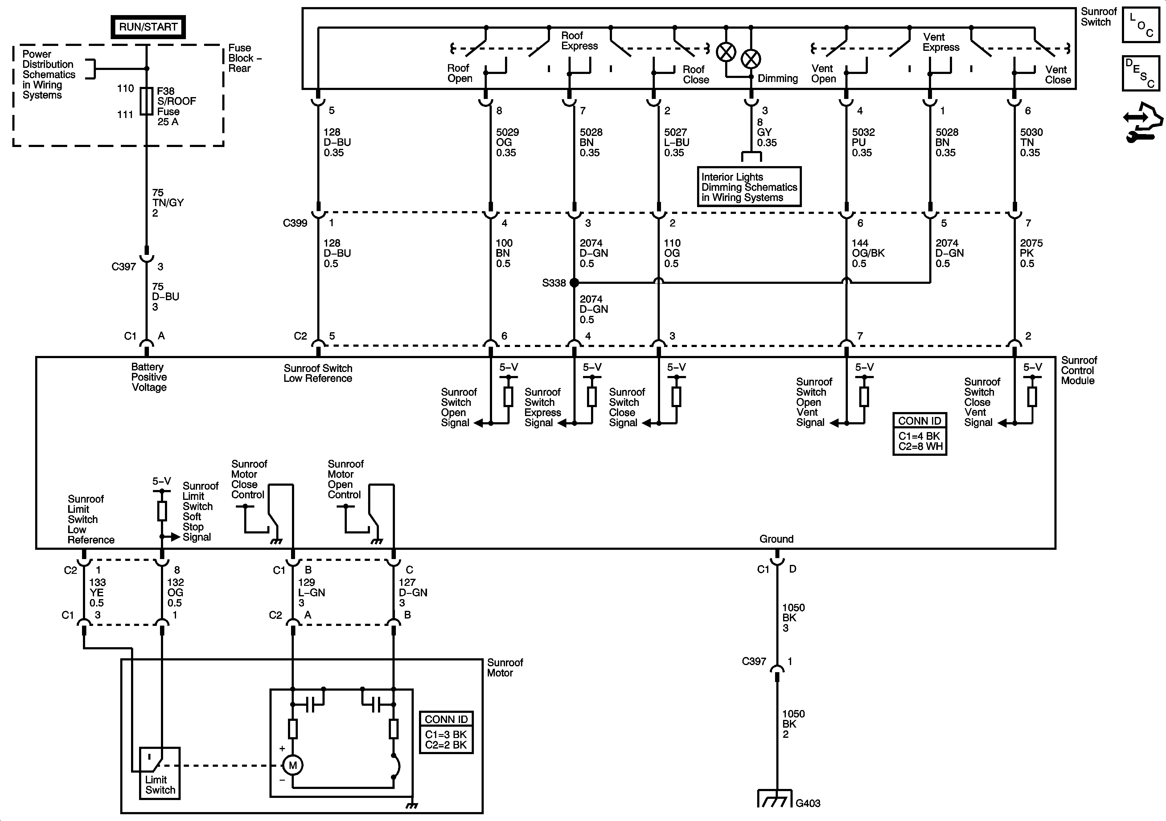
🢒 Sunroof with CF5
Sunroof with CF5
Sunroof - With CF5
Master Electrical Component List
Sunroof Description and Operation
Control Module References
Underhood Fuse Block B+ Bus
Window, Traction Control, Sun Shade, Sunroof Switches, Reverse Lockout Solenoid, Garage Door Opener, Rear Compartment Courtesy Lamp
G403