GM Service Manual Online
For 1990-2009 cars only
Makes
🢒
Cadillac
🢒
2006
🢒
DTS
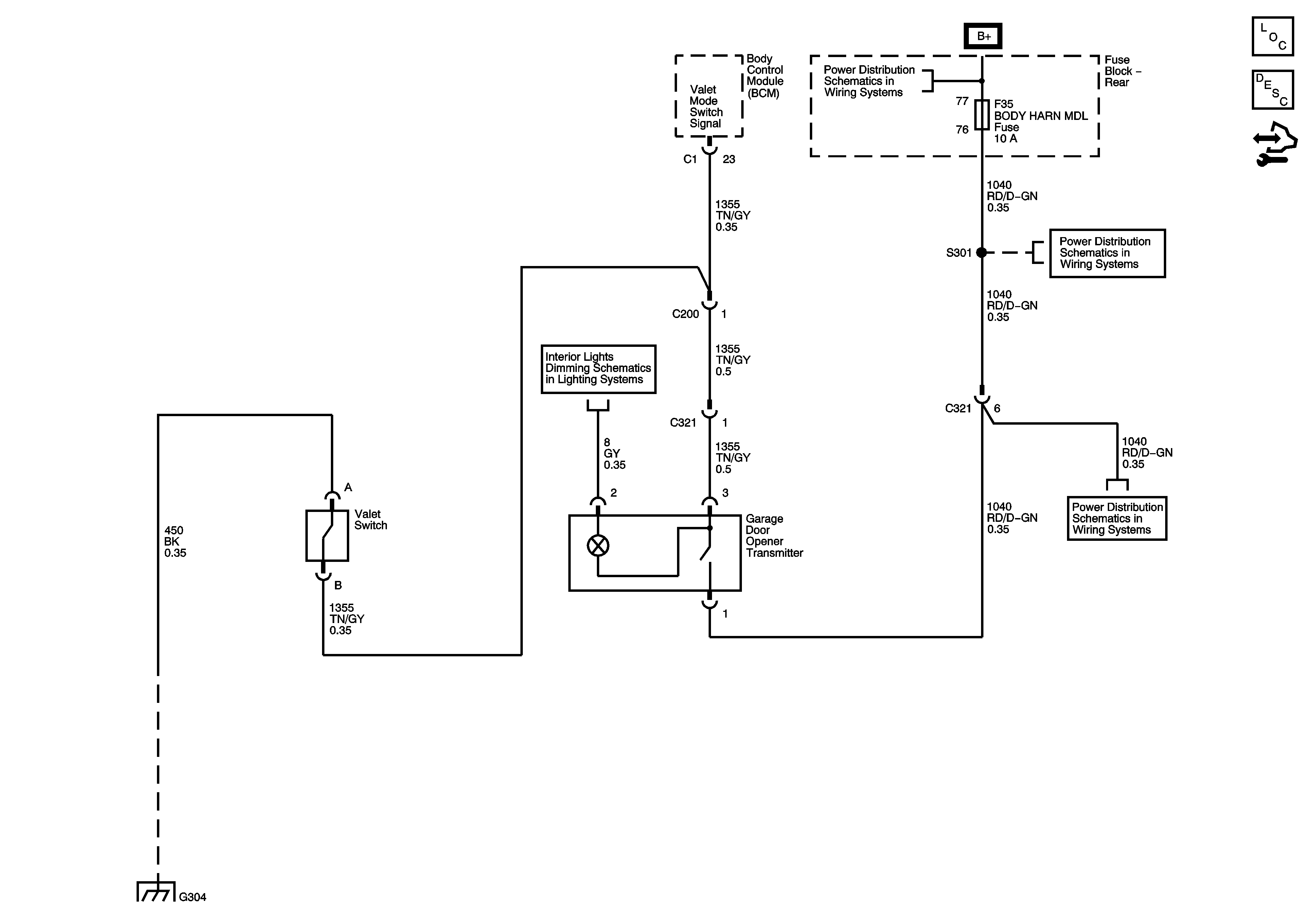
🢒 Garage Door Opener Schematic
Garage Door Opener Schematic
Garage Door Opener
Master Electrical Component List
Garage Door Opener Description and Operation
Control Module References
Rear Fuse Block B+ Bus
Rear Fuse Block - AIRBAG, OBJ SNSR, ONSTAR/S-BAND, BODY HARN MDL Fuses
Window, Traction Control, Sun Shade, Sunroof Switches, Reverse Lockout Solenoid, Garage Door Opener, Rear Compartment Courtesy Lamp
Rear Fuse Block - AIRBAG, OBJ SNSR, ONSTAR/S-BAND, BODY HARN MDL Fuses
G304