GM Service Manual Online
For 1990-2009 cars only
Makes
🢒
Cadillac
🢒
2007
🢒
DTS
🢒
Suspension
🢒
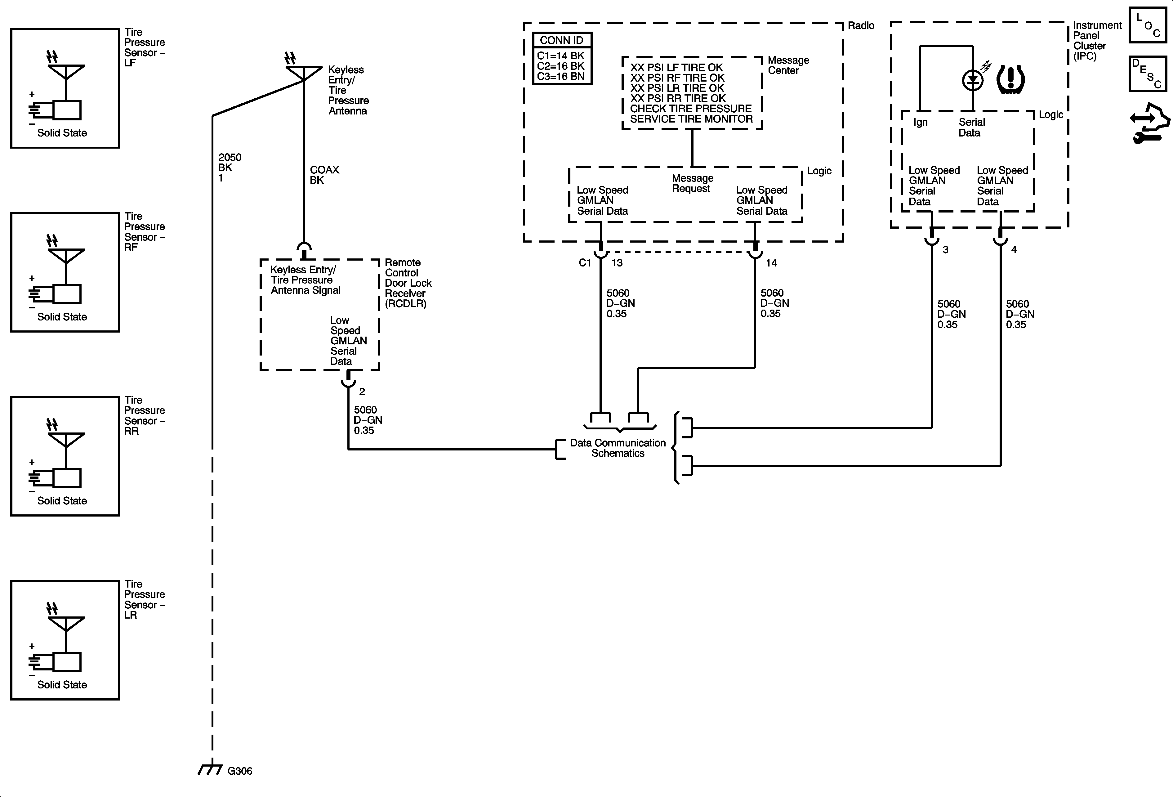
Tire Pressure Monitoring
🢒 Tire Pressure Monitoring System Schematics
Master Electrical Component List
Tire Pressure Monitor Description and Operation (UJ6)
Control Module References
G101, G110, G111, G114, G115, G302, G303, G306, G307
Power, Ground and Low Speed GMLAN