GM Service Manual Online
For 1990-2009 cars only
Makes
🢒
Cadillac
🢒
2007
🢒
DTS
🢒
Body Systems
🢒
Horns
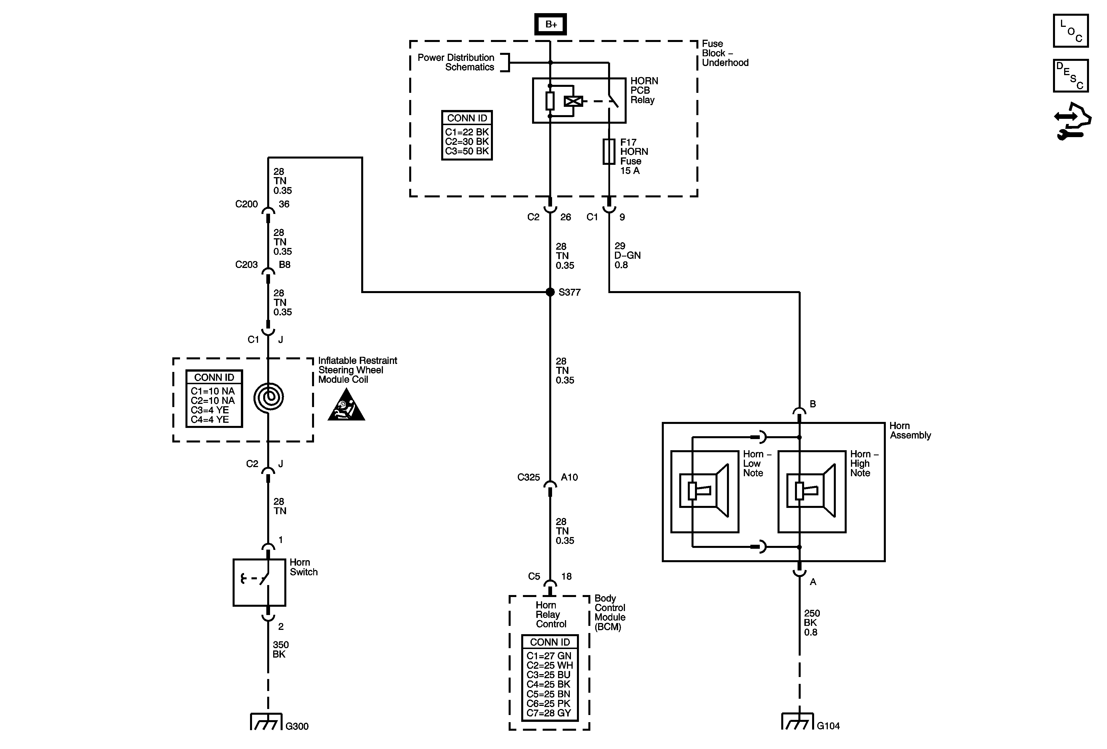
🢒 Horn Schematics
Horns System Description and Operation
Underhood Fuse Block B+
Horn Schematic Icons
G300
G104