GM Service Manual Online
For 1990-2009 cars only
Makes
🢒
Cadillac
🢒
2007
🢒
DTS
🢒
Body Systems
🢒
Mirrors
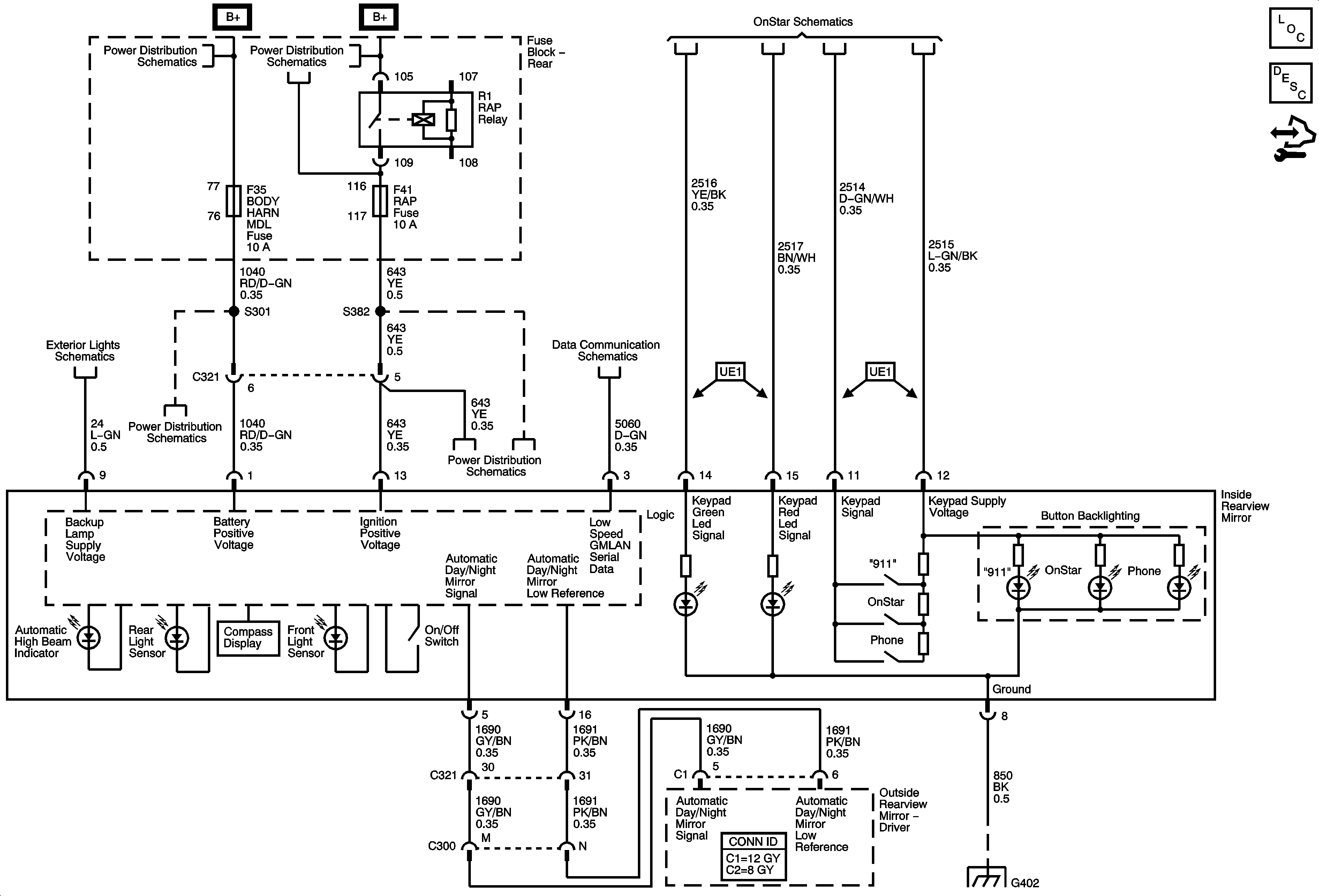
🢒 Inside Rearview Mirror Schematics
Automatic Day-Night Mirror Description and Operation
Rear Fuse Block B+
Rear Fuse Block B+
Power, Ground and Low Speed GMLAN
UE1
Backup Lamps
Rear Fuse Block - AIRBAG, OBJ SNSR, ONSTAR/S-BAND, BODY HARN MDL Fuses
Rear Fuse Block - RAP Relay, CTSY/RF TRN, S/ROOF, SHFTR SOL, RAP, REAR SEAT LUM Fuses
G402