GM Service Manual Online
For 1990-2009 cars only
Figure 1:

Indicators, Power, Ground, Front End Sensors


Object Number: 1758896  Size: FS
Master Electrical Component List
SIR System Description and Operation
Control Module References
Left Side Impact Sensor and Module, Roof Rail Module, Steering Module, Pretensioner
RUN/CRANK Relay, TRANS IGN 3, AIRBAG IGN 3, HVAC/IPC, ECM IGN 3 Fuses
Underhood Fuse Block B+
RUN/CRANK Relay, TRANS IGN 3, AIRBAG IGN 3, HVAC/IPC, ECM IGN 3 Fuses
Rear Fuse Block B+
Rear Fuse Block - AIRBAG, OBJ SNSR, ONSTAR/S-BAND, BODY HARN MDL Fuses
G100, G112
Power, Ground and Low Speed GMLAN
G101, G110, G111, G114, G115, G302, G303, G306, G307
SIR Schematic Icons
SIR Schematic Icons
SIR Schematic Icons
SIR Schematic Icons
SIR Schematic Icons
SIR Schematic Icons
SIR Schematic Icons
Figure 2:

Left Side Impact Sensor and Module, Roof Rail Module, Steering Module, Pretensioner


Object Number: 1758897  Size: FS
SIR System Description and Operation
Right Side Impact Sensor and Module, Roof Rail Module, I/P Module, Pretensioner
Indicators, Power, Ground, Front End Sensors
SIR Schematic Icons
Figure 3:

Right Side Impact Sensor and Module, Roof Rail Module, I/P Module, Pretensioner


Object Number: 1758902  Size: FS
Master Electrical Component List
SIR System Description and Operation
Control Module References
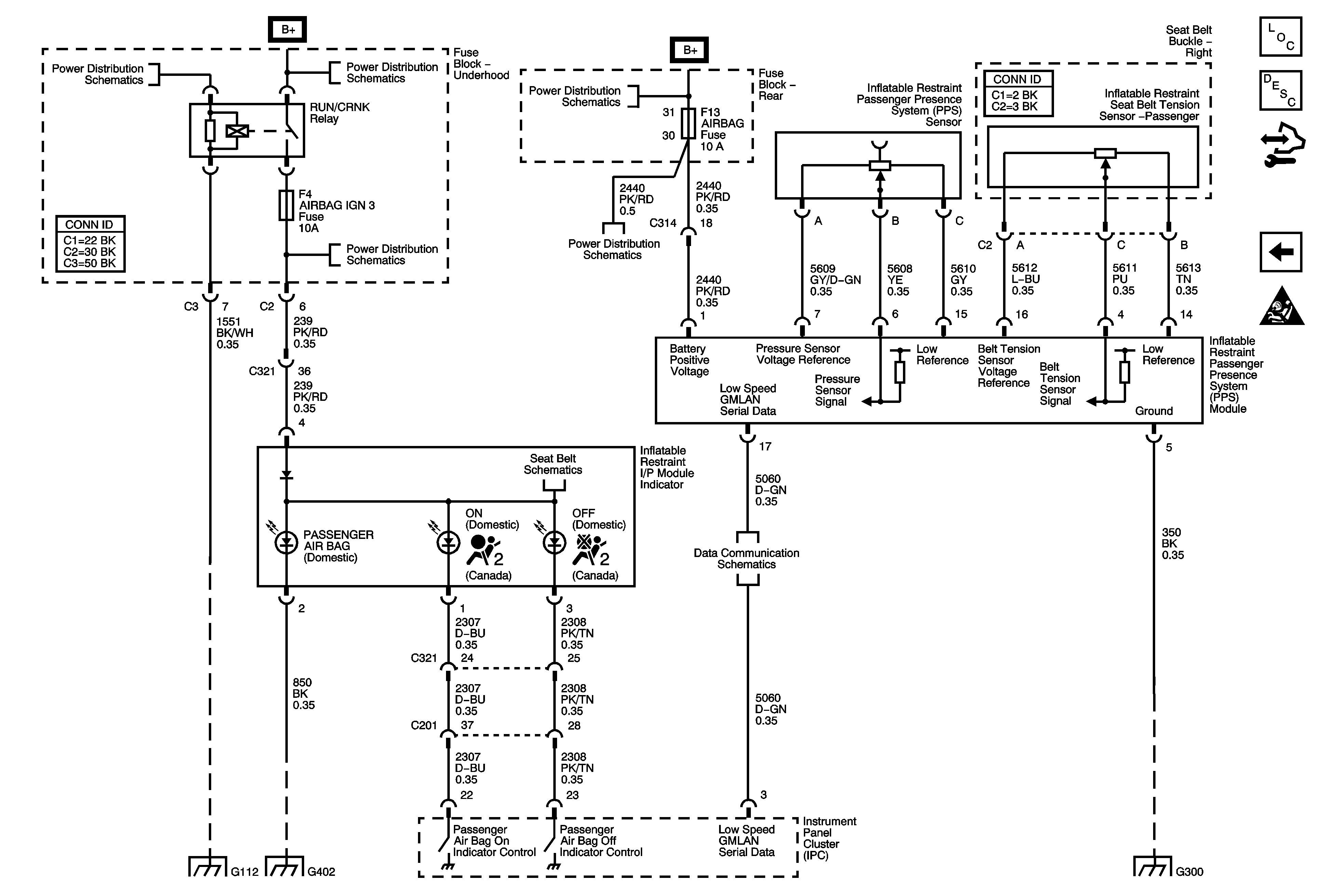
Passenger Presence System
Left Side Impact Sensor and Module, Roof Rail Module, Steering Module, Pretensioner
SIR Schematic Icons
SIR Schematic Icons
Seat Belt Schematics
Seat Belt Schematics
Figure 4:

Passenger Presence System (PPS)


Object Number: 1758904  Size: FS
SIR System Description and Operation
Right Side Impact Sensor and Module, Roof Rail Module, I/P Module, Pretensioner
SIR Schematic Icons
RUN/CRANK Relay, TRANS IGN 3, AIRBAG IGN 3, HVAC/IPC, ECM IGN 3 Fuses
Underhood Fuse Block B+
RUN/CRANK Relay, TRANS IGN 3, AIRBAG IGN 3, HVAC/IPC, ECM IGN 3 Fuses
Rear Fuse Block B+
Rear Fuse Block - AIRBAG, OBJ SNSR, ONSTAR/S-BAND, BODY HARN MDL Fuses
Power, Ground and Low Speed GMLAN
G100, G112
G402
G300