GM Service Manual Online
For 1990-2009 cars only
Makes
🢒
Cadillac
🢒
2007
🢒
DTS
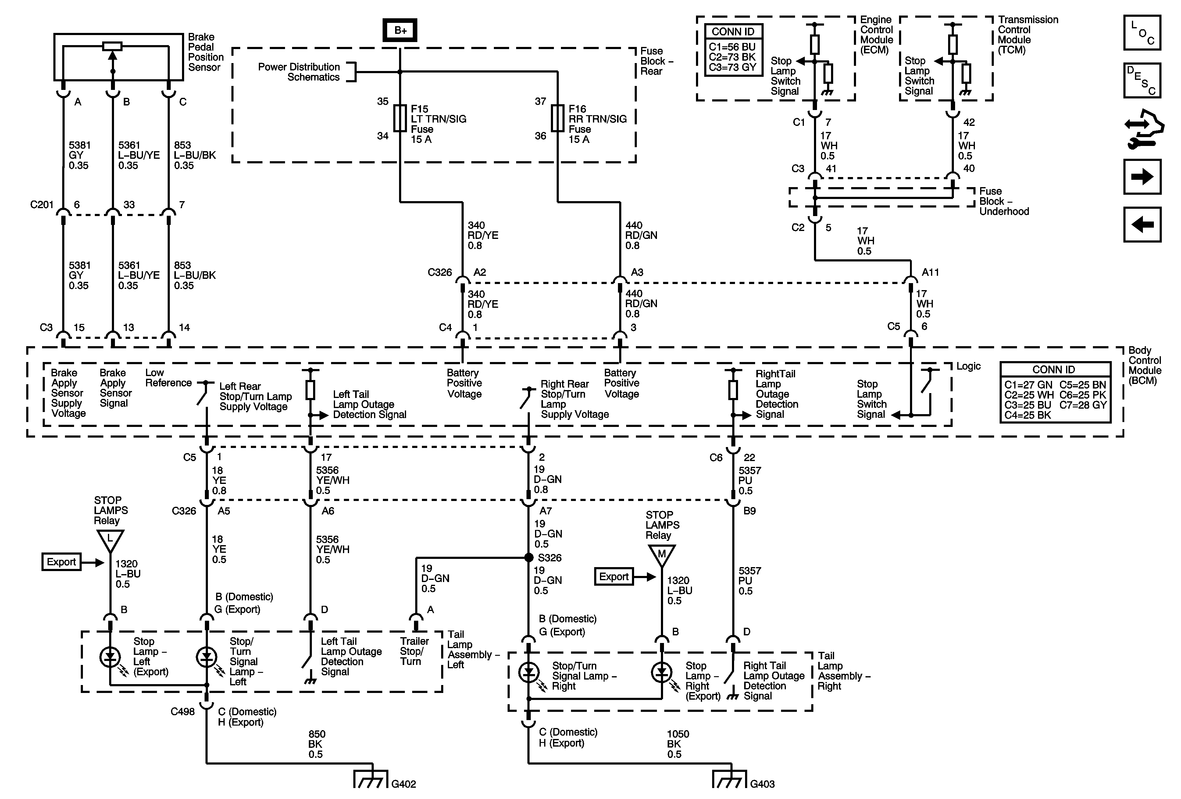
🢒 Stop/Rear Turn Signal Lamps
Stop/Rear Turn Signal Lamps
Stop/Rear Turn Signal Lamps
Exterior Lighting Systems Description and Operation
Center High-Mounted Stop Lamp
Cornering Lamps
Rear Fuse Block B+
Center High-Mounted Stop Lamp
G402
G403
Center High-Mounted Stop Lamp