GM Service Manual Online
For 1990-2009 cars only
Makes
🢒
Cadillac
🢒
2007
🢒
DTS
🢒 Sunroof w/ CF5
Sunroof w/ CF5
Sunroof - With CF5
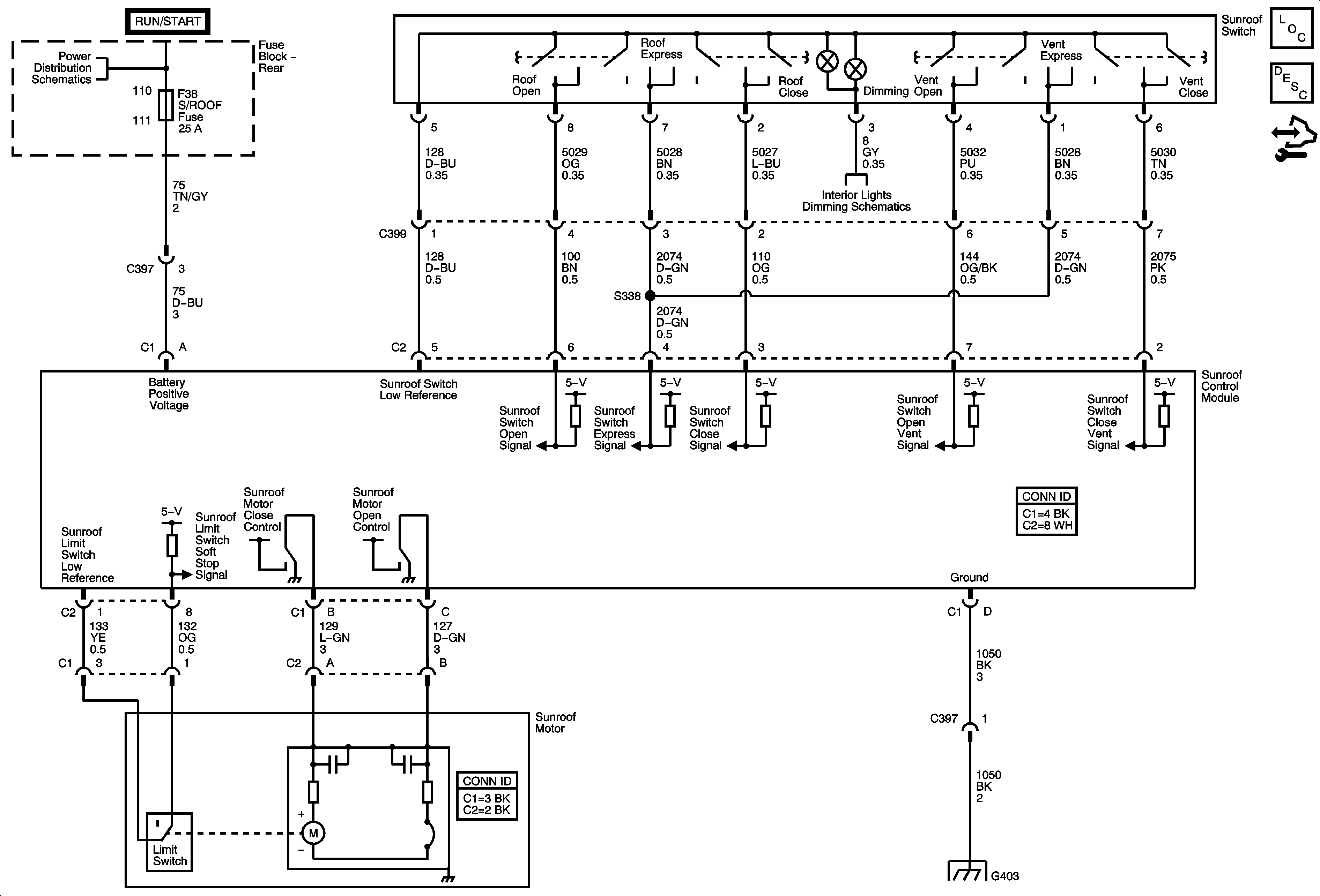
Sunroof Description and Operation
Rear Fuse Block B+
Window, Traction Control, Sun Shade, Sunroof Switches, Reverse Lockout Solenoid, Garage Door Opener, Rear Compartment Courtesy Lamp
G403