GM Service Manual Online
For 1990-2009 cars only
Makes
🢒
Cadillac
🢒
2007
🢒
DTS
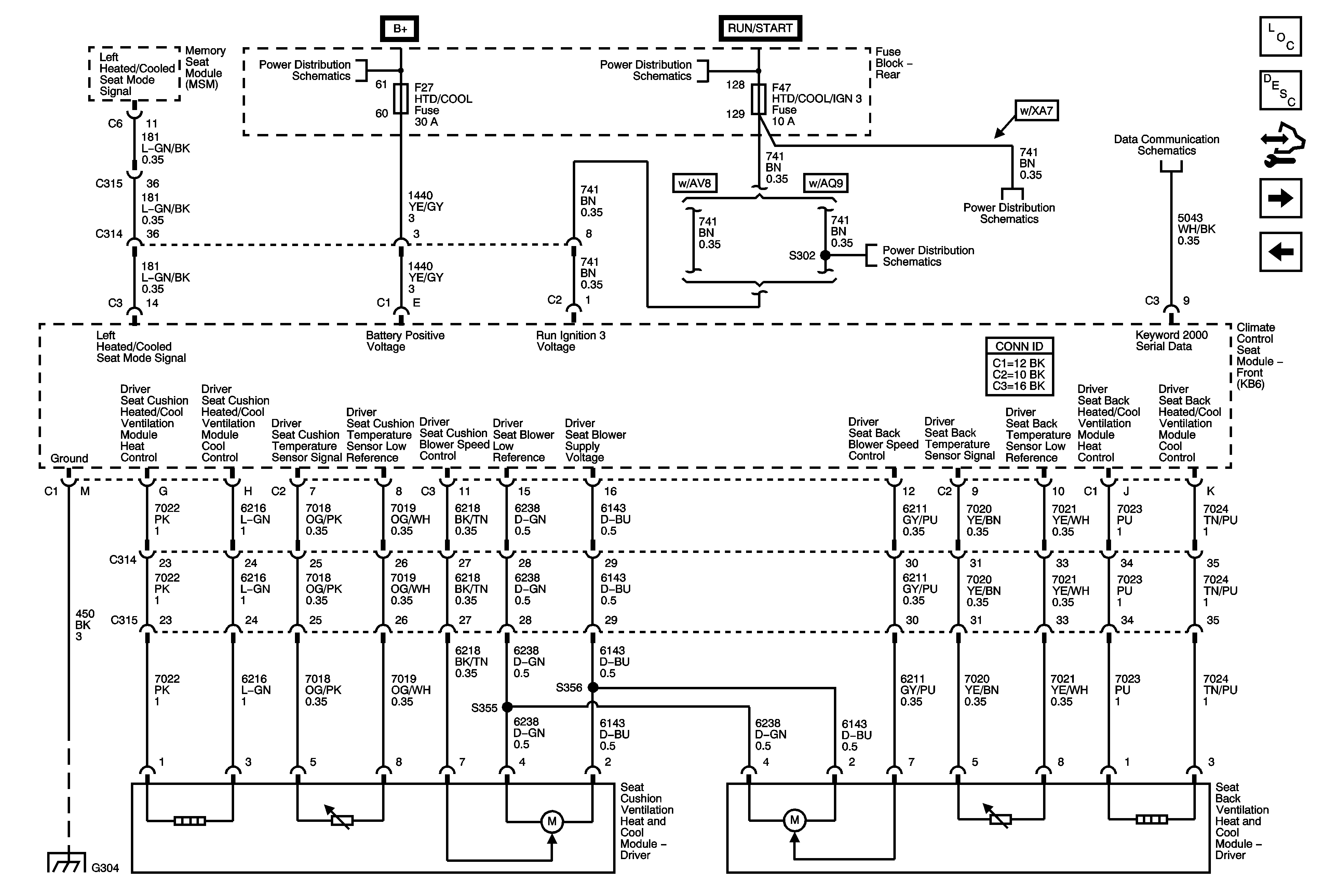
🢒 Driver Heated and Cooled Seat KB6
Driver Heated and Cooled Seat KB6
Driver Heated and Cooled Seat - KB6
Heated/Cooled Seats Description and Operation
Driver Heated and Cooled Seat Switch KA1 KB6
Driver Heated Seat KA1
Rear Fuse Block B+
G304