GM Service Manual Online
For 1990-2009 cars only
Makes
🢒
Cadillac
🢒
2007
🢒
DTS
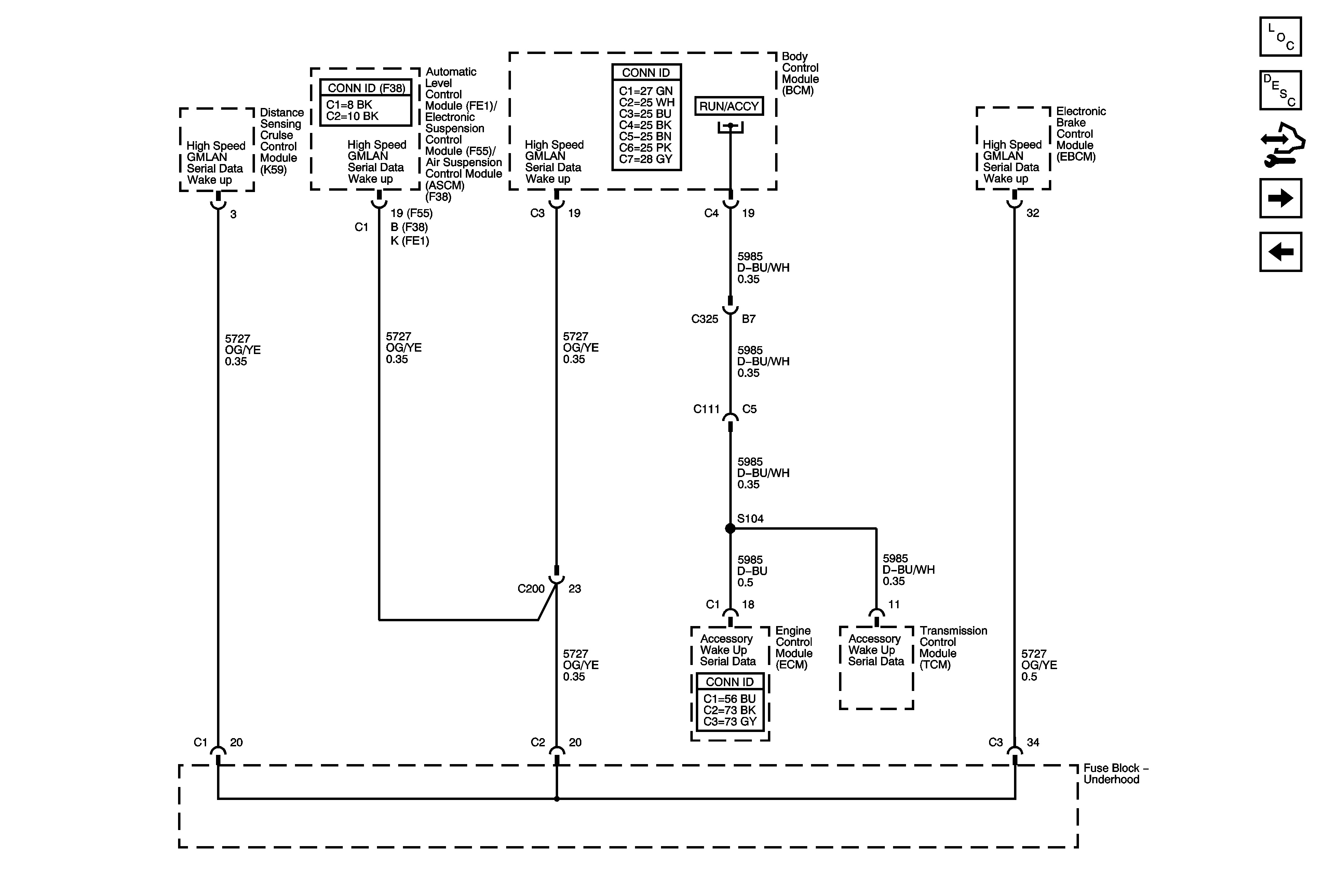
🢒 High Speed Serial Data, Wake Up
High Speed Serial Data, Wake Up
DLC High Speed Serial Data Wake Up
Data Link Communications Description and Operation
Local Interconnect Network (LIN)
High Speed Serial Data