GM Service Manual Online
For 1990-2009 cars only
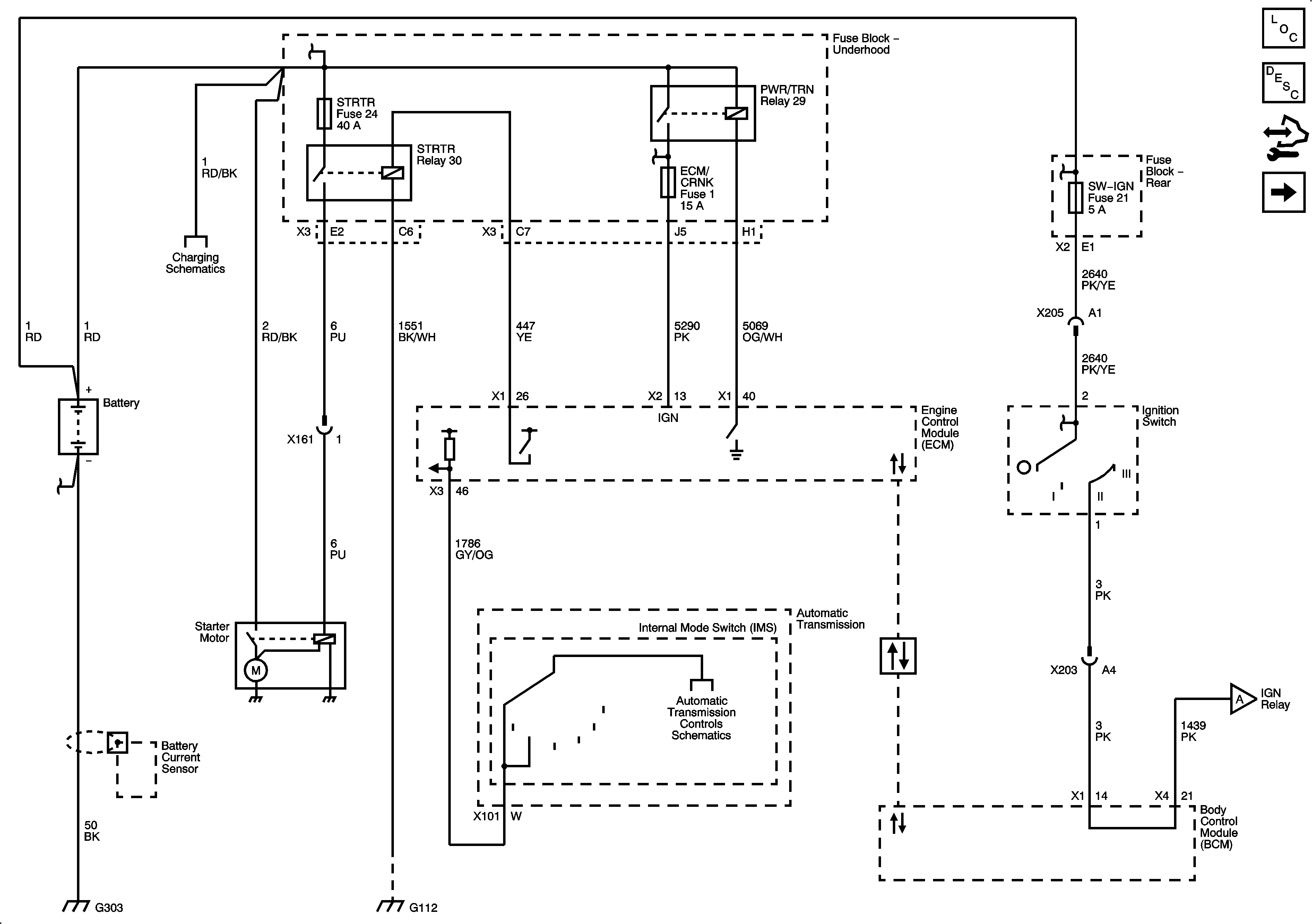
Figure 1:

Starting 1 of 2


Object Number: 1885207  Size: FS
Master Electrical Component List
Starting System Description and Operation
Control Module References
Starting 2 of 2
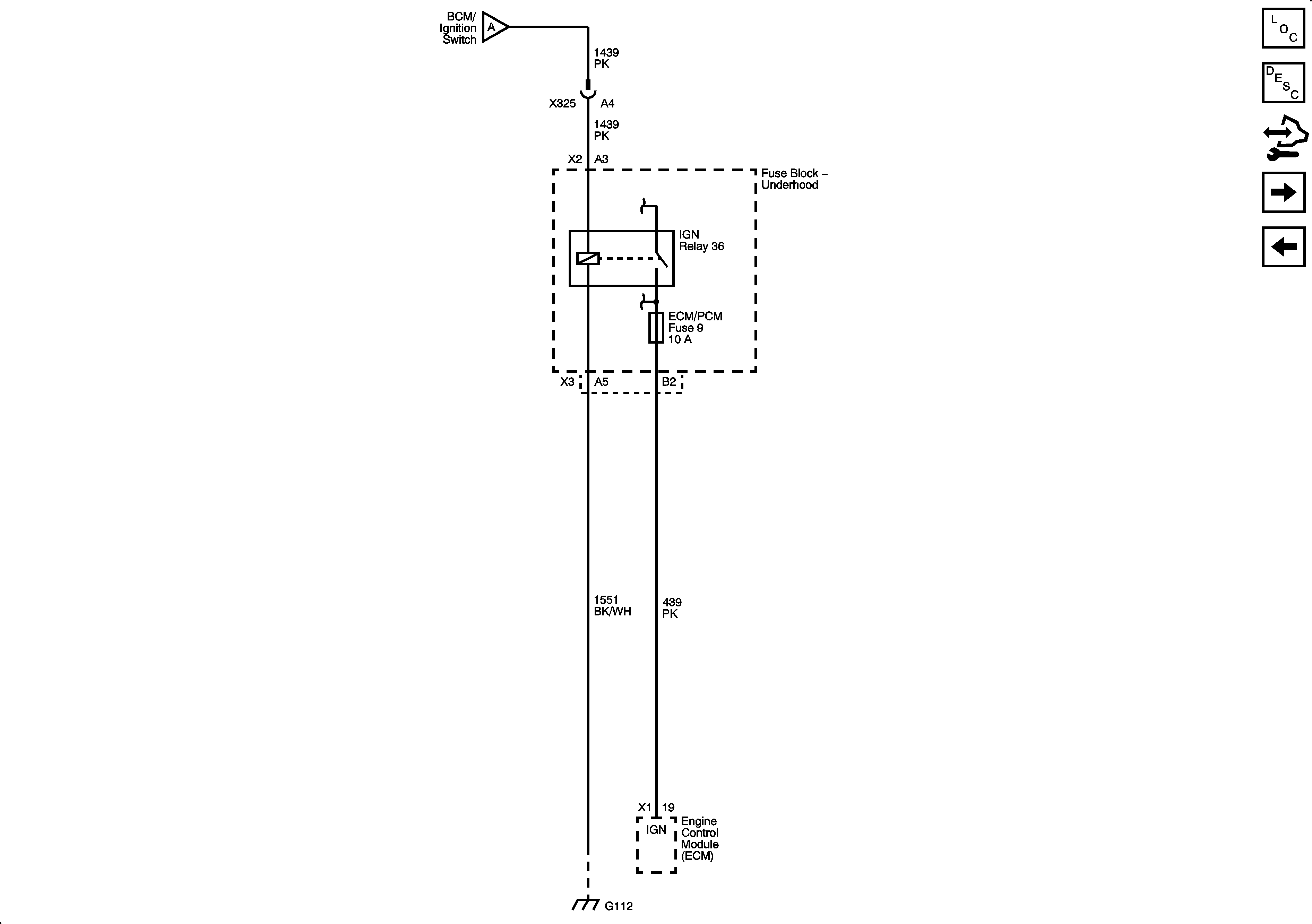
Figure 2:

Starting 2 of 2


Object Number: 1885209  Size: FS
Master Electrical Component List
Starting System Description and Operation
Control Module References
Starting 1 of 2
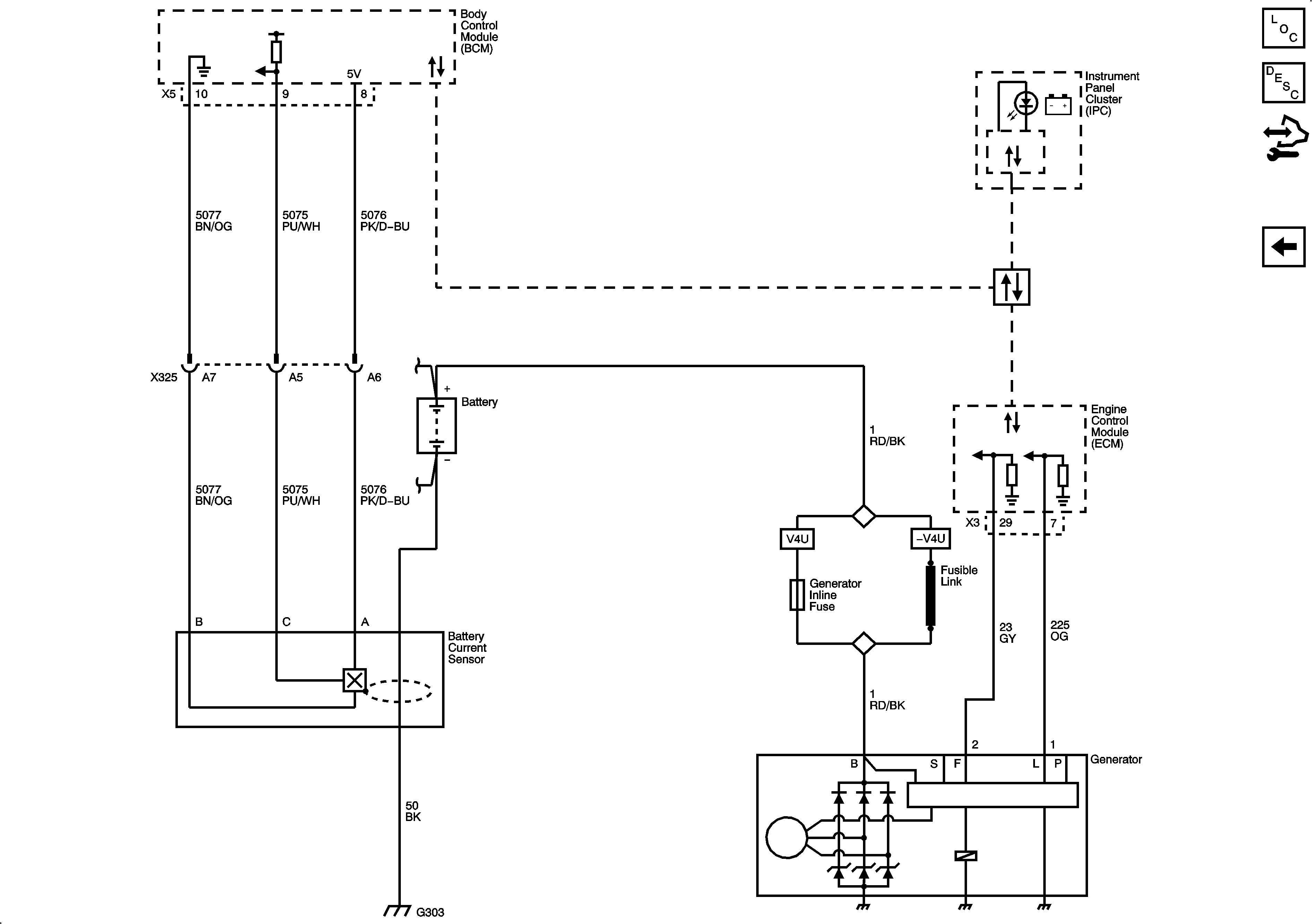
Charging
Figure 3:

Charging


Object Number: 1885211  Size: FS
Master Electrical Component List
Charging System Description and Operation
Control Module References
Starting 2 of 2