GM Service Manual Online
For 1990-2009 cars only
Figure 1:

Underhood Fuse Block B+ Bus


Object Number: 1885790  Size: FS
Master Electrical Component List
Control Module References
Rear Fuse Block B+
Figure 2:

Rear Fuse Block B+ Bus


Object Number: 1885794  Size: FS
Master Electrical Component List
Control Module References
Underhood Fuse Block B+
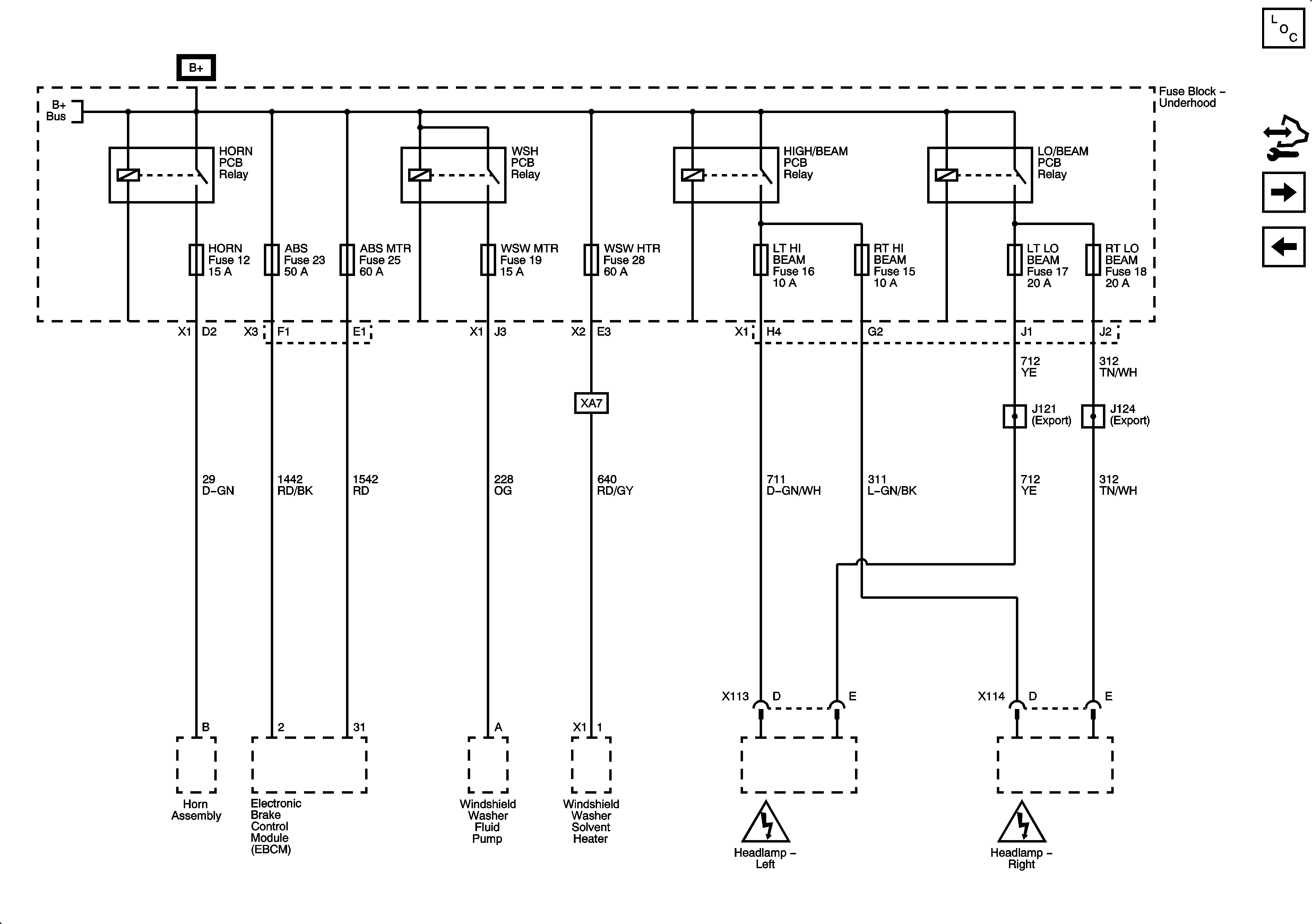
Underhood Fuse Block - HORN, WSH, HIGH/BEAM, LO/BEAM Relays, HORN, ABS 1, ABS 2, WSW/PUMP, WSW HTD, HI BEAM, LT LO BEAM, RT LO BEAM Fuses
Figure 3:

Underhood Fuse Block - HORN, WSH, HIGH/BEAM, LO/BEAM Relays, HORN, ABS 1, ABS 2, WSW/PUMP, WSW HTD, HI BEAM, LT LO BEAM, RT LO BEAM Fuses


Object Number: 1885798  Size: FS
Master Electrical Component List
Control Module References
Rear Fuse Block B+
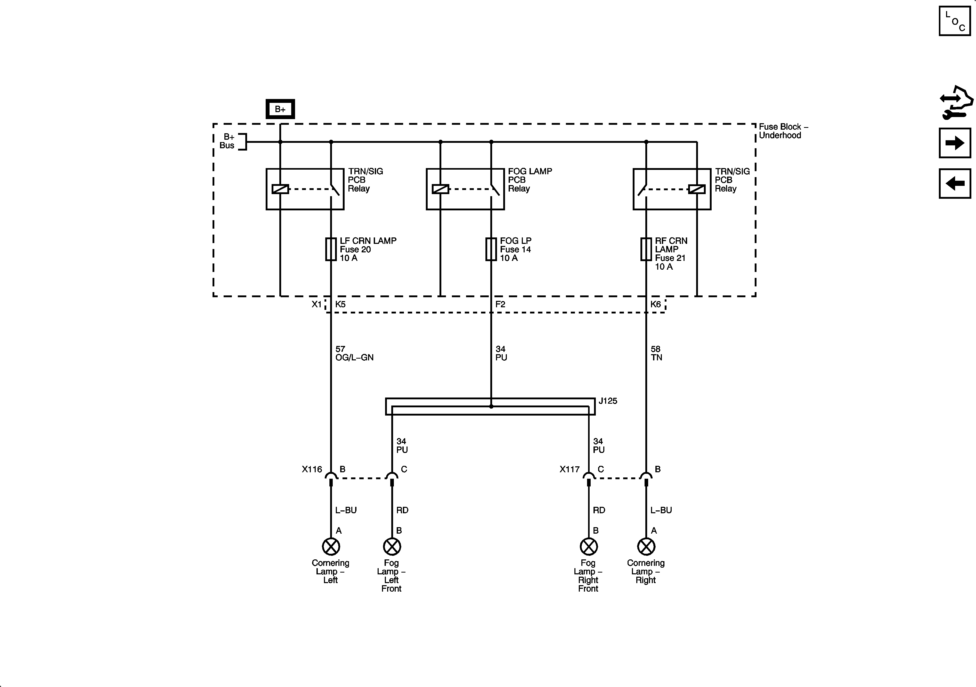
Underhood Fuse Block - TRN/SIG, FOG LAMP, TRN/SIG Relays, LT CRN LAMP, FOG, RT CRN LAMP Fuses
Figure 4:

Underhood Fuse Block - TRN/SIG, FOG LAMP, TRN/SIG Relays, LT CRN LAMP, FOG, RT CRN LAMP Fuses


Object Number: 1885801  Size: FS
Master Electrical Component List
Control Module References
Underhood Fuse Block - HORN, WSH, HIGH/BEAM, LO/BEAM Relays, HORN, ABS 1, ABS 2, WSW/PUMP, WSW HTD, HI BEAM, LT LO BEAM, RT LO BEAM Fuses
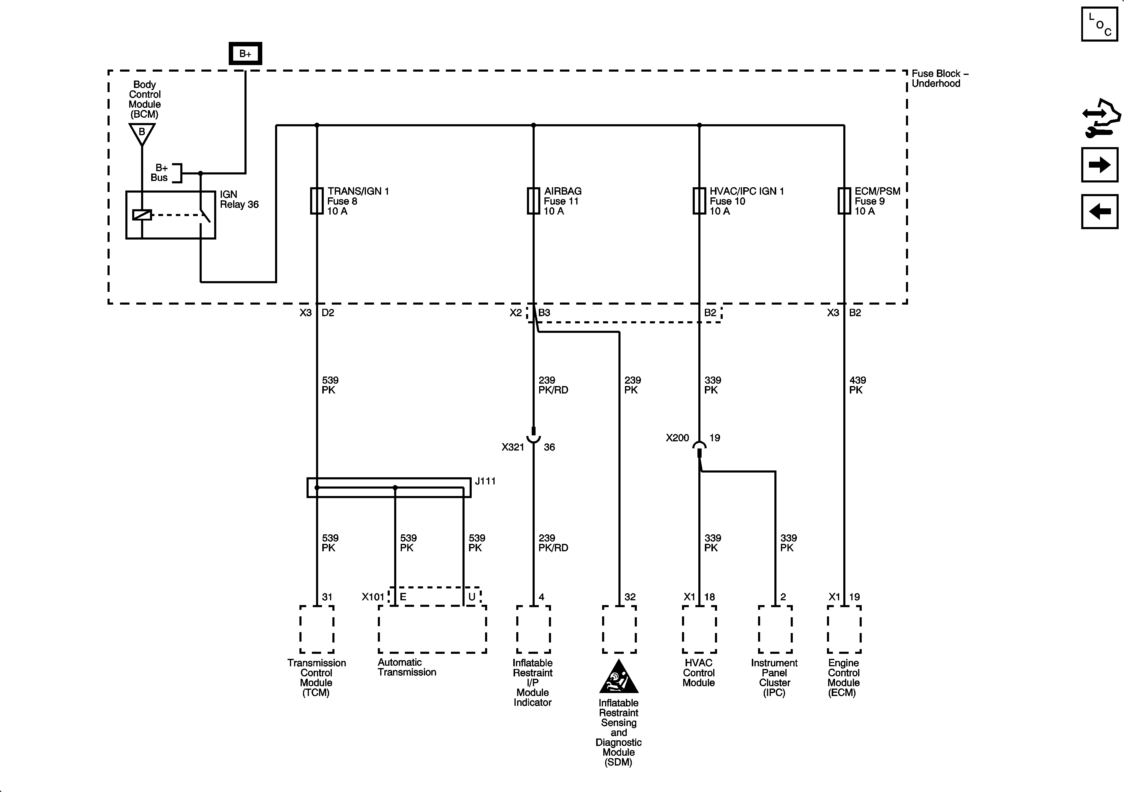
Underhood Fuse Block - RUN/CRANK Relay, TRANS IGN 3, AIRBAG IGN 3, HVAC/IPC , ECM IGN 3 Fuses
Figure 5:

Underhood Fuse Block - RUN/CRANK Relay, TRANS IGN 3, AIRBAG IGN 3, HVAC/IPC, ECM IGN 3 Fuses


Object Number: 1885808  Size: FS
Master Electrical Component List
Control Module References
Underhood Fuse Block - TRN/SIG, FOG LAMP, TRN/SIG Relays, LT CRN LAMP, FOG, RT CRN LAMP Fuses
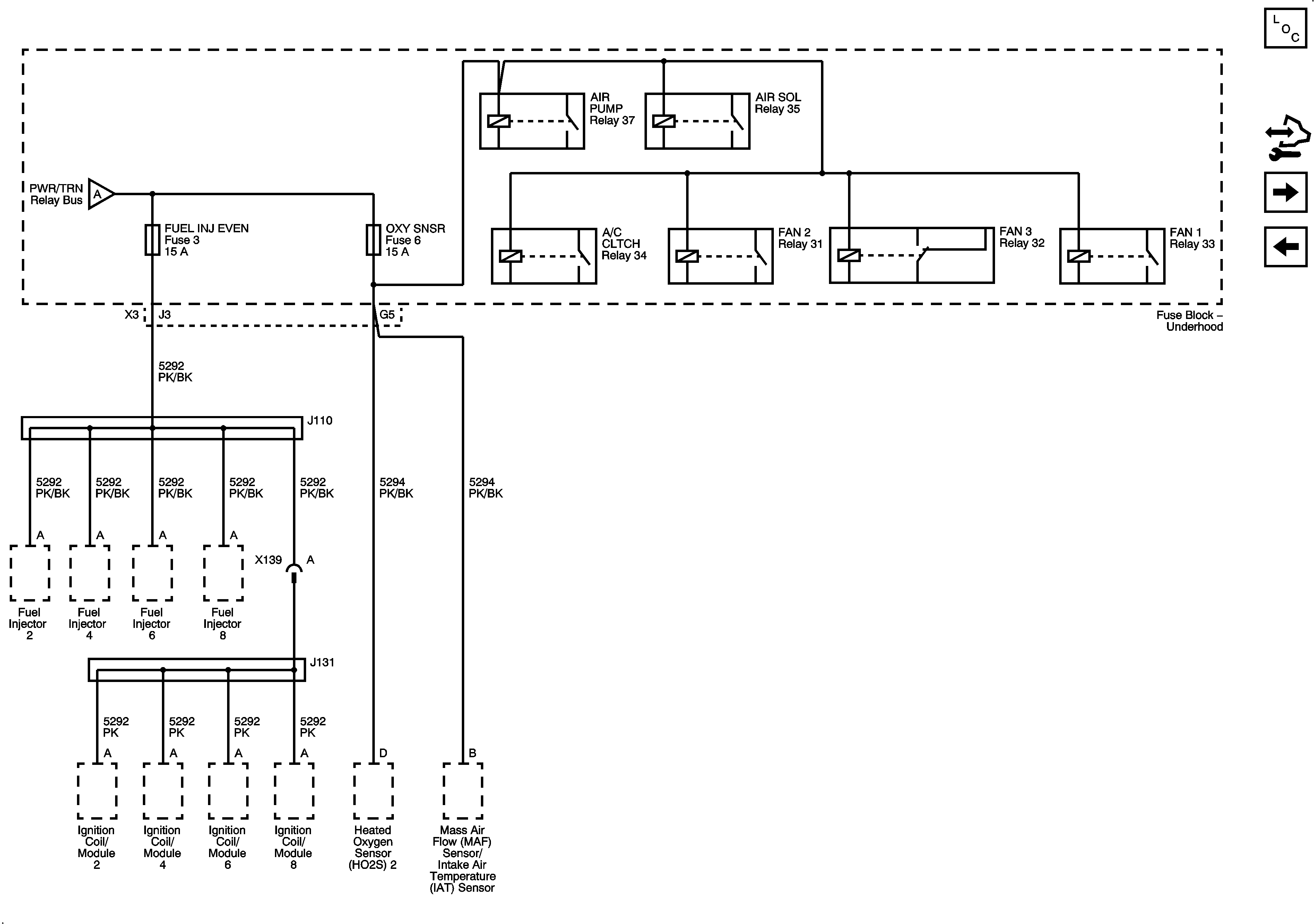
Underhood Fuse Block - PWR/TRAIN, AIR PUMP, AIR/SOL Relays, AIR PUMP, AIR/SOL, ECM/CRNK, INJ/COIL, PWR TRN Fuses
Figure 6:

Underhood Fuse Block - PWR/TRAIN, AIR PUMP, AIR/SOL Relays, AIR PUMP, AIR/SOL, ECM/CRNK, INJ/COIL, PWR TRN Fuses


Object Number: 1885812  Size: FS
Master Electrical Component List
Control Module References
Underhood Fuse Block - RUN/CRANK Relay, TRANS IGN 3, AIRBAG IGN 3, HVAC/IPC , ECM IGN 3 Fuses
Underhood Fuse Block - AIR PUMP, AIR/SOL, A/C, COOL/FAN 2, COOL/FAN, COOL FAN 1 Relays, INJ/COIL, OXY PST Fuses
Figure 7:

Underhood Fuse Block - AIR PUMP, AIR/SOL, A/C, COOL/FAN 2, COOL/FAN, COOL FAN 1 Relays, INJ/COIL, OXY PST Fuses


Object Number: 1885816  Size: FS
Master Electrical Component List
Control Module References
Underhood Fuse Block - PWR/TRAIN, AIR PUMP, AIR/SOL Relays, AIR PUMP, AIR/SOL, ECM/CRNK, INJ/COIL, PWR TRN Fuses
Rear Fuse Block - LT TRN/SIG, RR TRN/SIG, CHMSL/BCK-UP, INT LAMPS, SWTCH DM, HVAC BLWR Fuses, DR MDL/PWR WNDW Circuit Breaker
Figure 8:

Rear Fuse Block - LT TRN/SIG, RR TRN/SIG, CHMSL/BCK-UP, INT LAMPS, SWTCH DM, HVAC BLWR Fuses, DR MDL/PWR WNDW Circuit Breaker


Object Number: 1885818  Size: FS
Master Electrical Component List
Control Module References
Underhood Fuse Block - AIR PUMP, AIR/SOL, A/C, COOL/FAN 2, COOL/FAN, COOL FAN 1 Relays, INJ/COIL, OXY PST Fuses
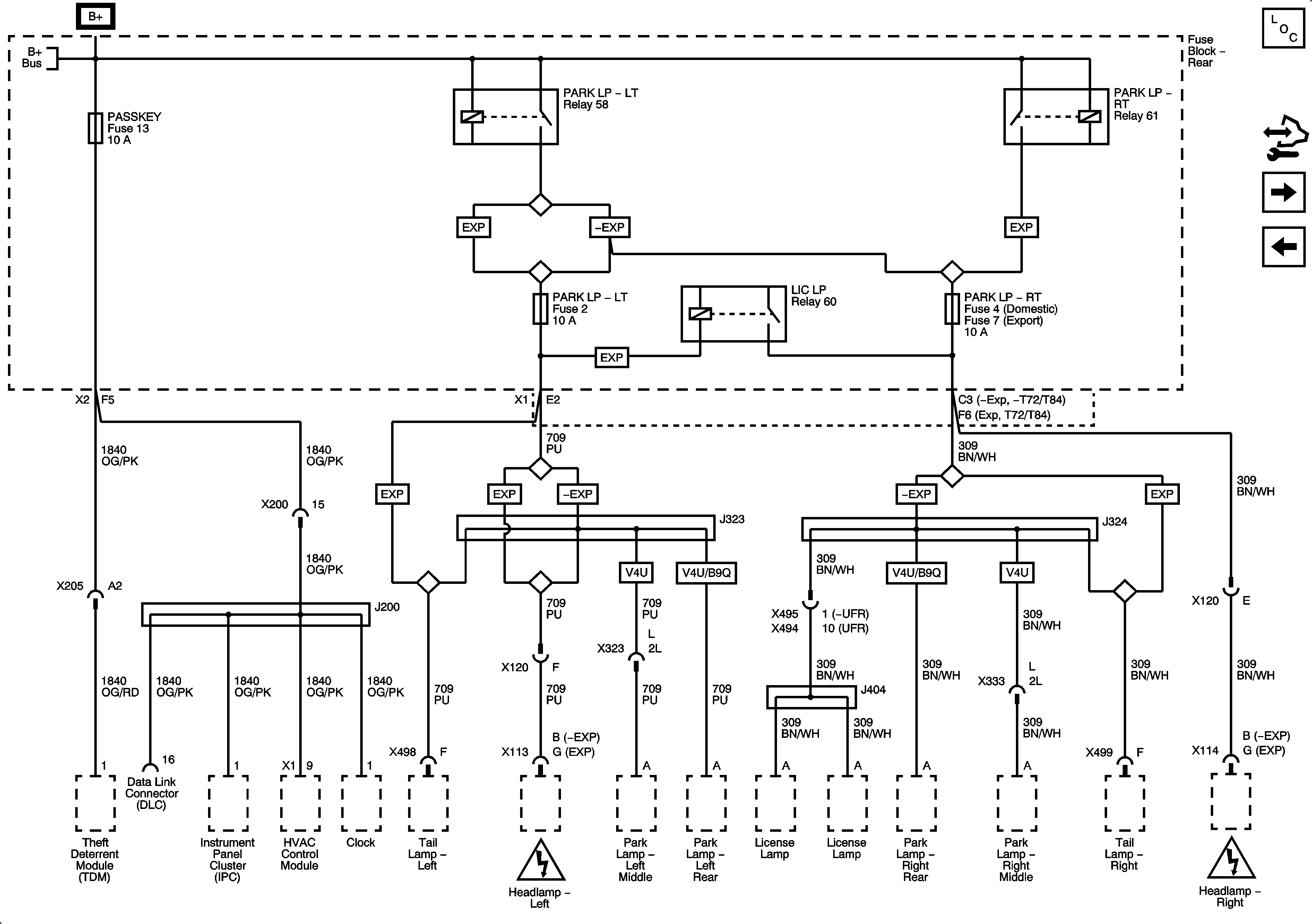
Rear Fuse Block - PRK LAMP, RT PRK LAMP (Export), EXP LIC LAMP Relays, I/P HARN MDL, LT PRK LAMP, RT PRK LAMP Fuses
Figure 9:

Rear Fuse Block - PRK LAMP, RT PRK LAMP (EXP), EXP LIC LAMP Relays, I/P HARN MDL, LT PRK LAMP, RT PRK LAMP Fuses


Object Number: 1885820  Size: FS
Master Electrical Component List
Control Module References
Rear Fuse Block - LT TRN/SIG, RR TRN/SIG, CHMSL/BCK-UP, INT LAMPS, SWTCH DM, HVAC BLWR Fuses, DR MDL/PWR WNDW Circuit Breaker
Rear Fuse Block - AIRBAG, OBJ SNSR, ONSTAR/S-BAND, BODY HARN MDL Fuses
Figure 10:

Rear Fuse Block - AIRBAG, OBJ SNSR, ONSTAR/S-BAND, BODY HARN MDL Fuses


Object Number: 1885822  Size: FS
Master Electrical Component List
Control Module References
Rear Fuse Block - PRK LAMP, RT PRK LAMP (Export), EXP LIC LAMP Relays, I/P HARN MDL, LT PRK LAMP, RT PRK LAMP Fuses
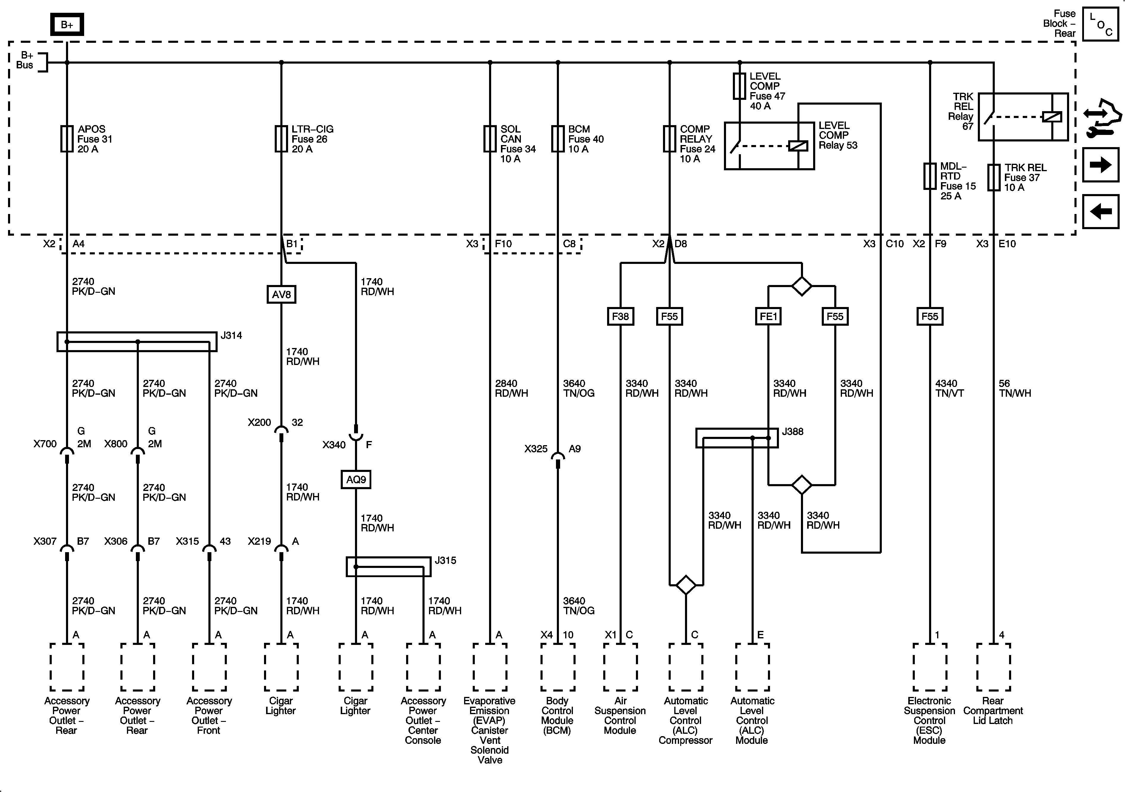
Rear Fuse Block - TRUNK RELSE Relay, AUX PWR, LTR/CNSL, CNSTR VENT, RVC SENSE, ELC MDL, MRTD MDL, TRUNK RELSE Fuses
Figure 11:

Rear Fuse Block - TRUNK RELSE Relay, AUX PWR, LTR/CNSL, CNSTR VENT, RVC SENSE, ELC MDL, MRTD MDL, TRUNK RELSE Fuses


Object Number: 1885825  Size: FS
Master Electrical Component List
Control Module References
Rear Fuse Block - AIRBAG, OBJ SNSR, ONSTAR/S-BAND, BODY HARN MDL Fuses
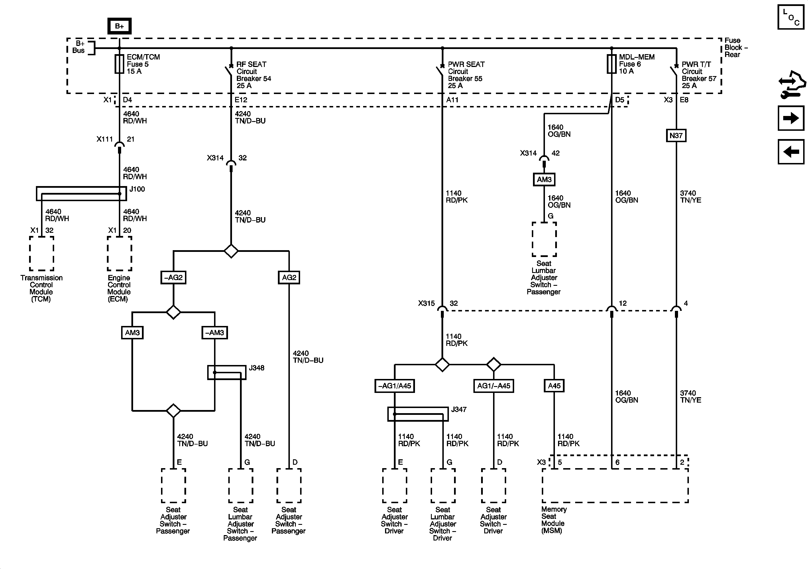
Rear Fuse Block - MSM/RT FRT PWR SEAT, MSM/LT FRT PWR SEAT, MSM/TILT STR WHL Circuit Breakers, ECM/TCM, MSM LOGIC/RF MASSAGE Fuses
Figure 12:

Rear Fuse Block - MSM/RT FRT PWR SEAT, MSM/LT FRT PWR SEAT, MSM/TILT STR WHL Circuit Breakers, ECM/TCM, MSM LOGIC/RF MASSAGE Fuses


Object Number: 1885827  Size: FS
Master Electrical Component List
Control Module References
Rear Fuse Block - TRUNK RELSE Relay, AUX PWR, LTR/CNSL, CNSTR VENT, RVC SENSE, ELC MDL, MRTD MDL, TRUNK RELSE Fuses
Rear Fuse Block - RAP Relay, CTSY/RF TRN, S/ROOF, SHFTR SOL, RAP, REAR SEAT LUM Fuses
Figure 13:

Rear Fuse Block - RAP Relay, CTSY/RF TRN, S/ROOF, SHFTR SOL, RAP, REAR SEAT LUM Fuses


Object Number: 1885830  Size: FS
Master Electrical Component List
Control Module References
Rear Fuse Block - MSM/RT FRT PWR SEAT, MSM/LT FRT PWR SEAT, MSM/TILT STR WHL Circuit Breakers, ECM/TCM, MSM LOGIC/RF MASSAGE Fuses
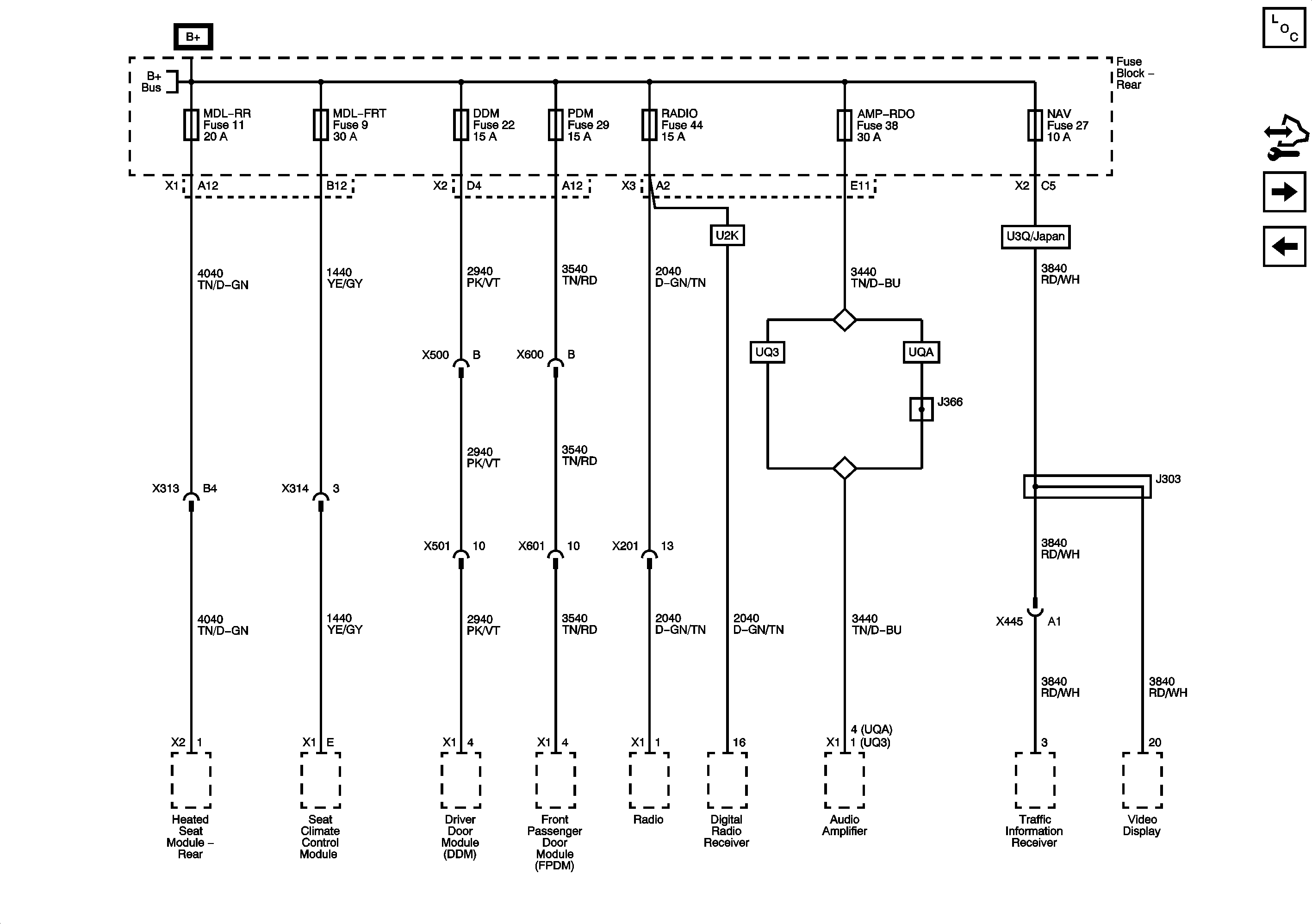
Rear Fuse Block - REAR HTD/SEAT, HTD/COOL, DDM, PDM, RDO, AMP, NAV Fuses
Figure 14:

Rear Fuse Block - REAR HTD/SEAT, HTD/COOL, DDM, PDM, RDO, AMP, NAV Fuses


Object Number: 1885834  Size: FS
Master Electrical Component List
Control Module References
Rear Fuse Block - RAP Relay, CTSY/RF TRN, S/ROOF, SHFTR SOL, RAP, REAR SEAT LUM Fuses
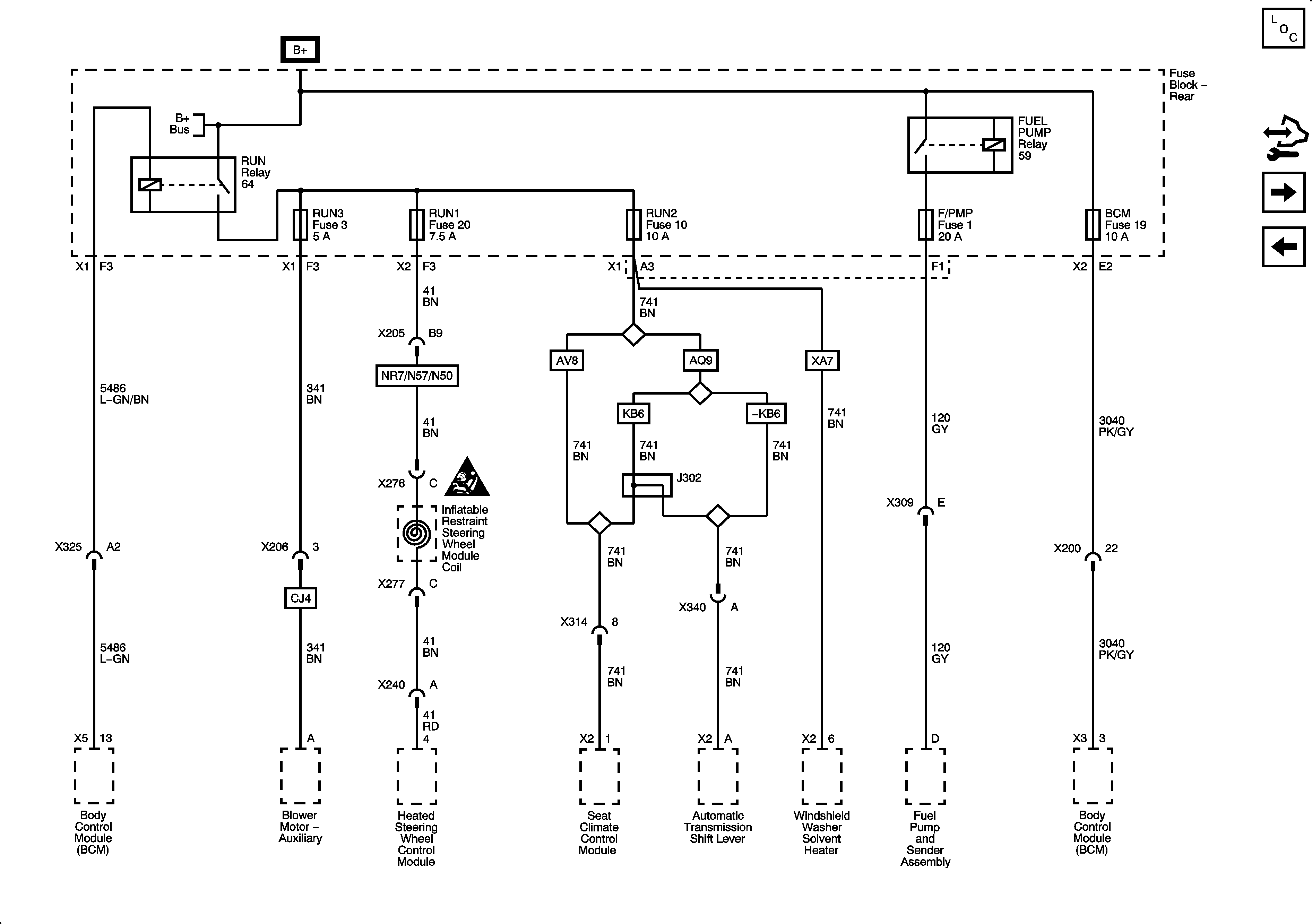
Rear Fuse Block - RUN Relay, REAR HVAC, HTD STR, HTD/COOL/IGN3. BCM LOGIC Fuses
Figure 15:

Rear Fuse Block - RUN Relay, REAR HVAC, HTD STR, HTD/COOL/IGN3, BCM LOGIC Fuses


Object Number: 1885836  Size: FS
Master Electrical Component List
Control Module References
Rear Fuse Block - REAR HTD/SEAT, HTD/COOL, DDM, PDM, RDO, AMP, NAV Fuses
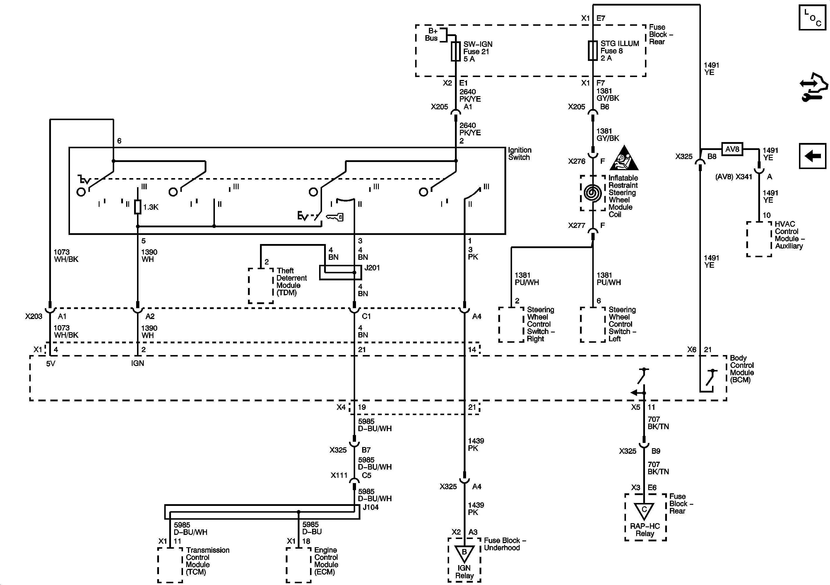
Rear Fuse Block - IGN SWTCH, STR/WHL ILLUM Fuses
Figure 16:

Rear Fuse Block - IGN SWITCH, STR/WHL/ILLUM Fuses


Object Number: 1885838  Size: FS
Master Electrical Component List
Control Module References
Rear Fuse Block - RUN Relay, REAR HVAC, HTD STR, HTD/COOL/IGN3. BCM LOGIC Fuses