GM Service Manual Online
For 1990-2009 cars only
Makes
🢒
Cadillac
🢒
2008
🢒
DTS
🢒
Diagnostic Navigation
🢒
Vehicle Diagnostic Information
🢒 Moveable Window Schematics
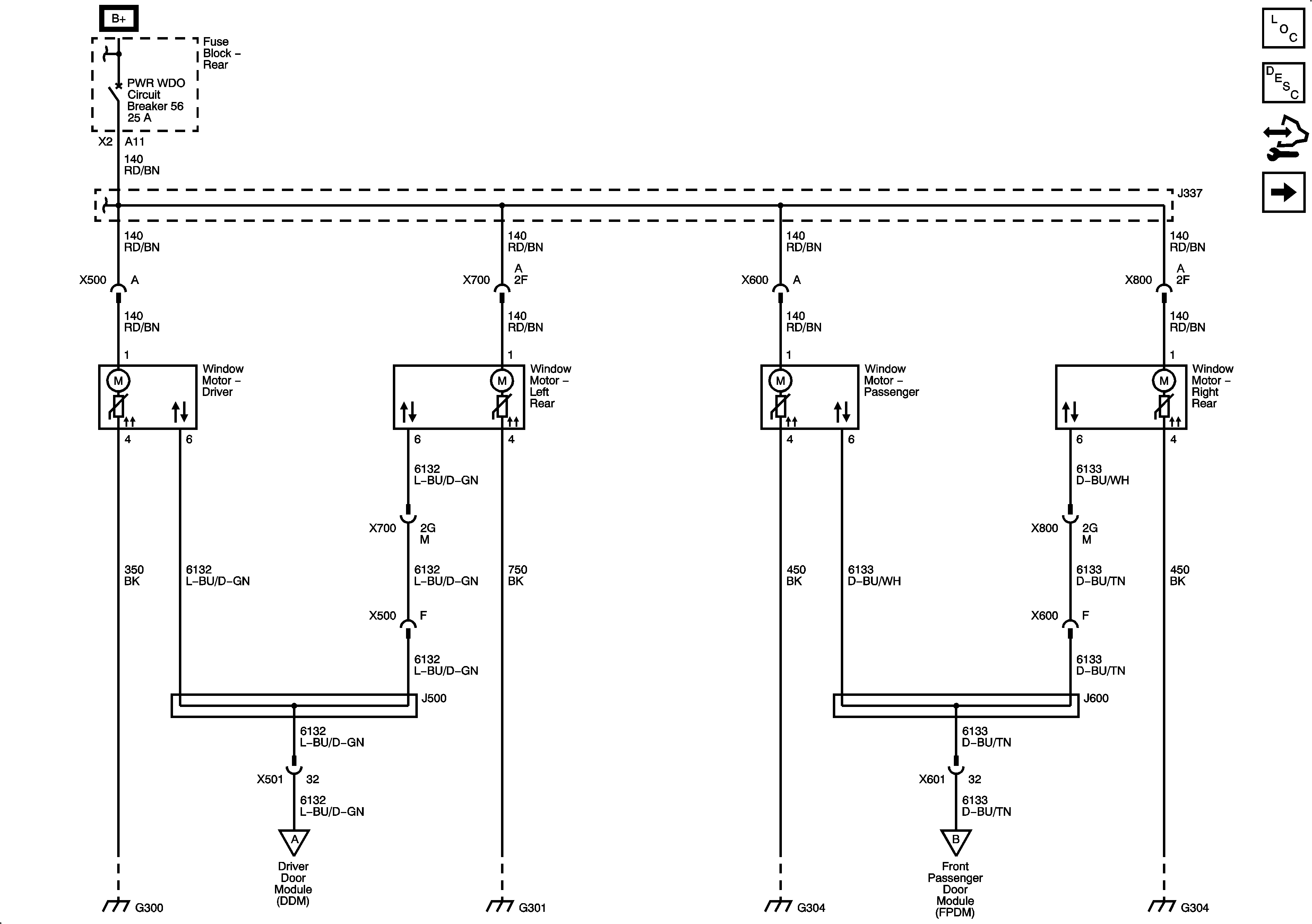
Figure
1:
Window Motors
Master Electrical Component List
Power Windows Description and Operation
Control Module References
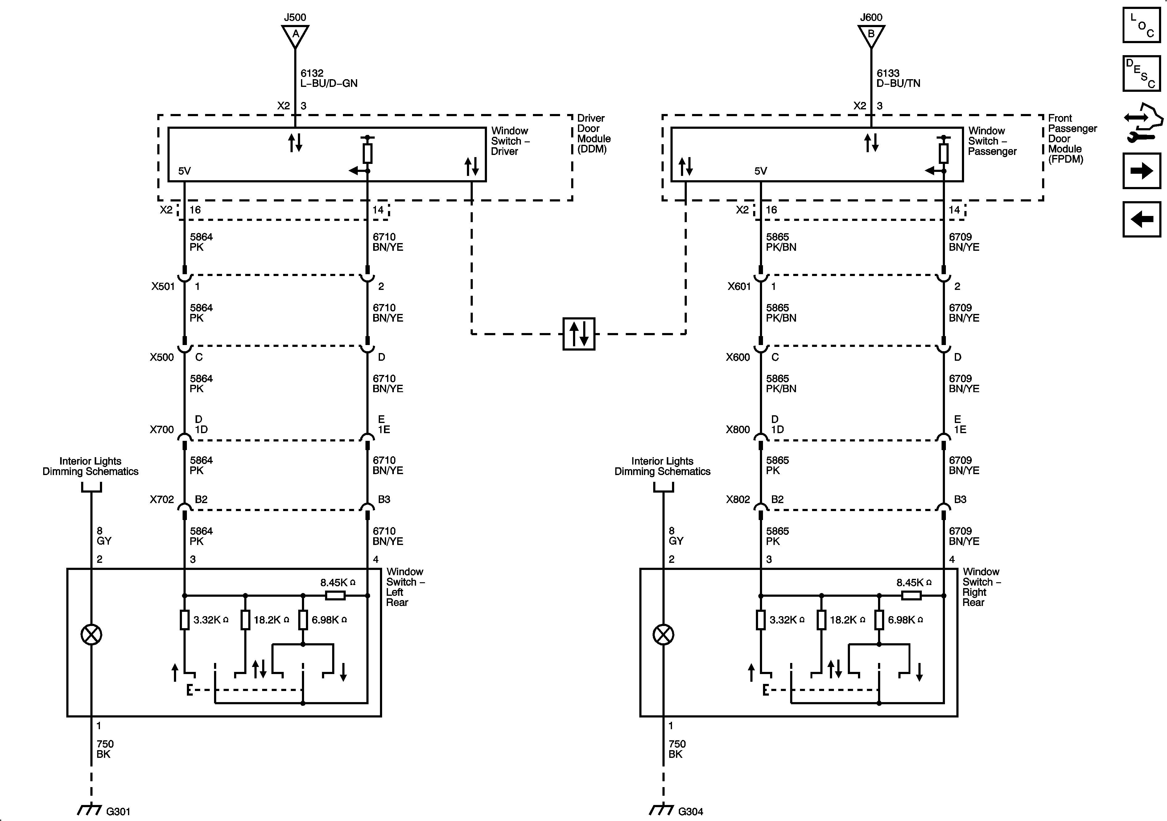
Window Switches
Figure
2:
Window Switches
Master Electrical Component List
Power Windows Description and Operation
Control Module References
Window Motors
Upfitter Window Provisions - V4U
Figure
3:
Upfitter Window Provisions - V4U
Master Electrical Component List
Power Windows Description and Operation
Control Module References
Window Switches