GM Service Manual Online
For 1990-2009 cars only
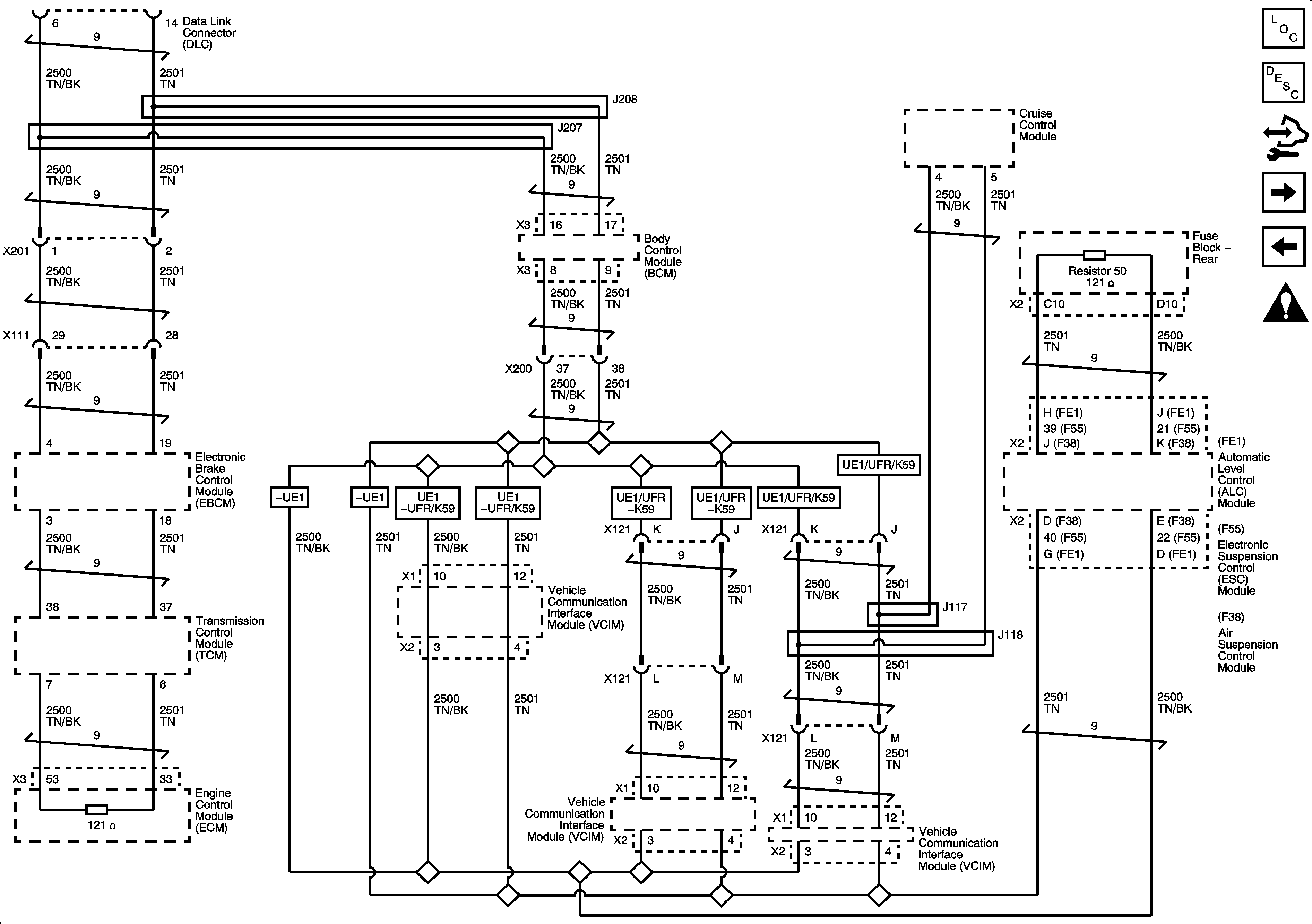
Figure 1:

Power Ground and Low Speed GMLAN


Object Number: 1885777  Size: FS
Master Electrical Component List
Data Link Communications Description and Operation
Control Module References
High Speed Serial Data
Figure 2:

High Speed Serial Data


Object Number: 1885779  Size: FS
Master Electrical Component List
Data Link Communications Description and Operation
Control Module References
Power, Ground and Low Speed GMLAN
High Speed Serial Data, Wake Up
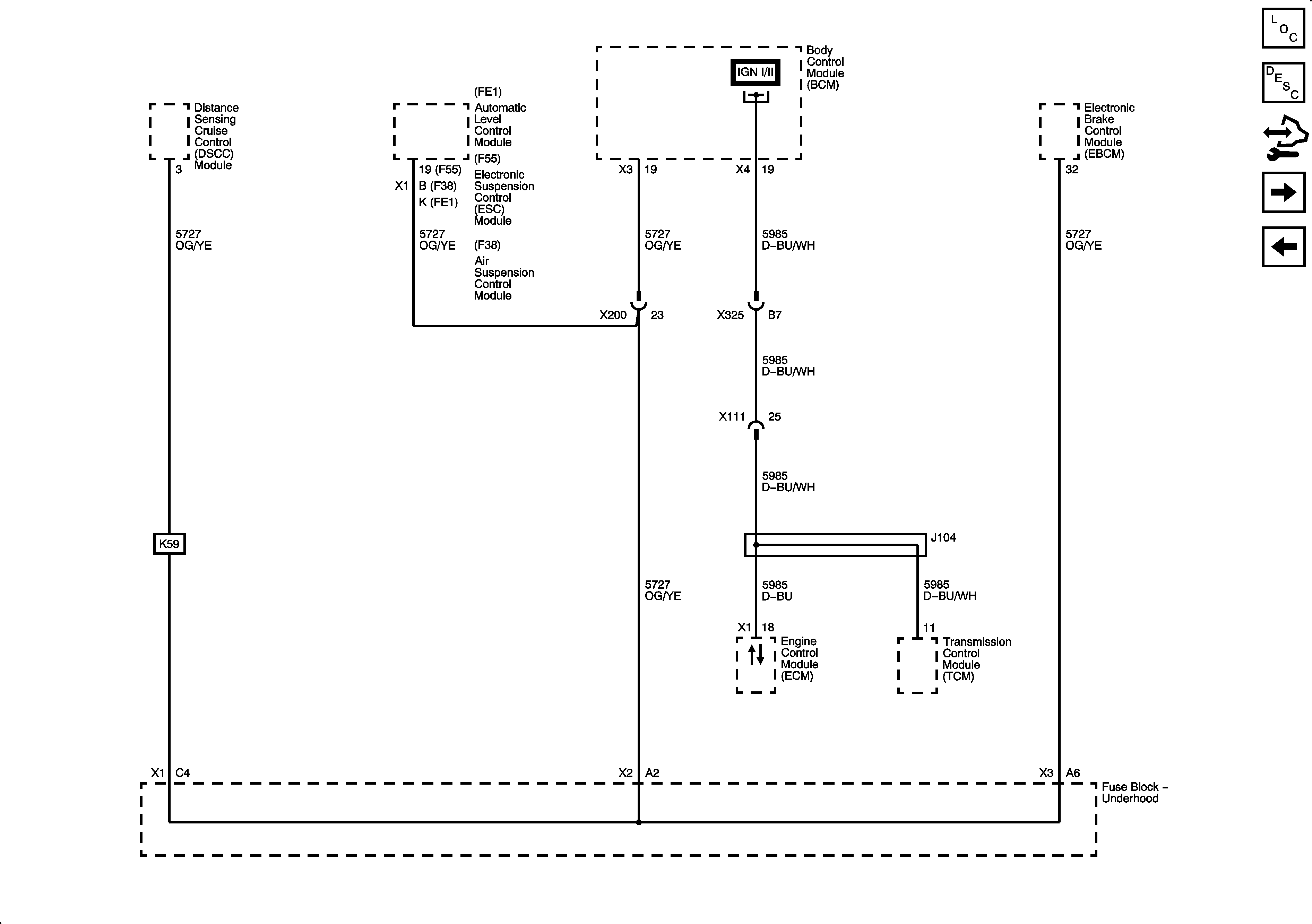
Figure 3:

High Speed Serial Data, Wake Up


Object Number: 1885781  Size: FS
Master Electrical Component List
Data Link Communications Description and Operation
Control Module References
High Speed Serial Data
Local Interconnect Network (LIN)
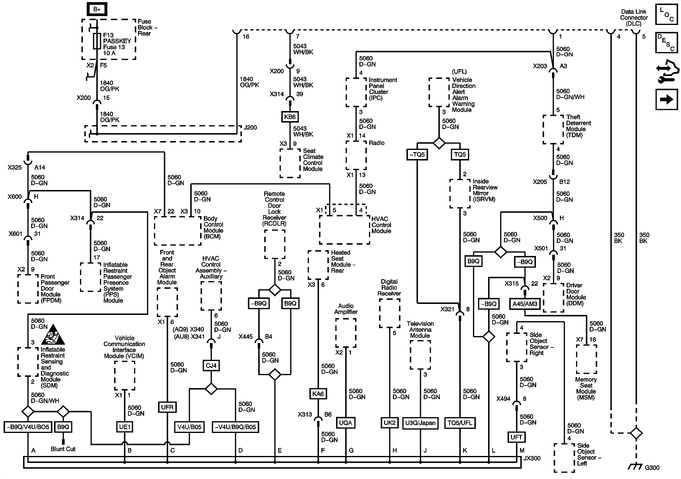
Figure 4:

Local Interconnect Network (LIN)


Object Number: 1885783  Size: FS
Master Electrical Component List
Data Link Communications Description and Operation
Control Module References
High Speed Serial Data, Wake Up