GM Service Manual Online
For 1990-2009 cars only
Figure 1:

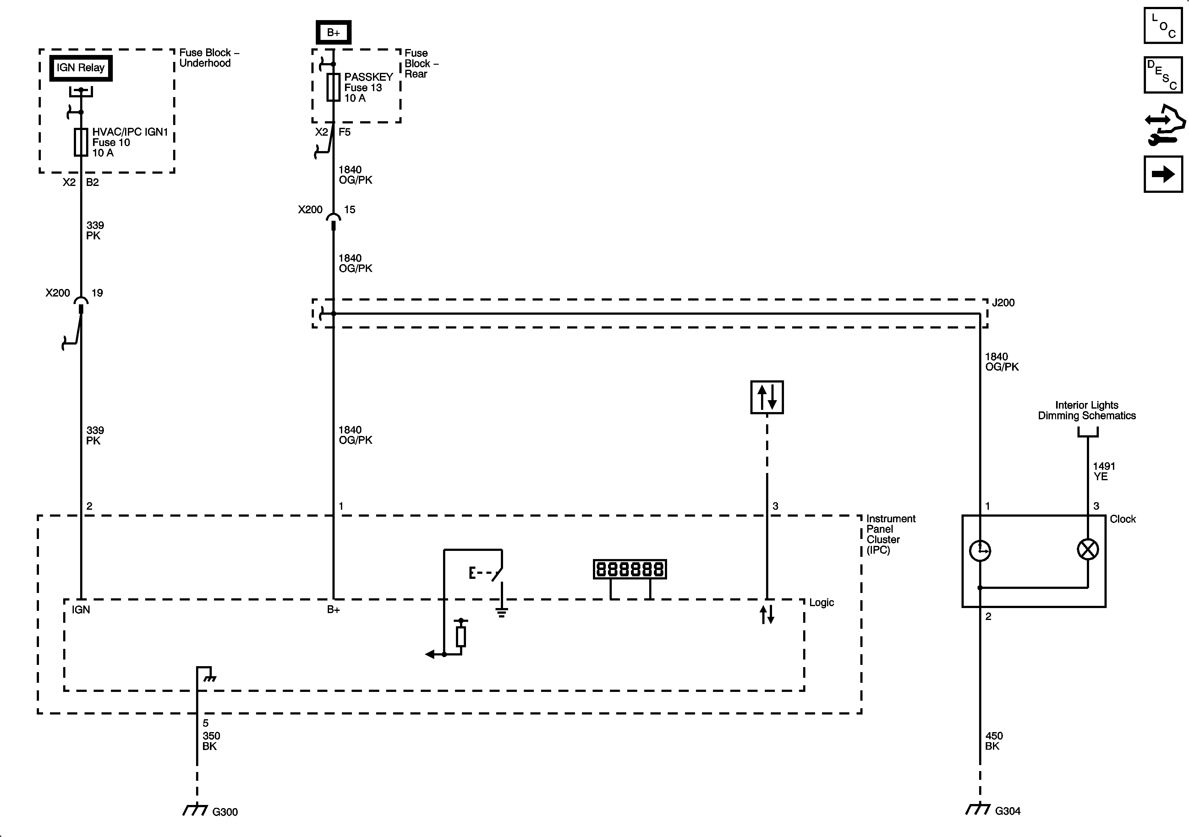
Power, Ground, Clock


Object Number: 1885735  Size: FS
Master Electrical Component List
Instrument Cluster Description and Operation
Control Module References
Indicators
Figure 2:

Indicators


Object Number: 1885740  Size: FS
Master Electrical Component List
Indicator/Warning Message Description and Operation
Control Module References
Power, Ground, Clock
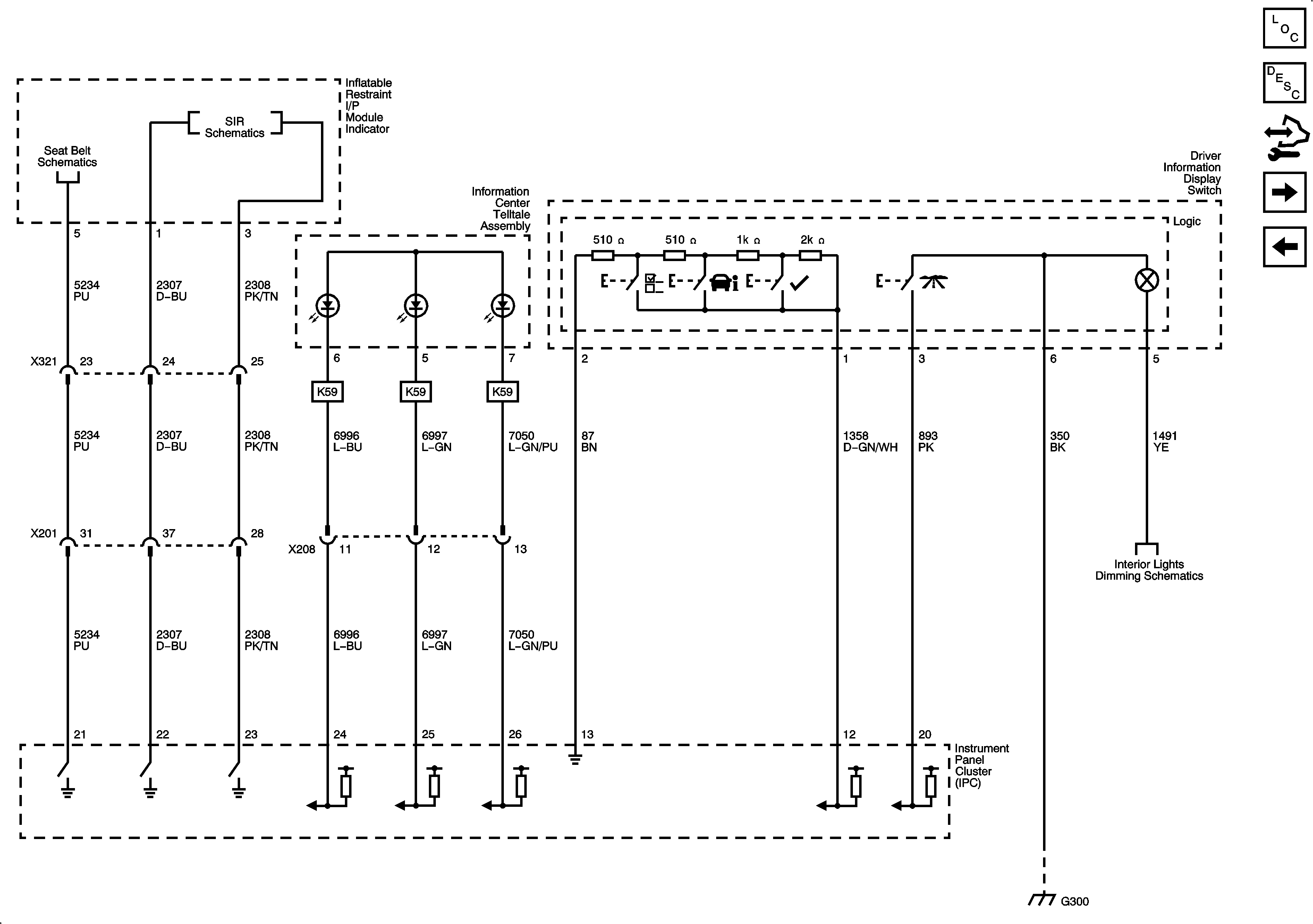
Inflatable Restraint I/P Module Indicator, Telltale Assembly
Figure 3:

Inflatable Restraint I/P Module Indicator, Telltale Assembly Info Center, Driver Information Display


Object Number: 1885748  Size: FS
Master Electrical Component List
Indicator/Warning Message Description and Operation
Control Module References
Indicators
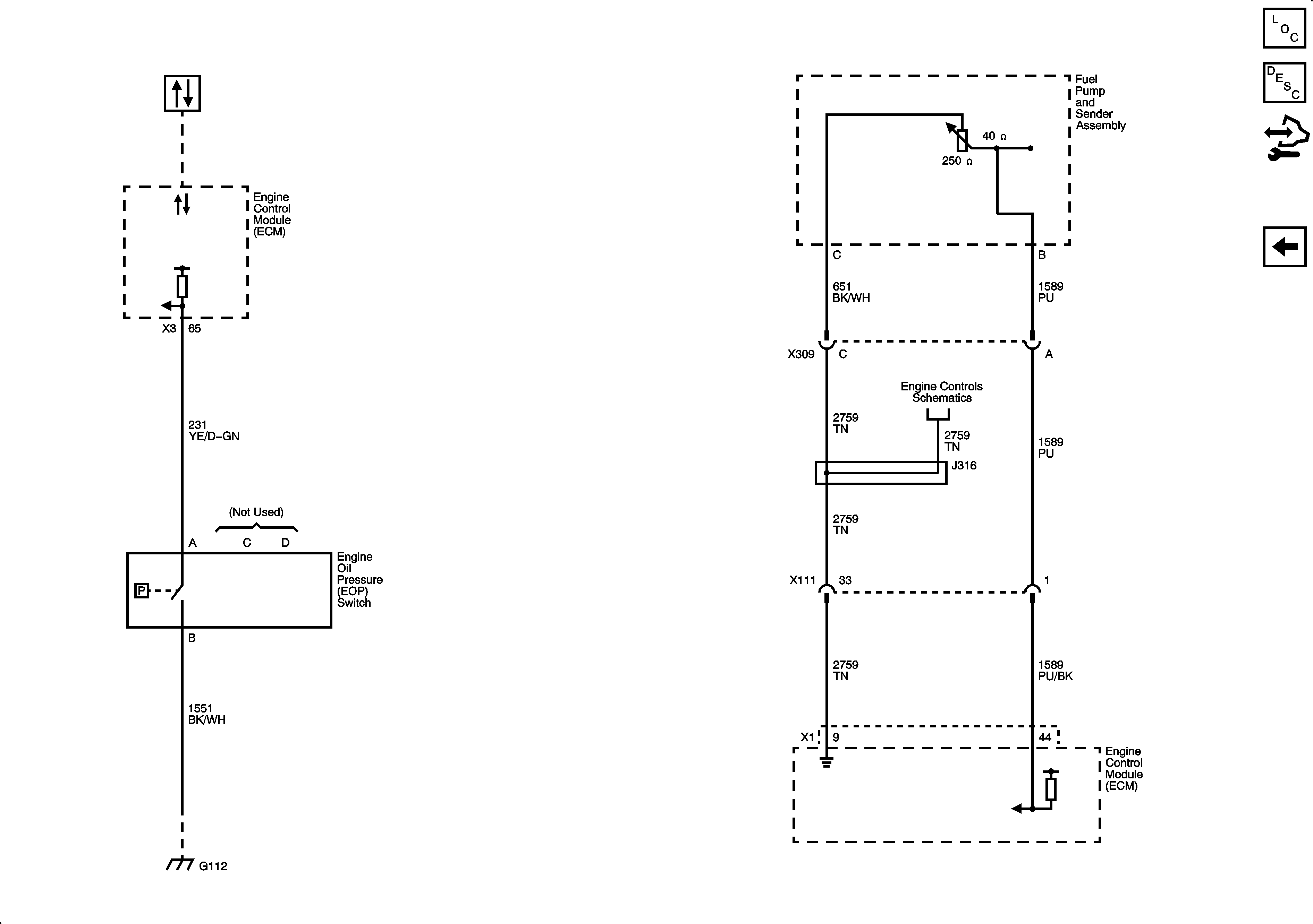
EOP, Fuel Level Sensor
Figure 4:

Engine Oil Pressure, Fuel Level Sensor


Object Number: 1885753  Size: FS
Master Electrical Component List
Instrument Cluster Description and Operation
Control Module References
Inflatable Restraint I/P Module Indicator, Telltale Assembly