GM Service Manual Online
For 1990-2009 cars only
Figure 1:

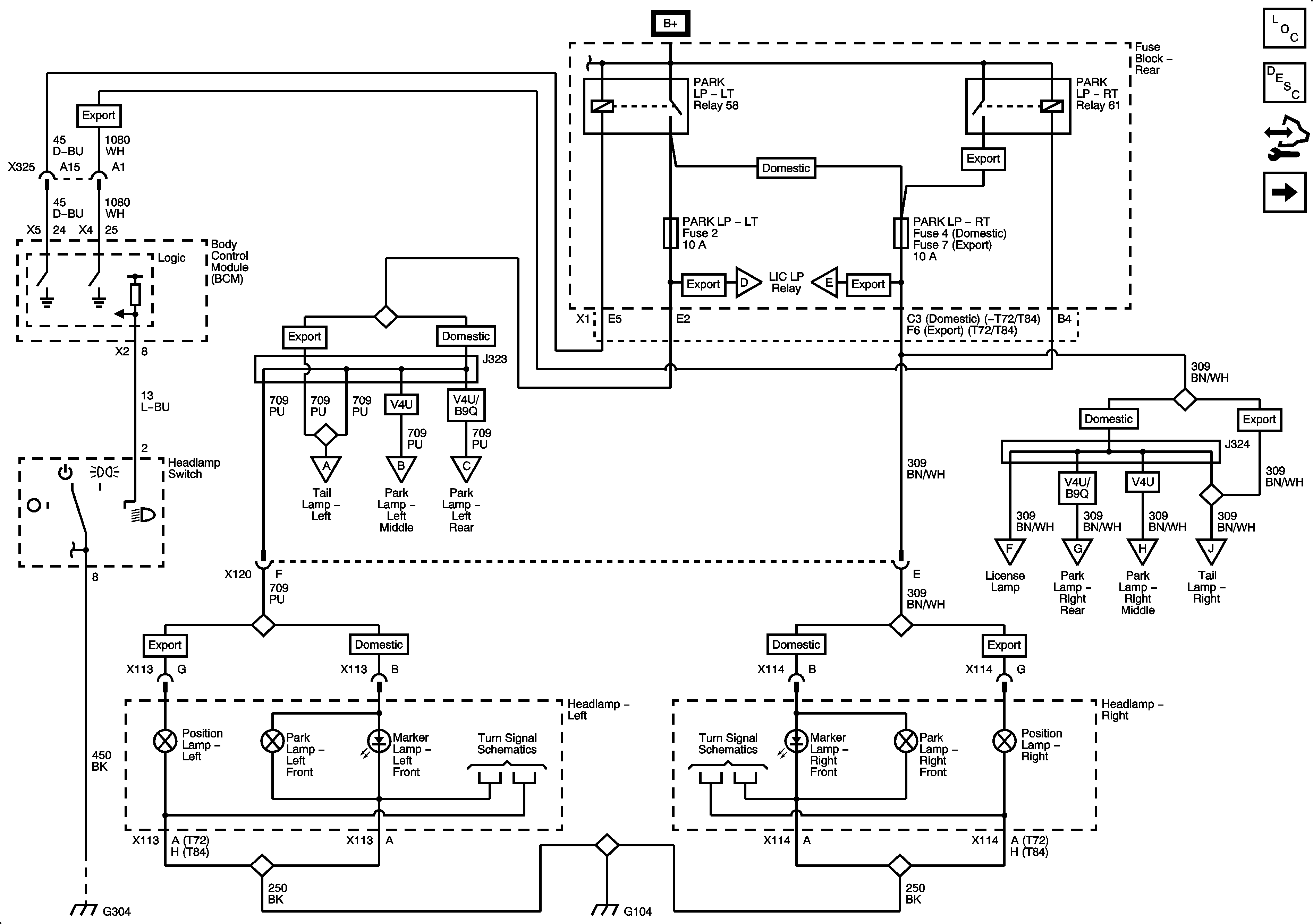
Front Park, Marker, Position Lamps


Object Number: 1885254  Size: FS
Master Electrical Component List
Exterior Lighting Systems Description and Operation
Control Module References
Rear Park and Tail Lamps
Figure 2:

Rear Park and Tail Lamps


Object Number: 1885257  Size: FS
Master Electrical Component List
Exterior Lighting Systems Description and Operation
Control Module References
Front Park, Marker, Position Lamps
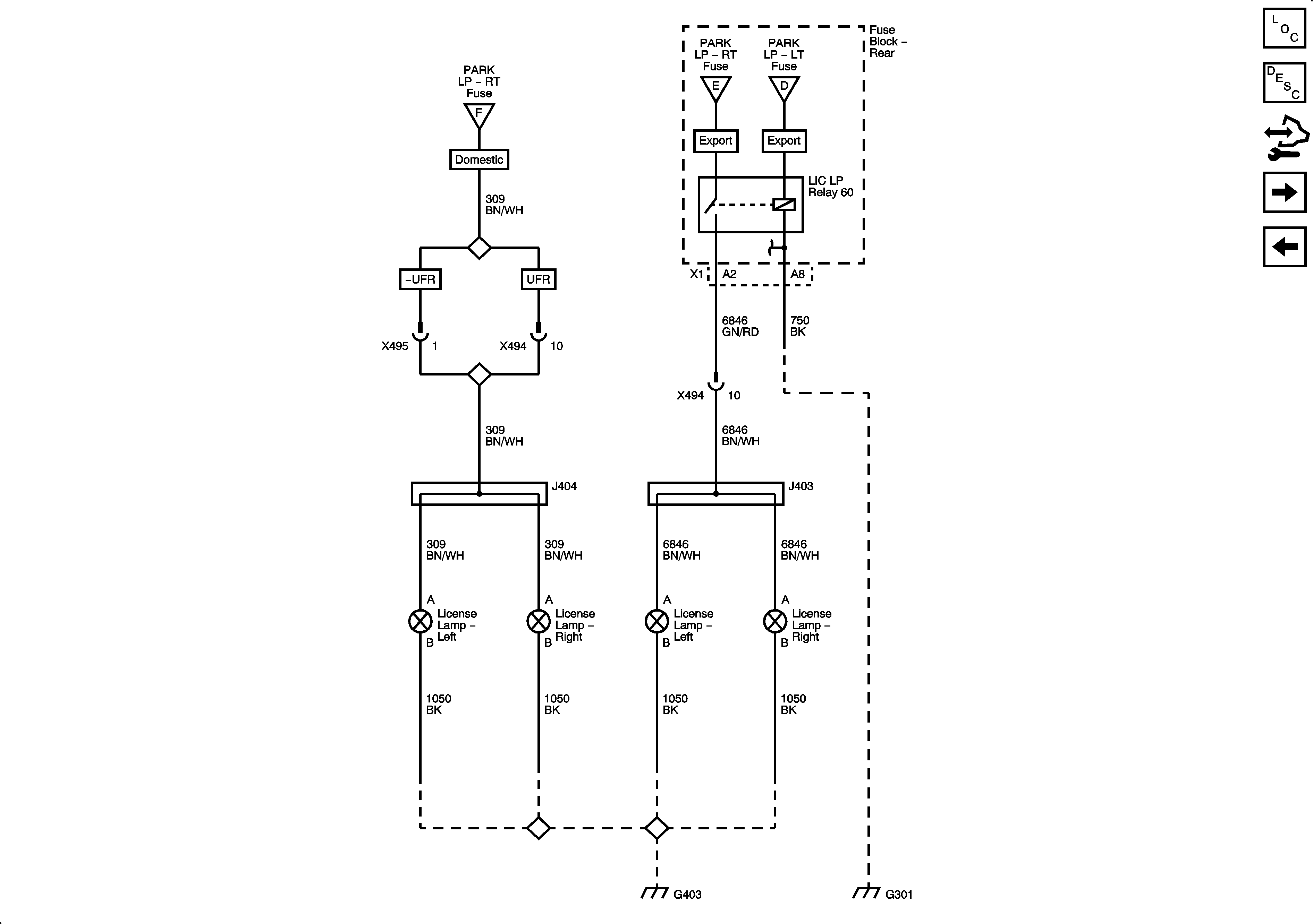
License Lamps
Figure 3:

License Lamps


Object Number: 1885261  Size: FS
Master Electrical Component List
Exterior Lighting Systems Description and Operation
Control Module References
Rear Park and Tail Lamps
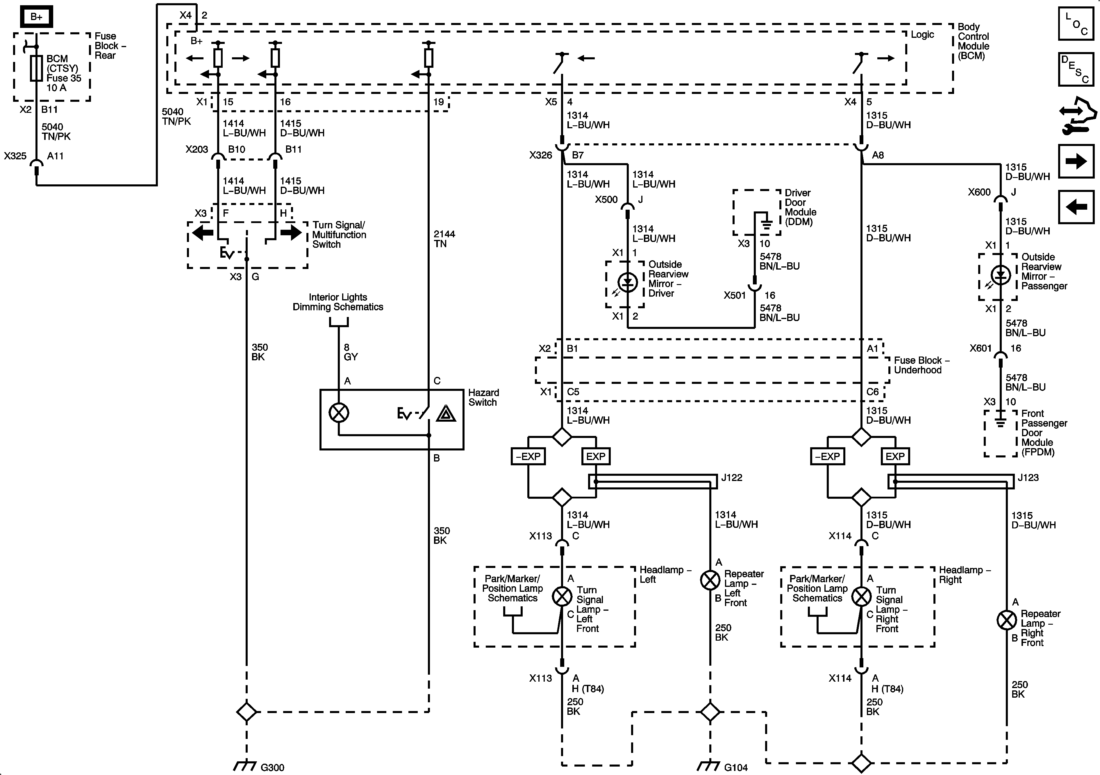
Front Turn Signal/Hazard Lamps
Figure 4:

Front Turn Signal/Hazard Lamps


Object Number: 1885266  Size: FS
Master Electrical Component List
Exterior Lighting Systems Description and Operation
Control Module References
License Lamps
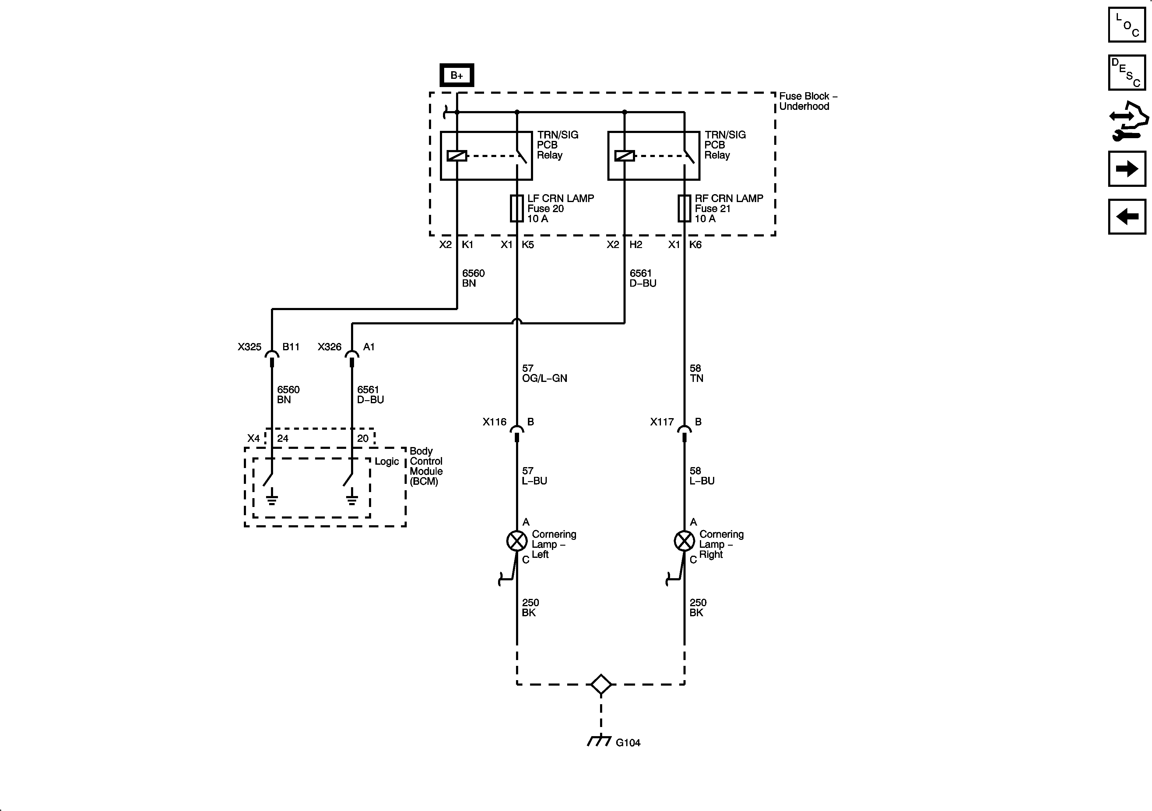
Cornering Lamps
Figure 5:

Cornering Lamps


Object Number: 1885270  Size: FS
Master Electrical Component List
Exterior Lighting Systems Description and Operation
Control Module References
Front Turn Signal/Hazard Lamps
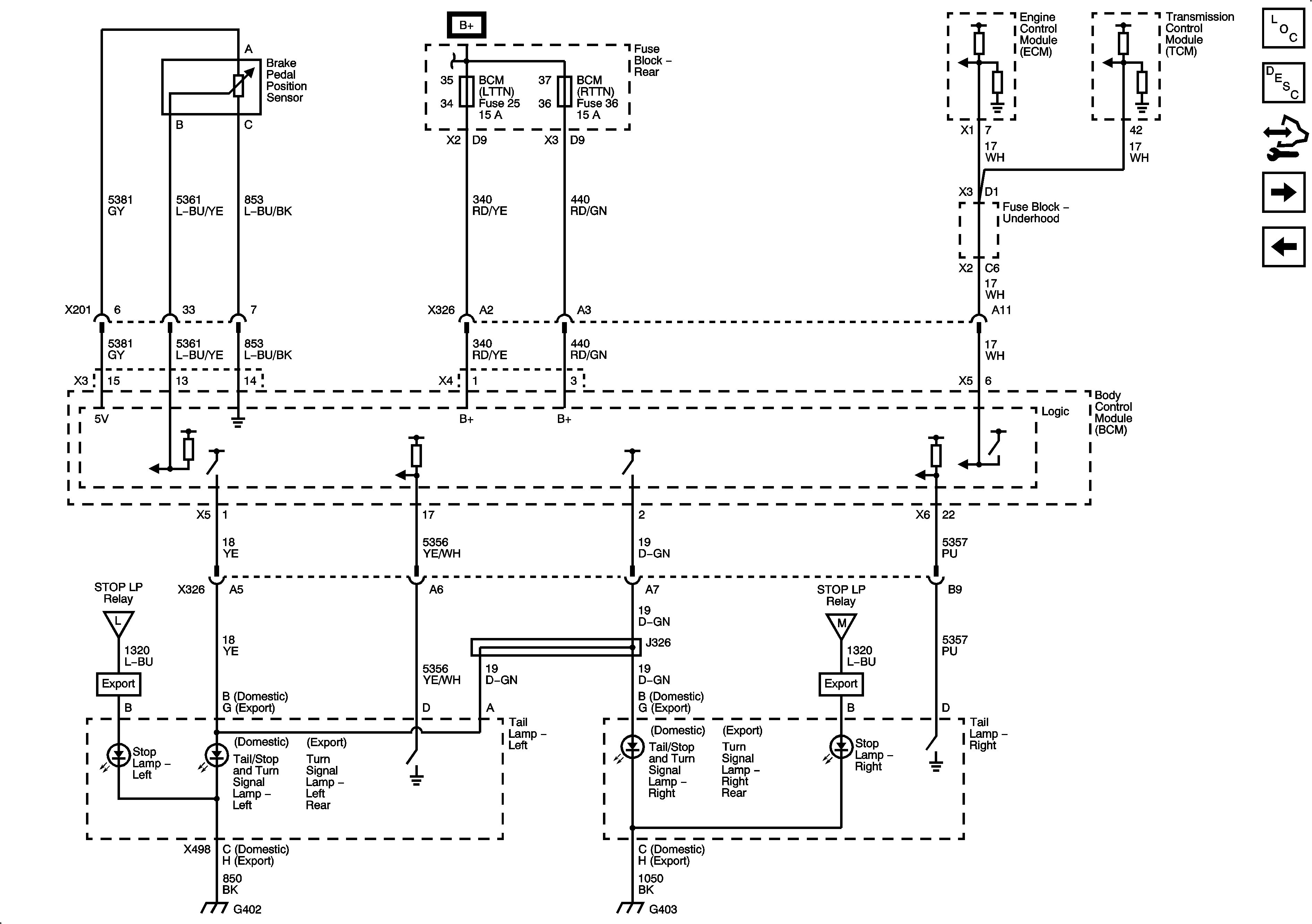
Stop/Rear Turn Signal Lamps
Figure 6:

Stop/Rear Turn Signal Lamps


Object Number: 1885274  Size: FS
Master Electrical Component List
Exterior Lighting Systems Description and Operation
Control Module References
Cornering Lamps
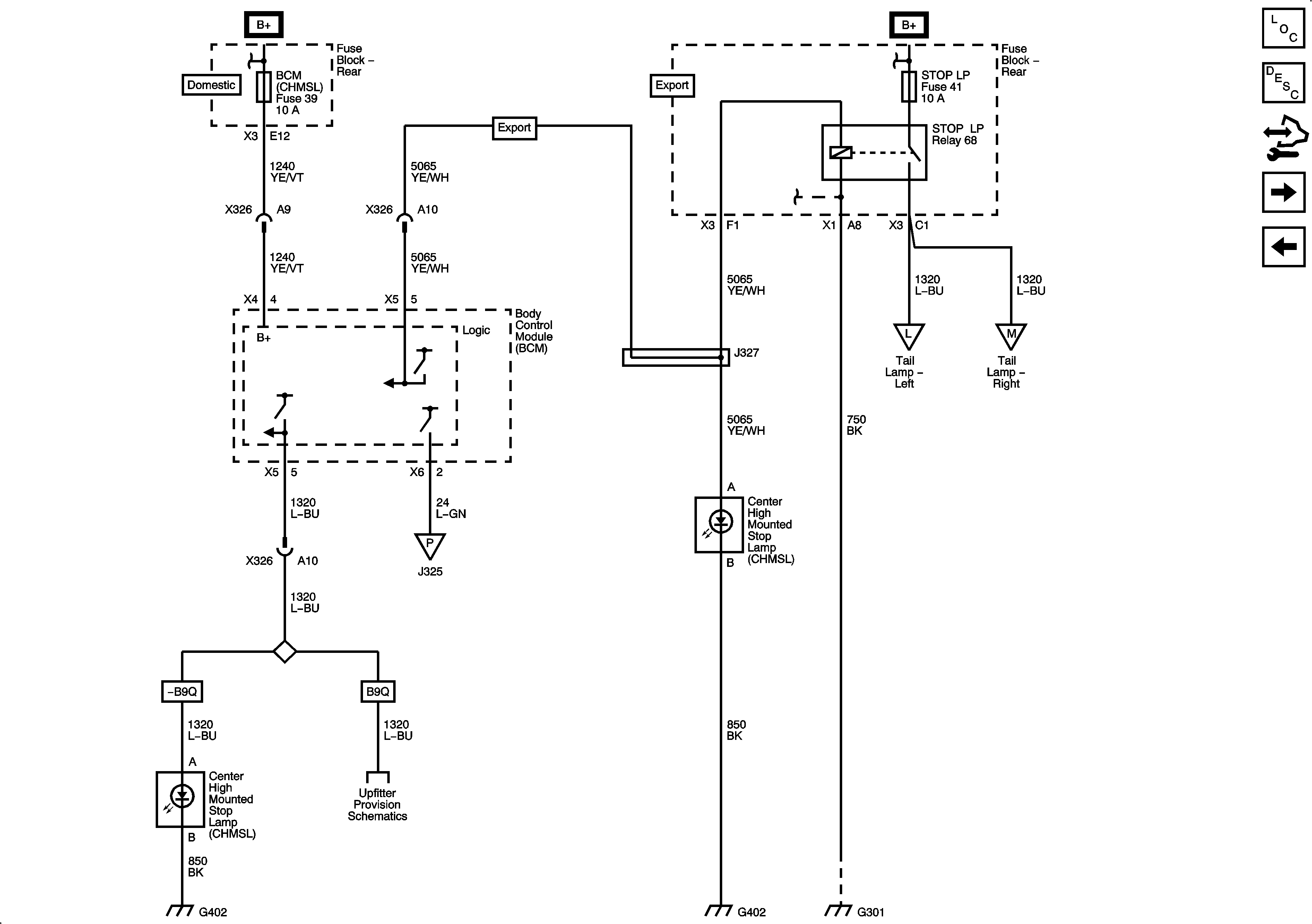
Center High-Mounted Stop Lamp
Figure 7:

Center High-Mounted Stop Lamp


Object Number: 1885276  Size: FS
Master Electrical Component List
Exterior Lighting Systems Description and Operation
Control Module References
Stop/Rear Turn Signal Lamps
Backup Lamps
Figure 8:

Backup Lamps


Object Number: 1885280  Size: FS
Master Electrical Component List
Exterior Lighting Systems Description and Operation
Control Module References
Center High-Mounted Stop Lamp