GM Service Manual Online
For 1990-2009 cars only
Figure 1:

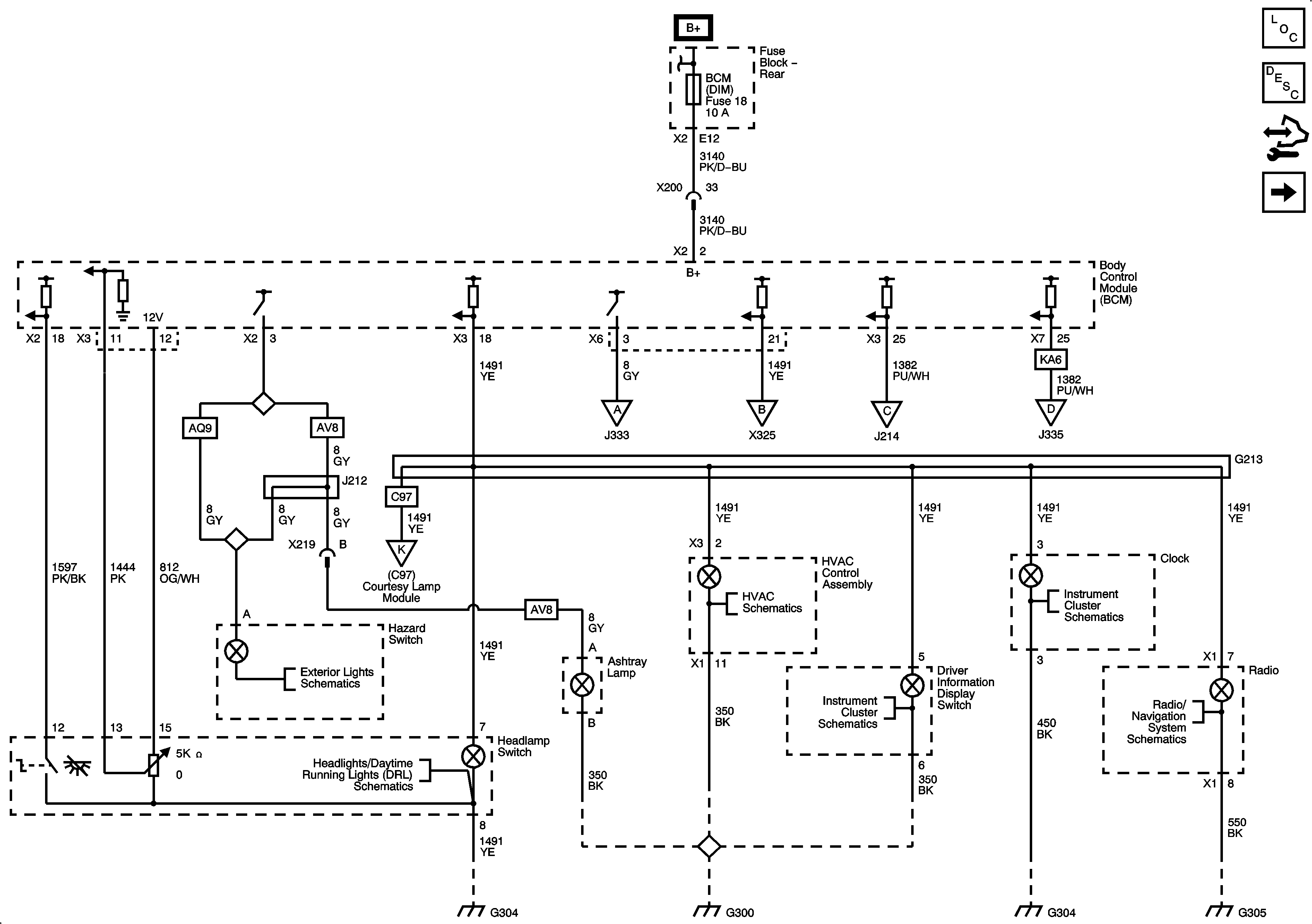
Hazard, Headlamp, Driver Information Display Switches, Ashtray, HVAC Control Module, Radio, Clock


Object Number: 1885292  Size: FS
Master Electrical Component List
Interior Lighting Systems Description and Operation
Control Module References
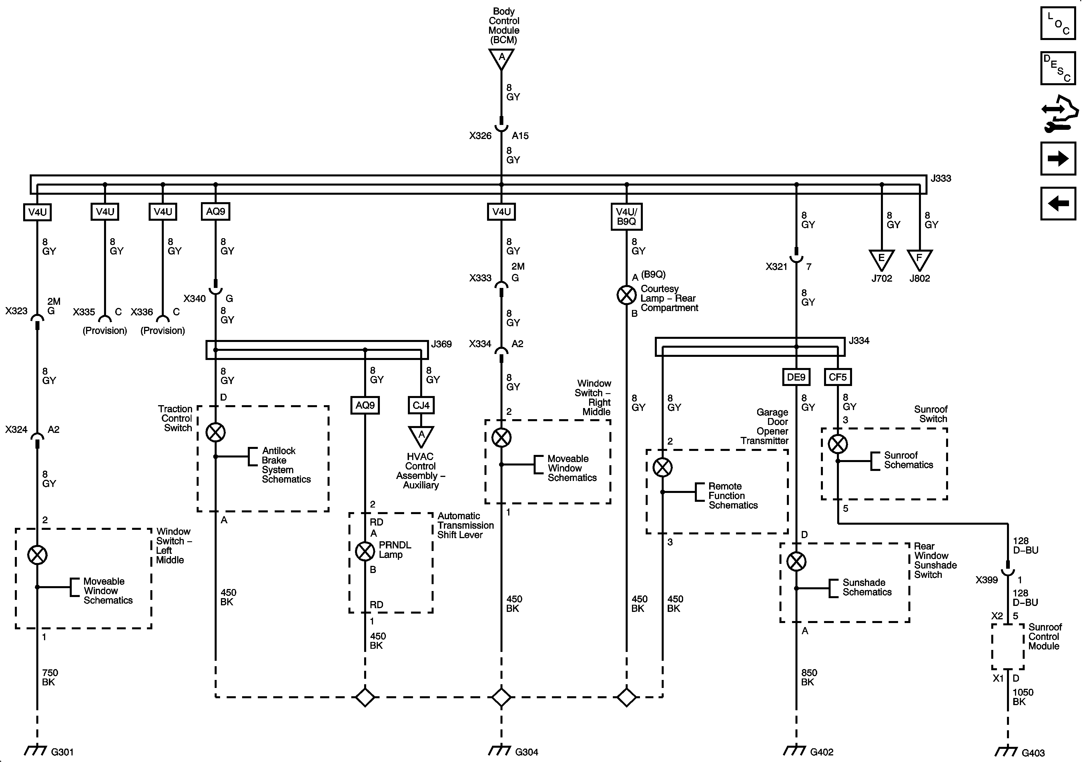
Window, Traction Control, Sun Shade, Sunroof Switches, Reverse Lockout Solenoid, Garage Door Opener, Rear Compartment Courtesy Lamp
Figure 2:

Window, Traction Control, Sun Shade, Sunroof Switches, Reverse Lockout Solenoid, Garage Door Opener, Rear Compartment Courtesy Lamp


Object Number: 1885294  Size: FS
Master Electrical Component List
Interior Lighting Systems Description and Operation
Control Module References
Hazard, Headlamp, Driver Information Display Switches. Ashtray, HVAC Control Module, Radio, Clock
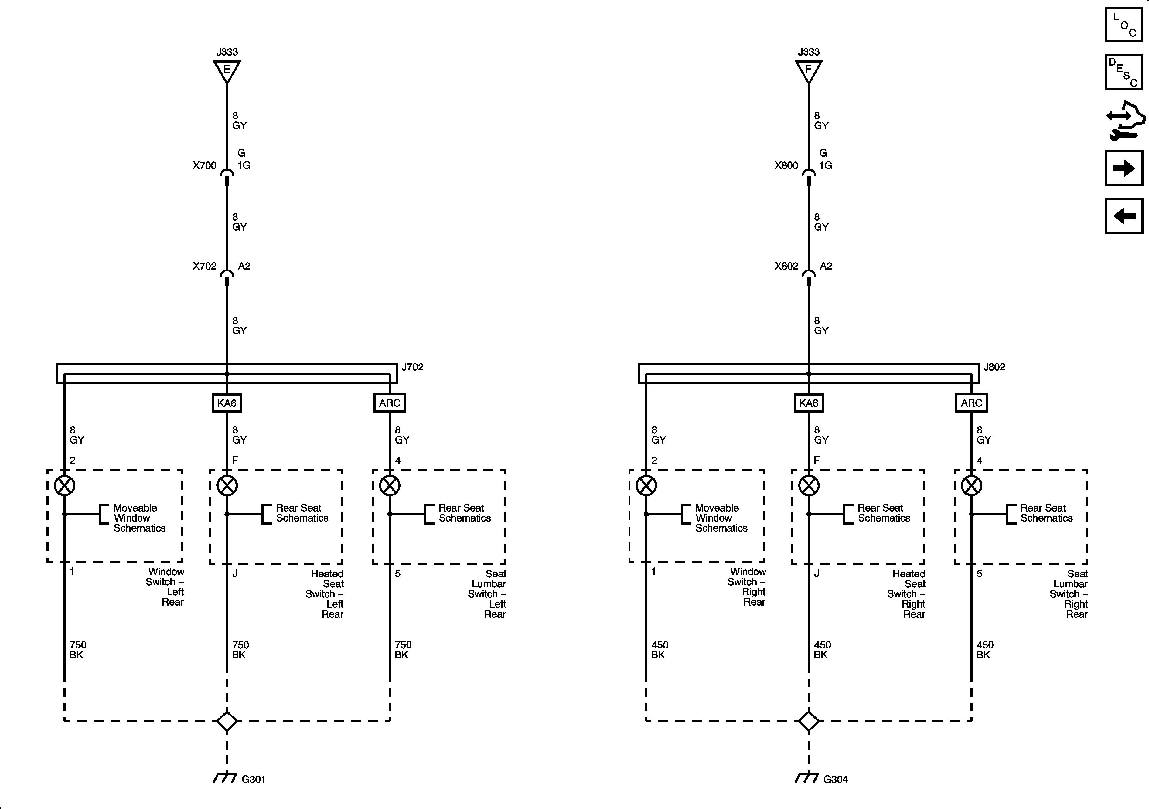
Window, Heated Seat, Seat Lumbar Switches
Figure 3:

Window, Heated Seat, Seat Lumbar Switches


Object Number: 1885299  Size: FS
Master Electrical Component List
Interior Lighting Systems Description and Operation
Control Module References
Window, Traction Control, Sun Shade, Sunroof Switches, Reverse Lockout Solenoid, Garage Door Opener, Rear Compartment Courtesy Lamp
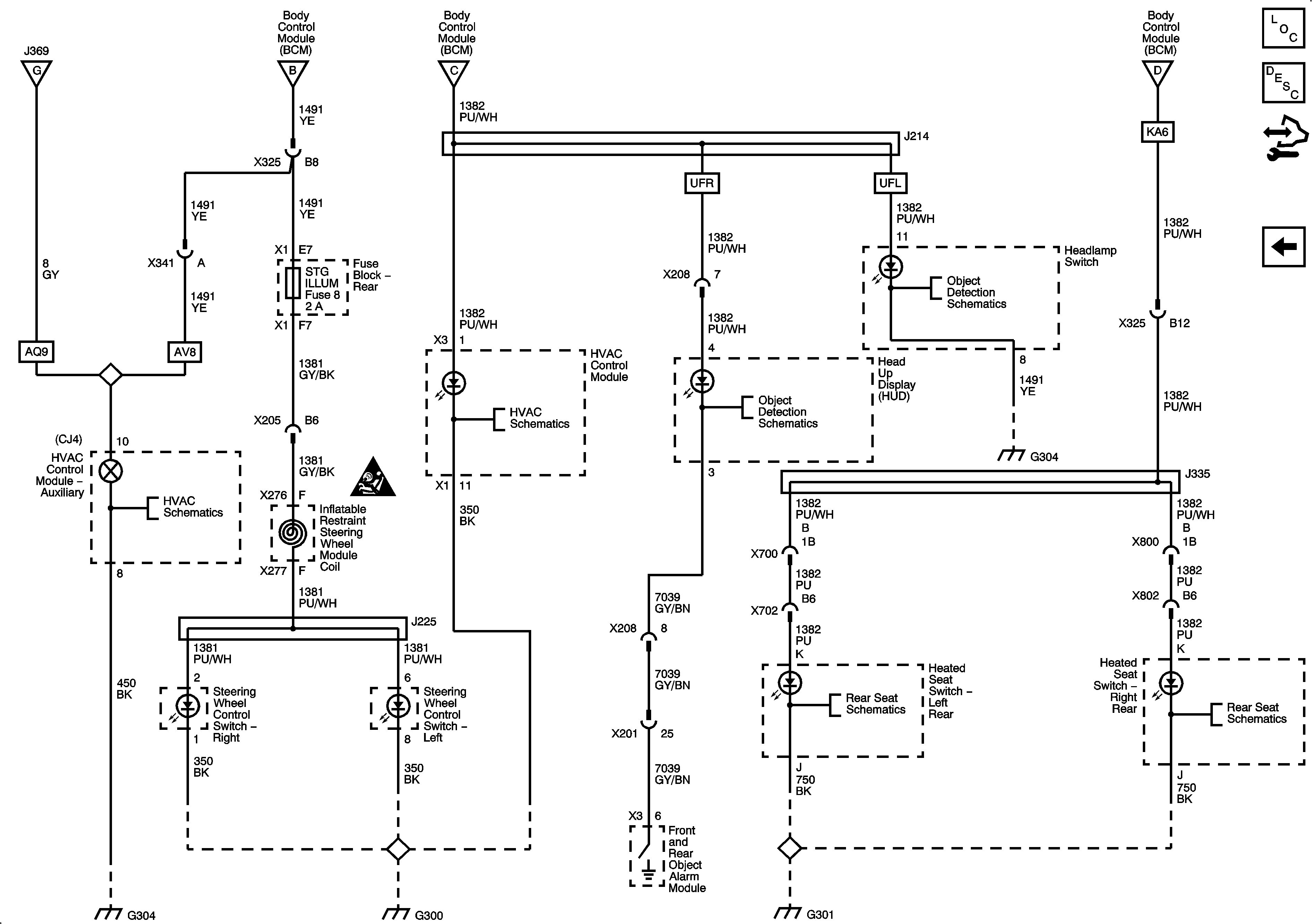
HVAC Control Module, Steering Wheel, Heated Seat KA6, Telltale Assembly Info Center
Figure 4:

HVAC Control Module, Steering Wheel, Heated Seat (KA6), Telltale Assembly Info Center


Object Number: 1885303  Size: FS
Master Electrical Component List
Interior Lighting Systems Description and Operation
Control Module References
Window, Heated Seat, Seat Lumbar Switches
Footwell Lighting - C97
Figure 5:

Footwell Lighting - C97


Object Number: 1892516  Size: FS
Master Electrical Component List
Interior Lighting Systems Description and Operation
Control Module References
HVAC Control Module, Steering Wheel, Heated Seat KA6, Telltale Assembly Info Center