GM Service Manual Online
For 1990-2009 cars only
Figure 1:

Vanity Mirror, Rear Compartment Courtesy, I/P Compartment, Overhead Console


Object Number: 1885282  Size: FS
Master Electrical Component List
Interior Lighting Systems Description and Operation
Control Module References
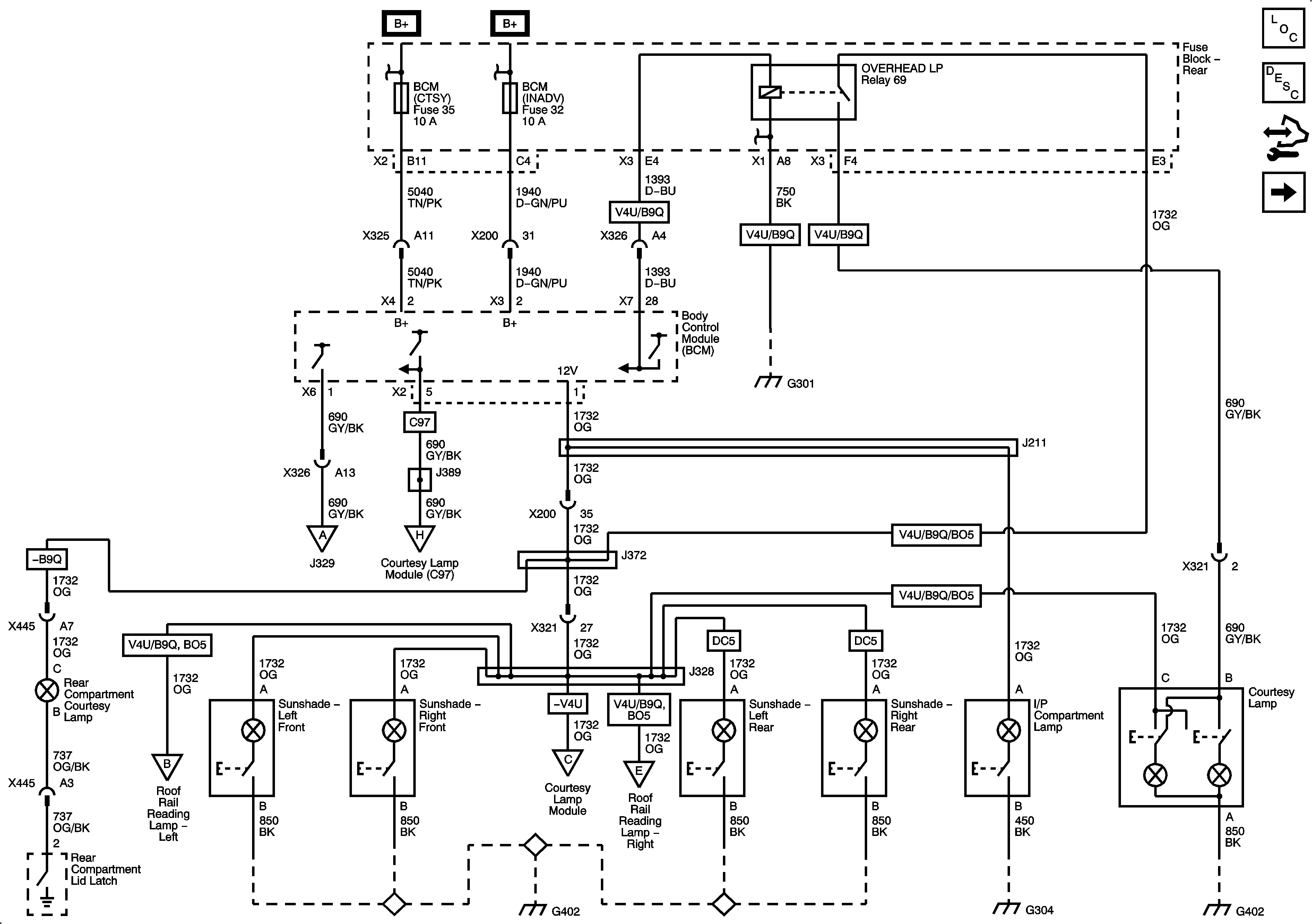
Interior Courtesy Lamps
Figure 2:

Interior Courtesy Lamps


Object Number: 1885287  Size: FS
Master Electrical Component List
Interior Lighting Systems Description and Operation
Control Module References
Vanity Mirror, Rear Compartment Courtesy, I/P Compartment, Overhead Console
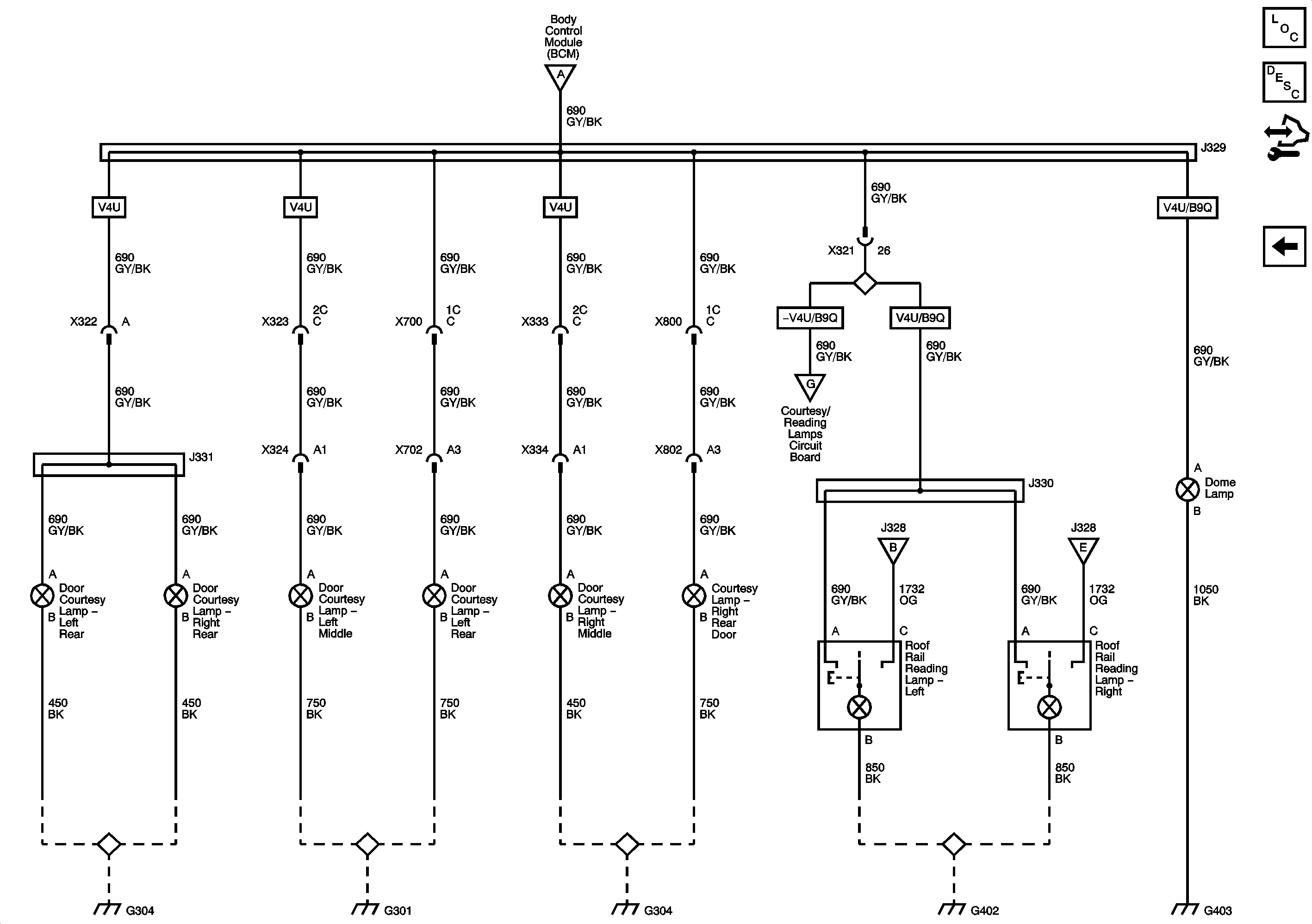
Roof Rail Reading, Dome Lamp Courtesy Lamps - V4U
Figure 3:

Roof Rail Reading, Dome Lamp Courtesy Lamps - V4U


Object Number: 1885289  Size: FS
Master Electrical Component List
Interior Lighting Systems Description and Operation
Control Module References
Interior Courtesy Lamps
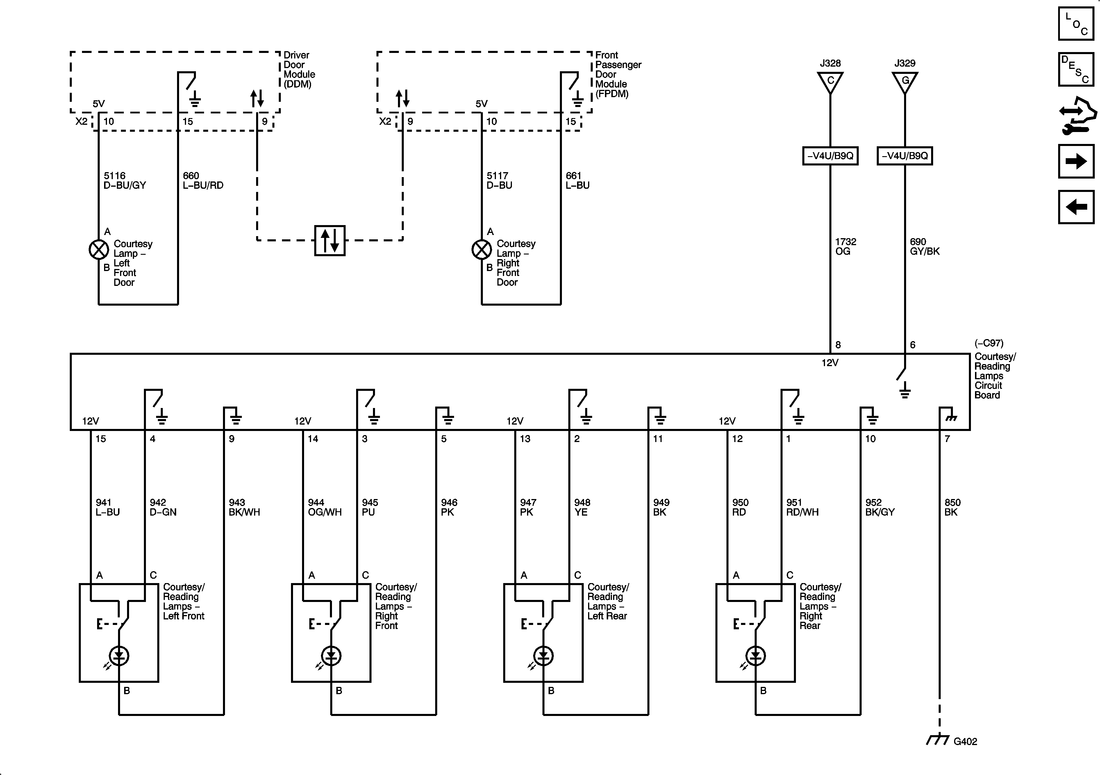
Sill Plate Lighting - C97
Figure 4:

Sill Plate Lighting - C97


Object Number: 1892480  Size: FS
Master Electrical Component List
Interior Lighting Systems Description and Operation
Control Module References
Roof Rail Reading, Dome Lamp Courtesy Lamps - V4U