GM Service Manual Online
For 1990-2009 cars only
Figure 1:

Driver Door Module, Power and Ground


Object Number: 1885439  Size: FS
Master Electrical Component List
Power Door Locks Description and Operation
Control Module References
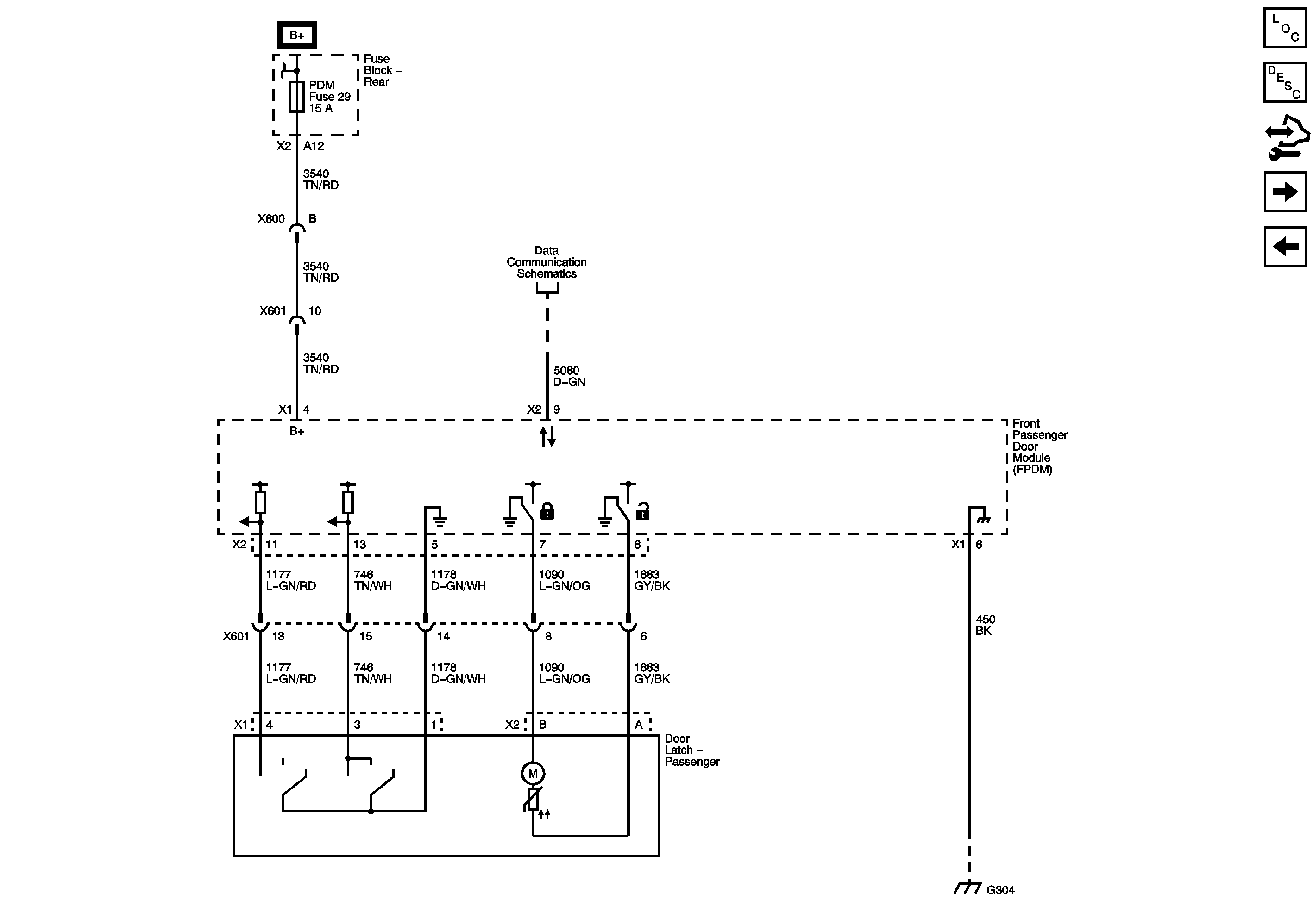
Front Passenger Door Module, Power and Ground
Figure 2:

Front Passenger Door Module, Power and Ground


Object Number: 1885441  Size: FS
Master Electrical Component List
Power Door Locks Description and Operation
Control Module References
Driver Door Module, Power and Ground
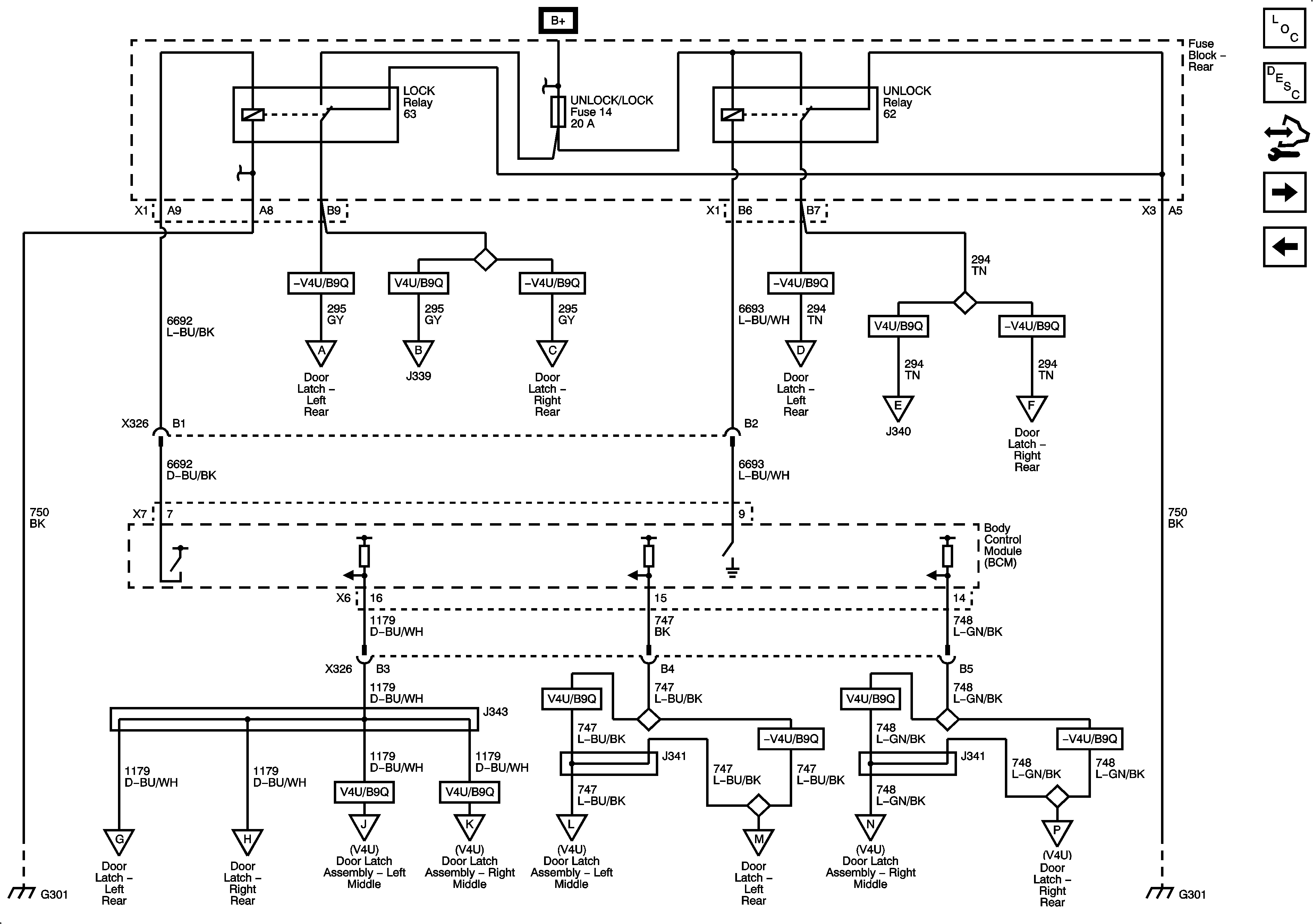
Door Lock, Unlock Relays
Figure 3:

Door Lock, Unlock Relays


Object Number: 1885443  Size: FS
Master Electrical Component List
Power Door Locks Description and Operation
Control Module References
Front Passenger Door Module, Power and Ground
Rear Door Latch Assemblies
Figure 4:

Rear Door Latch Assemblies


Object Number: 1885445  Size: FS
Master Electrical Component List
Power Door Locks Description and Operation
Control Module References
Door Lock, Unlock Relays
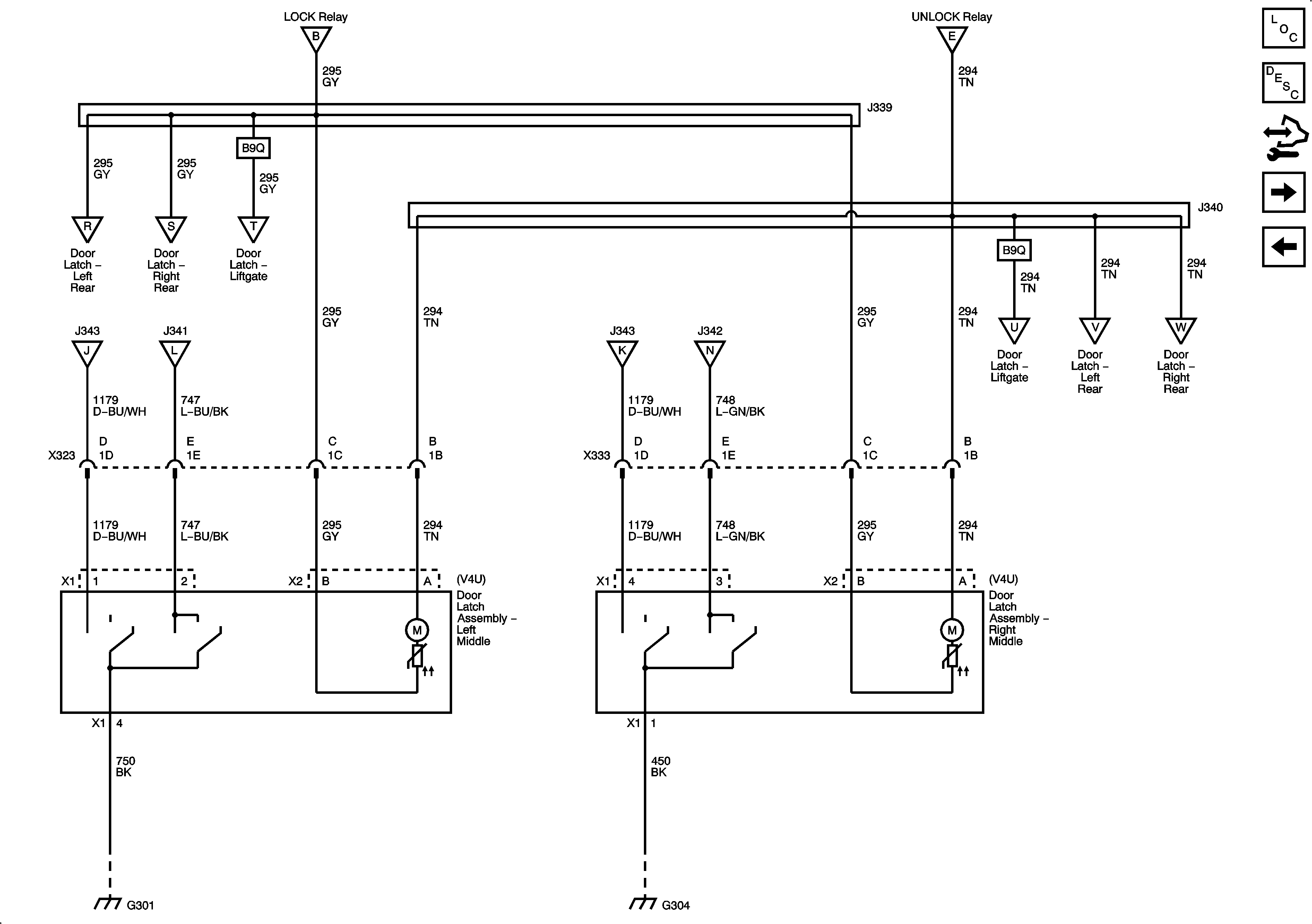
Middle Door Latch Assemblies - V4U
Figure 5:

Middle Door Latch Assemblies - V4U


Object Number: 1885451  Size: FS
Master Electrical Component List
Power Door Locks Description and Operation
Control Module References
Rear Door Latch Assemblies
Rear Door Latch Assemblies - B9Q
Figure 6:

Rear Door Latch Assembly - B9Q


Object Number: 1885453  Size: FS
Master Electrical Component List
Power Door Locks Description and Operation
Control Module References
Middle Door Latch Assemblies - V4U
Door Release Switch - V4U
Figure 7:

Door Release Switches - V4U


Object Number: 1885455  Size: FS
Master Electrical Component List
Power Door Locks Description and Operation
Control Module References
Rear Door Latch Assemblies - B9Q