GM Service Manual Online
For 1990-2009 cars only
Makes
🢒
Cadillac
🢒
2008
🢒
DTS
🢒
Driver Information and Entertainment
🢒
Cellular, Entertainment, and Navigation
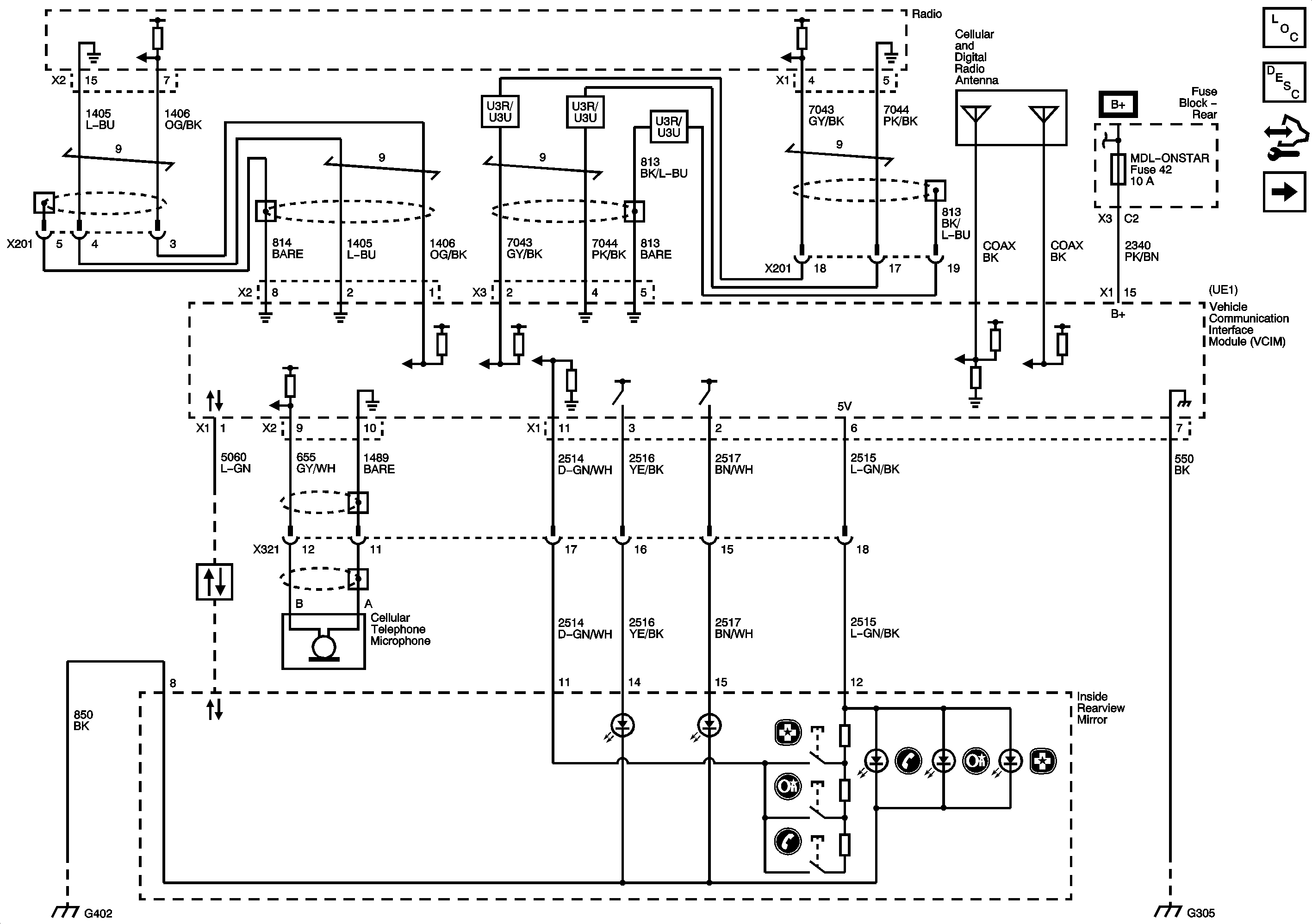
🢒 OnStar Schematics
UE1
Master Electrical Component List
OnStar Description and Operation
Control Module References