GM Service Manual Online
For 1990-2009 cars only
Figure 1:

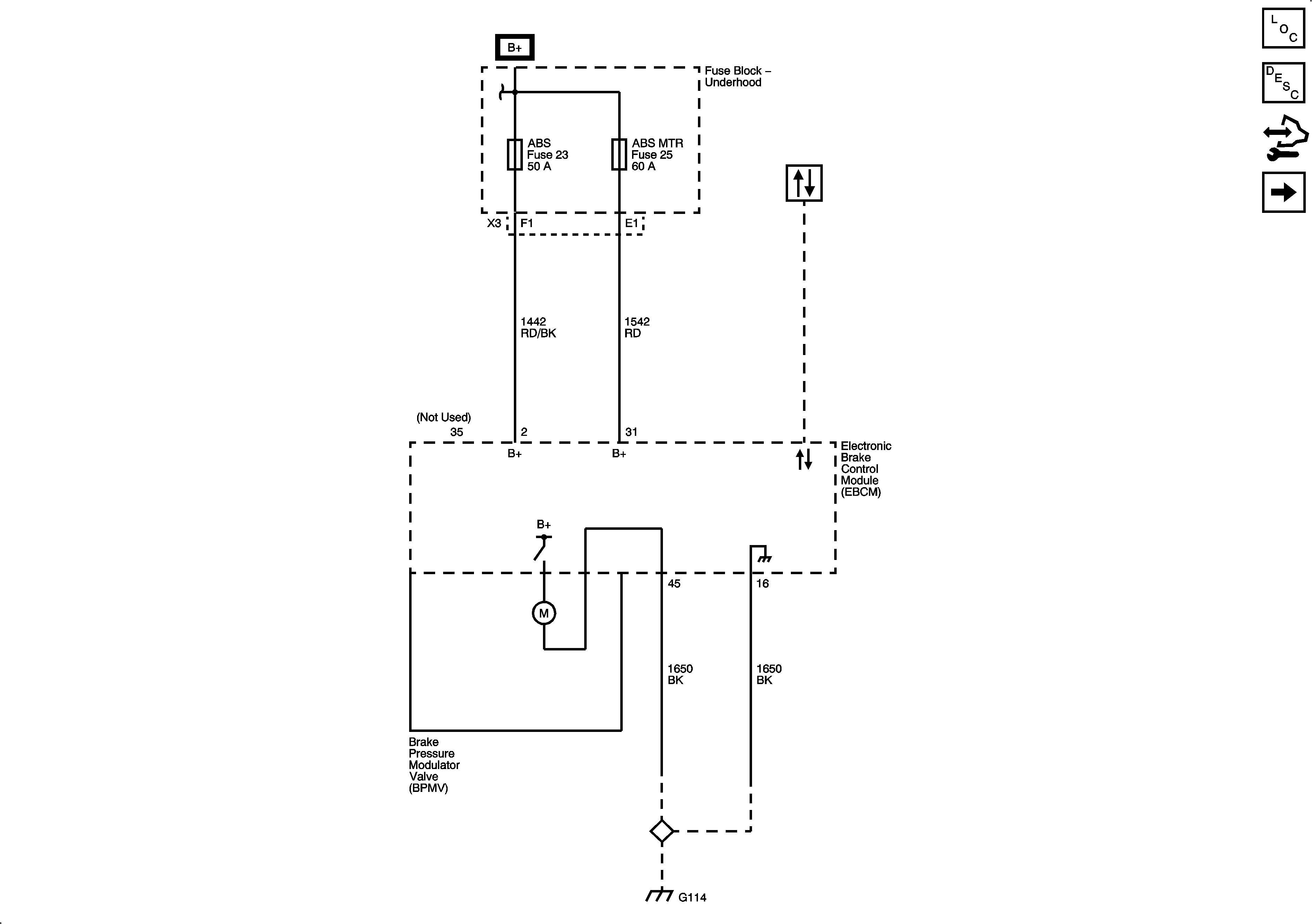
Power and Ground


Object Number: 1885113  Size: FS
Master Electrical Component List
ABS Description and Operation
Control Module References
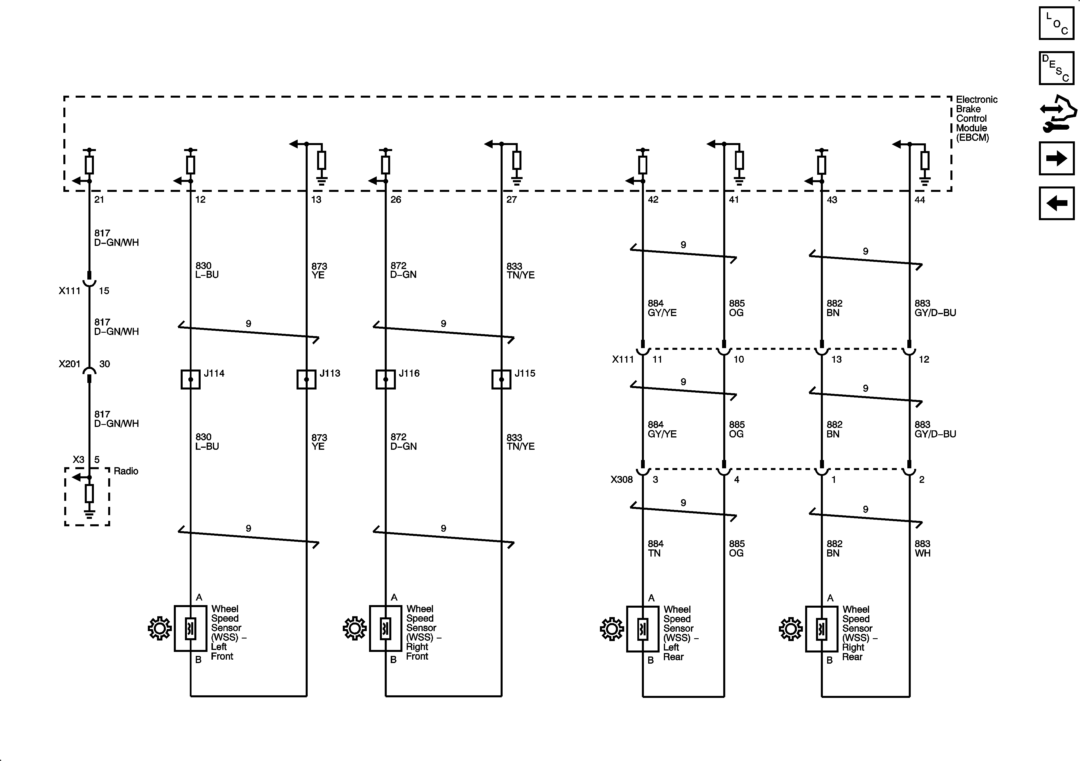
Wheel Speed Sensors
Figure 2:

Wheel Speed Sensors


Object Number: 1885120  Size: FS
Master Electrical Component List
ABS Description and Operation
Control Module References
Power and Ground
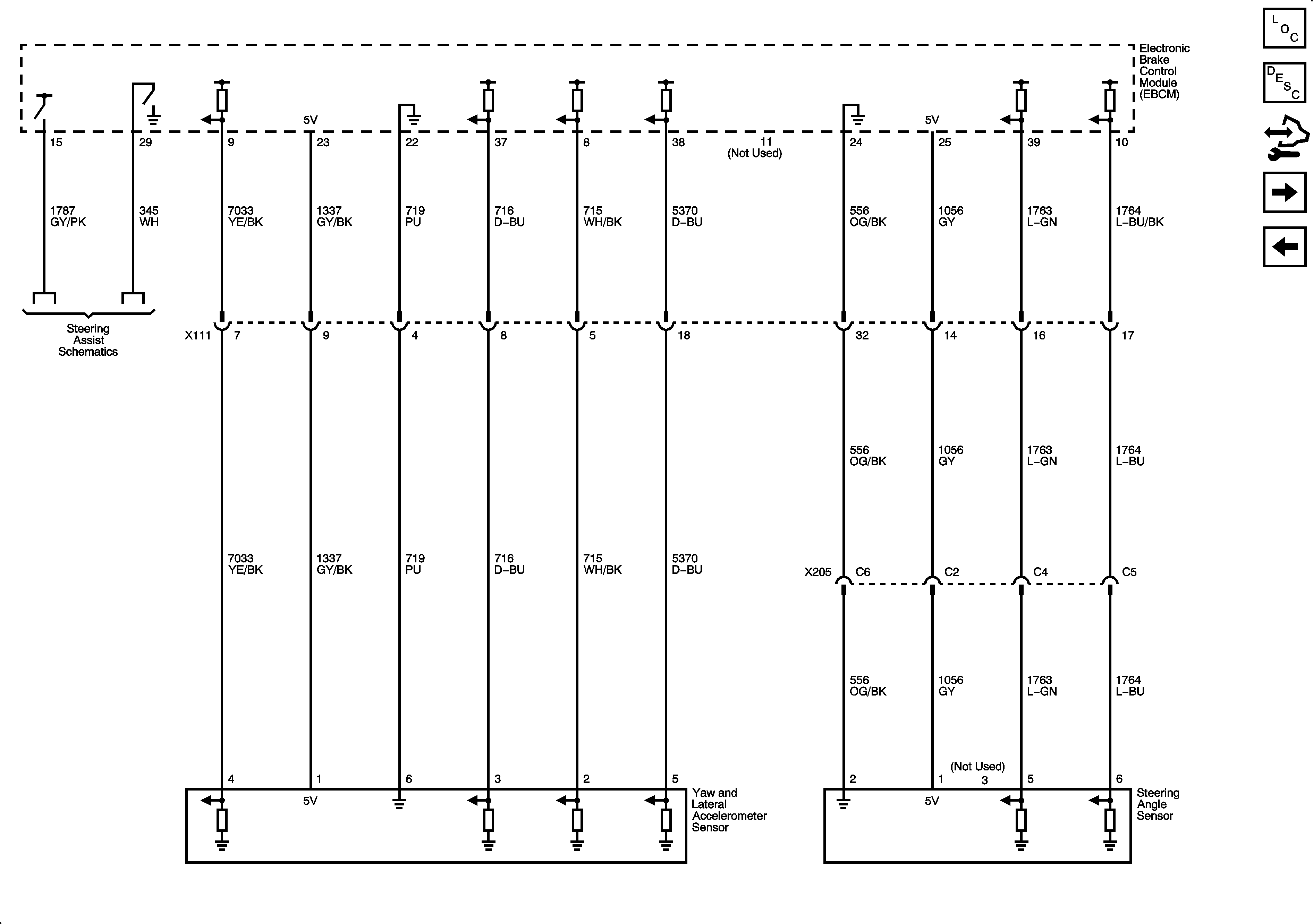
Yaw and Lateral Acceleration, Steering Angle Sensor
Figure 3:

Yaw and Lateral Acceleration, Steering Angle Sensor


Object Number: 1885133  Size: FS
Master Electrical Component List
ABS Description and Operation
Control Module References
Wheel Speed Sensors
Brake Pedal Position, Traction Control Switch, Data Link Communications