GM Service Manual Online
For 1990-2009 cars only
Makes
🢒
Cadillac
🢒
2008
🢒
DTS
🢒
Transmission/Transaxle
🢒
Automatic Transaxle - 4T80-E
🢒 Automatic Transmission Controls Schematics
Figure
1:
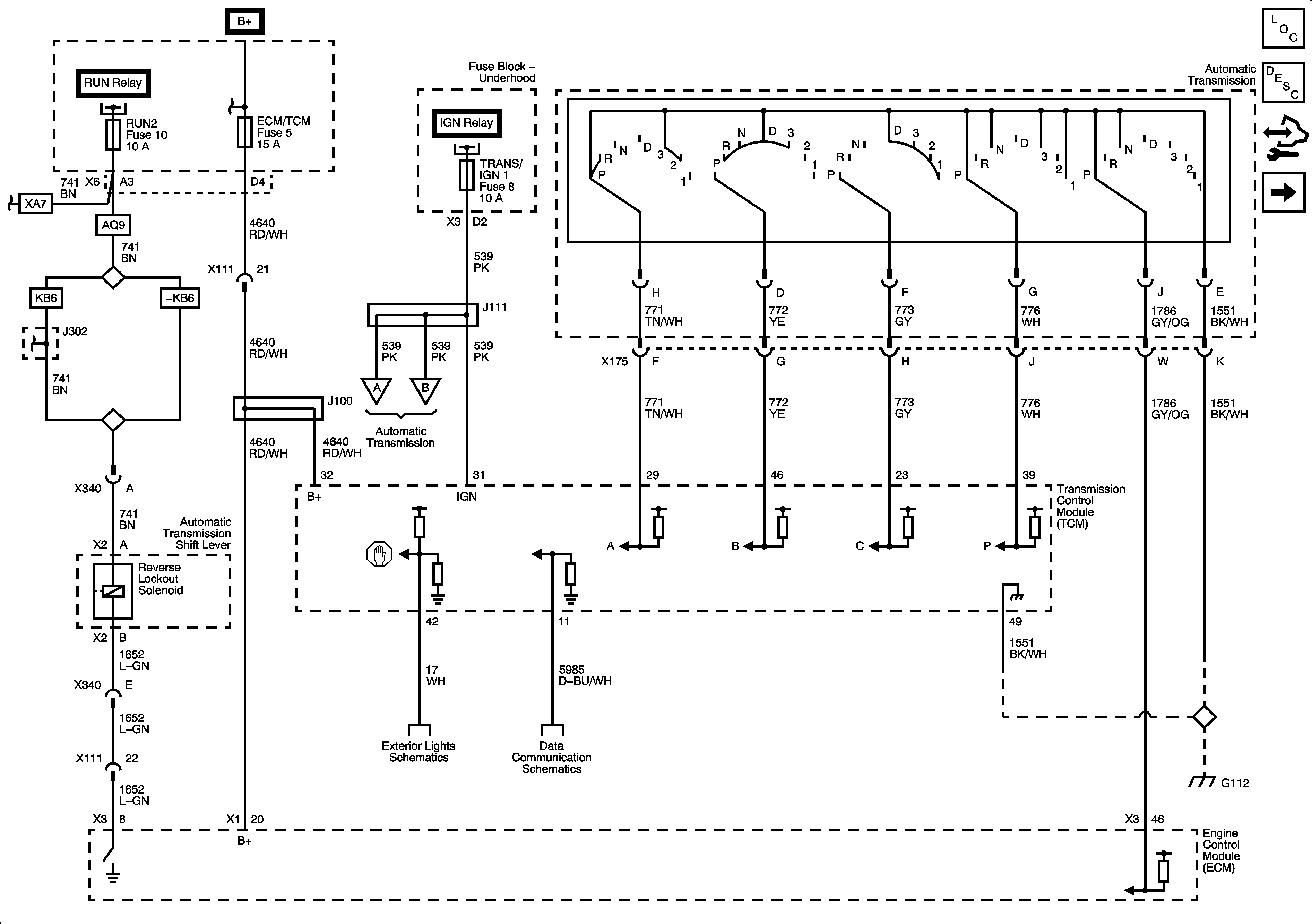
TCM Power and Ground
Master Electrical Component List
Electronic Component Description
Control Module References
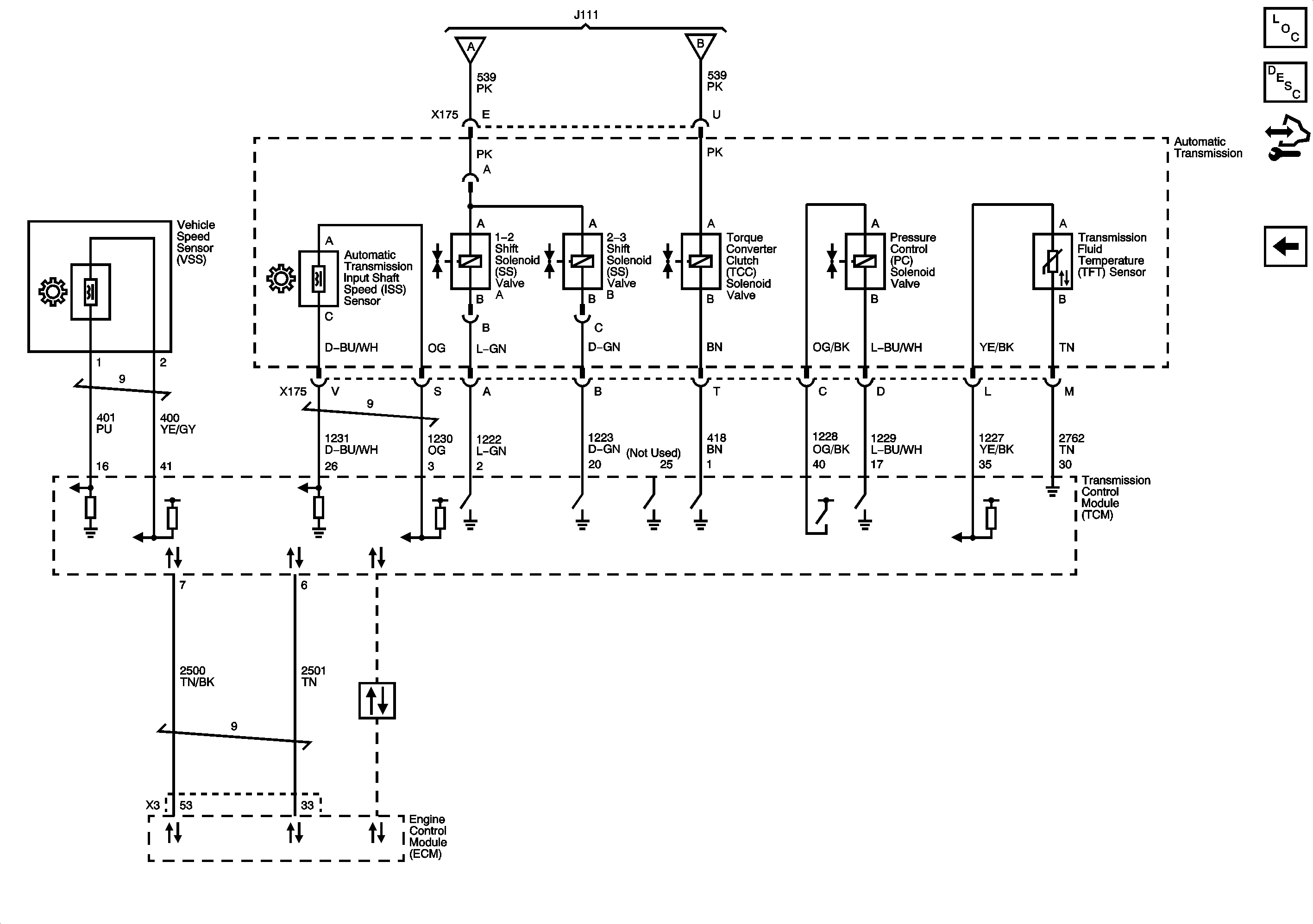
Transmission Solenoids and VSS
Figure
2:
Transmission Solenoids and VSS
Master Electrical Component List
Electronic Component Description
Control Module References
TCM Power and Ground