GM Service Manual Online
For 1990-2009 cars only
Makes
🢒
Cadillac
🢒
2008
🢒
DTS
🢒
Steering
🢒
Power Steering
🢒 Power Steering Schematics
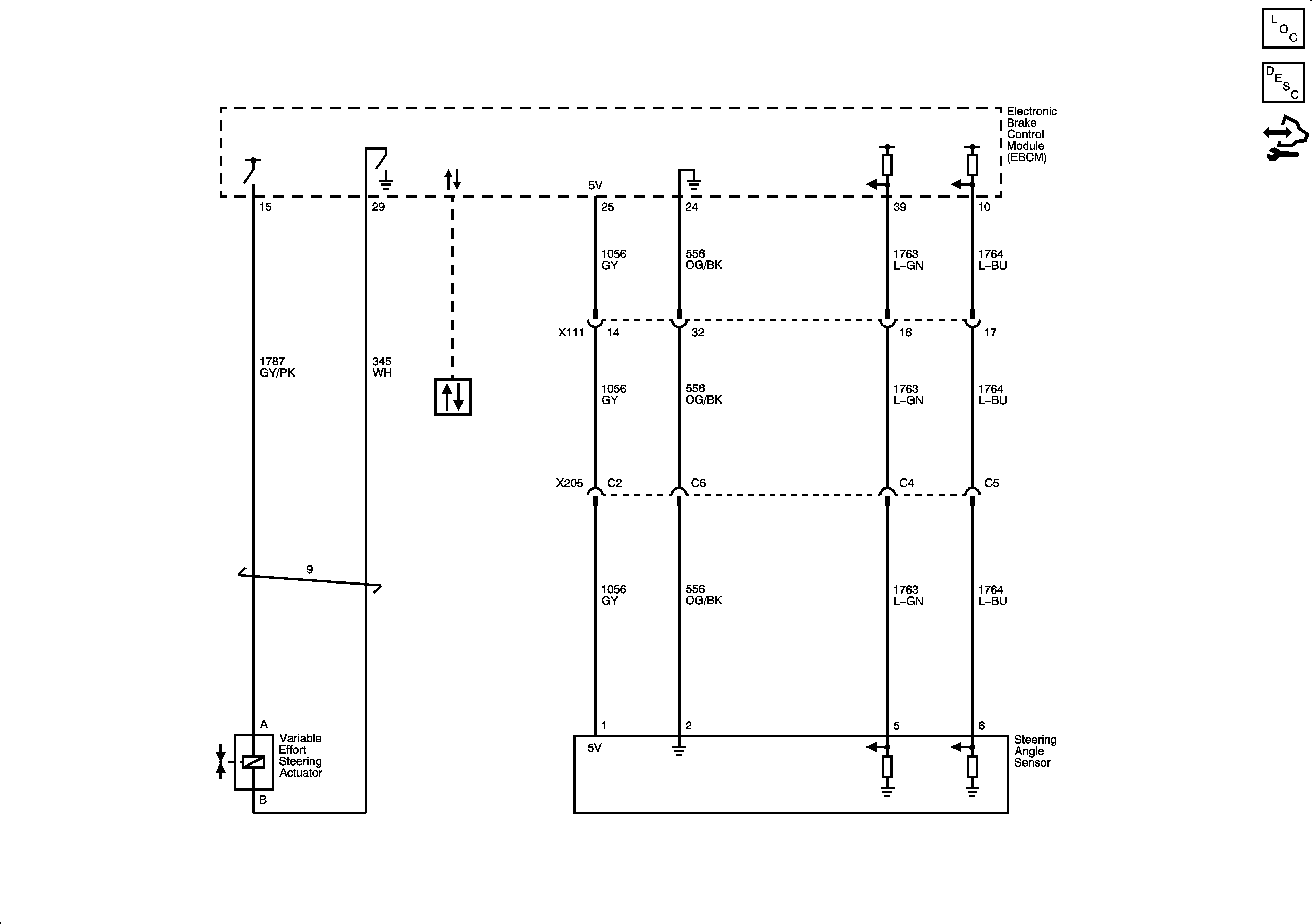
Steering Assist Schematics
Master Electrical Component List
Power Steering System Description and Operation (w/o Electro-Hydraulic Steering)
Control Module References