GM Service Manual Online
For 1990-2009 cars only
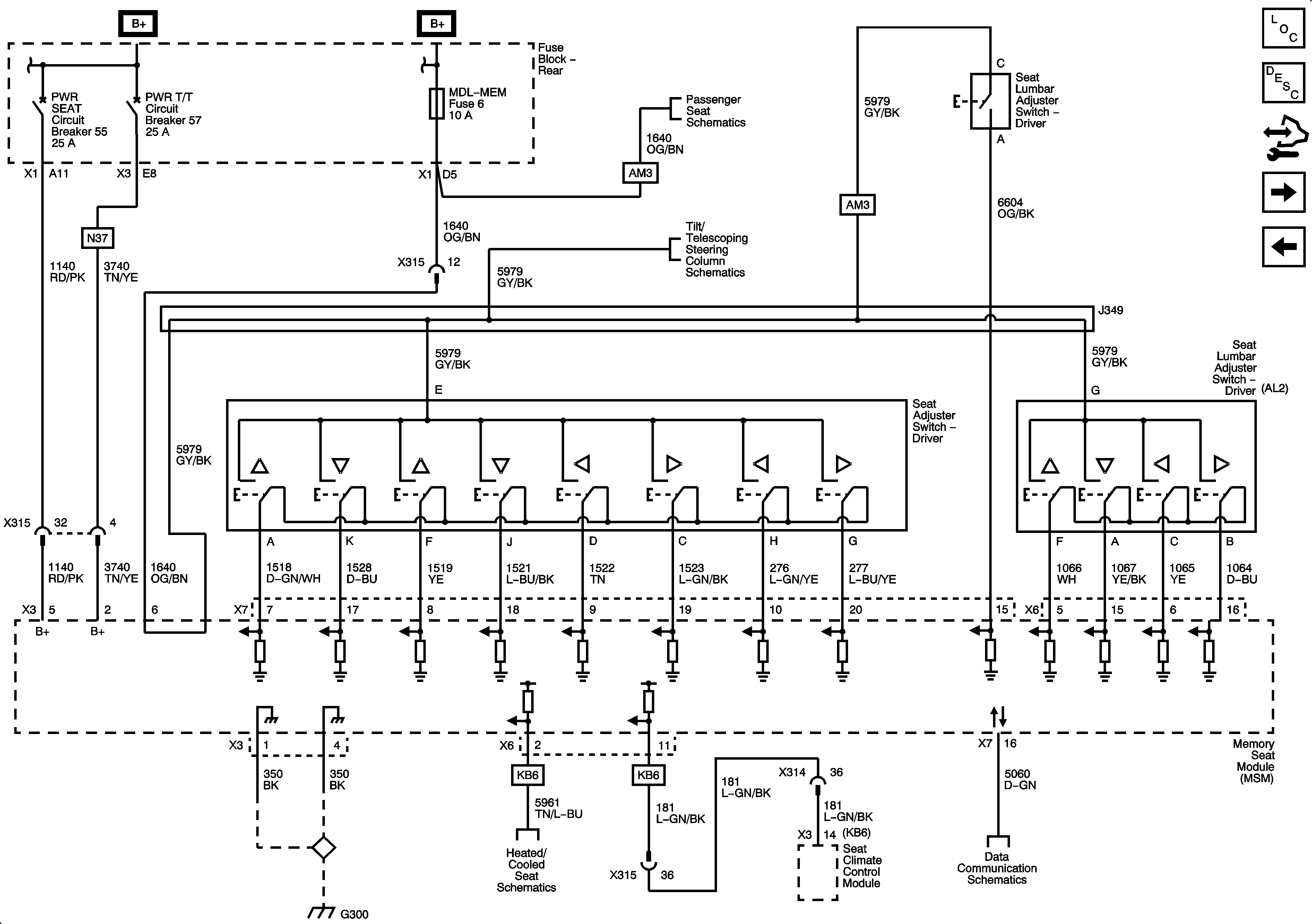
Figure 1:

w/o A45


Object Number: 1885887  Size: FS
Master Electrical Component List
Power Seats System Description and Operation
Control Module References
w/ A45
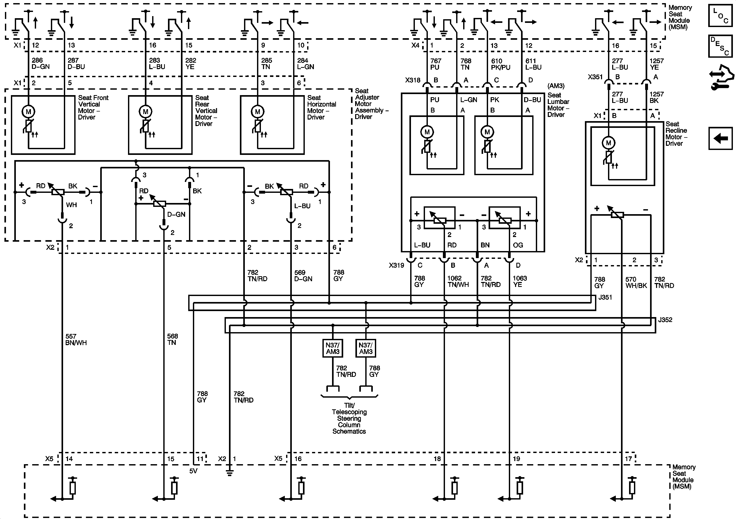
Figure 2:

w/A45


Object Number: 1885889  Size: FS
Master Electrical Component List
Memory Seats Description and Operation
Control Module References
w/o A45
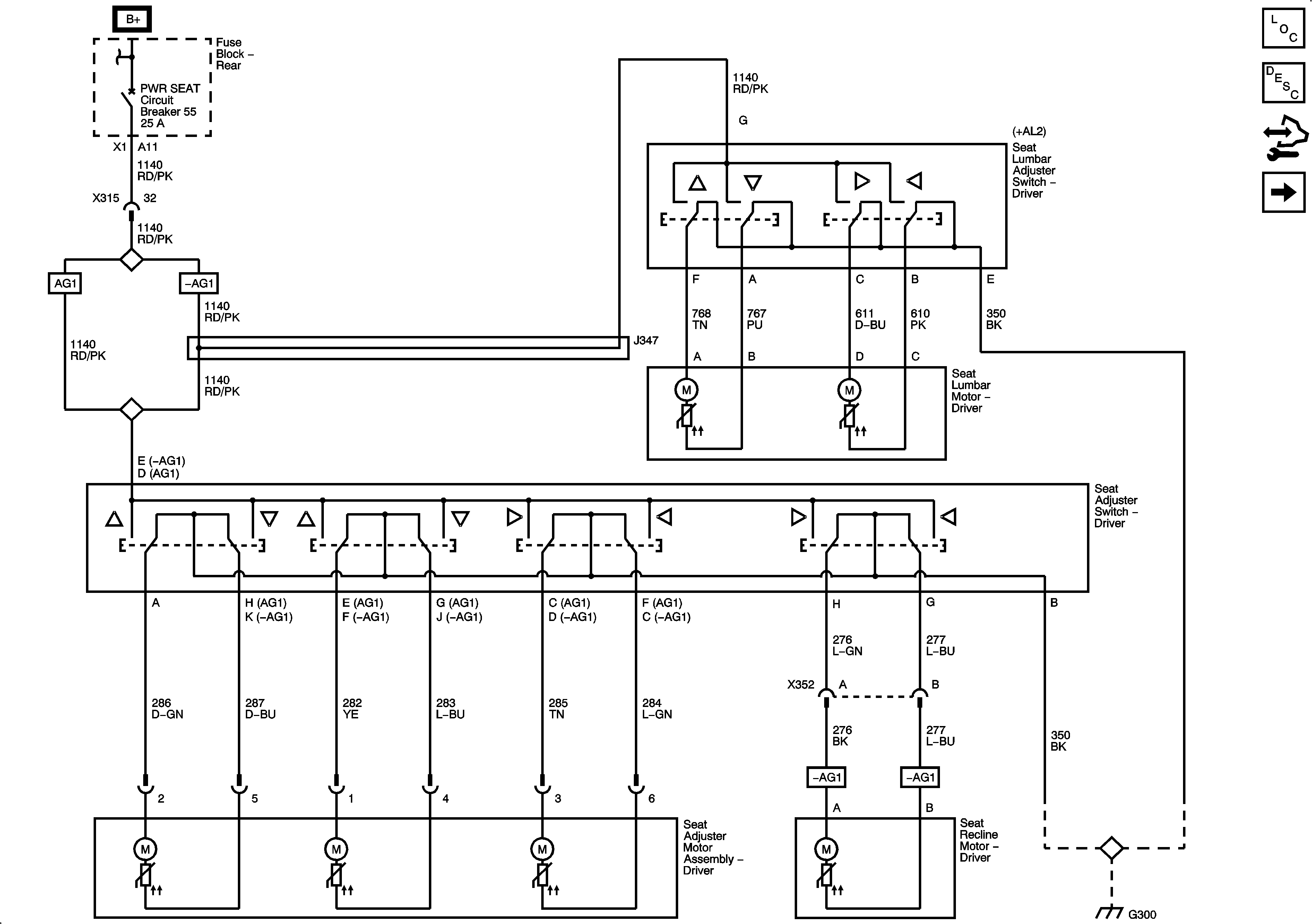
Position Sensors
Figure 3:

Position Sensors


Object Number: 1885892  Size: FS
Master Electrical Component List
Memory Seats Description and Operation
Control Module References
w/ A45