GM Service Manual Online
For 1990-2009 cars only
Makes
🢒
Cadillac
🢒
2008
🢒
DTS
🢒
Seats
🢒
Power Seats
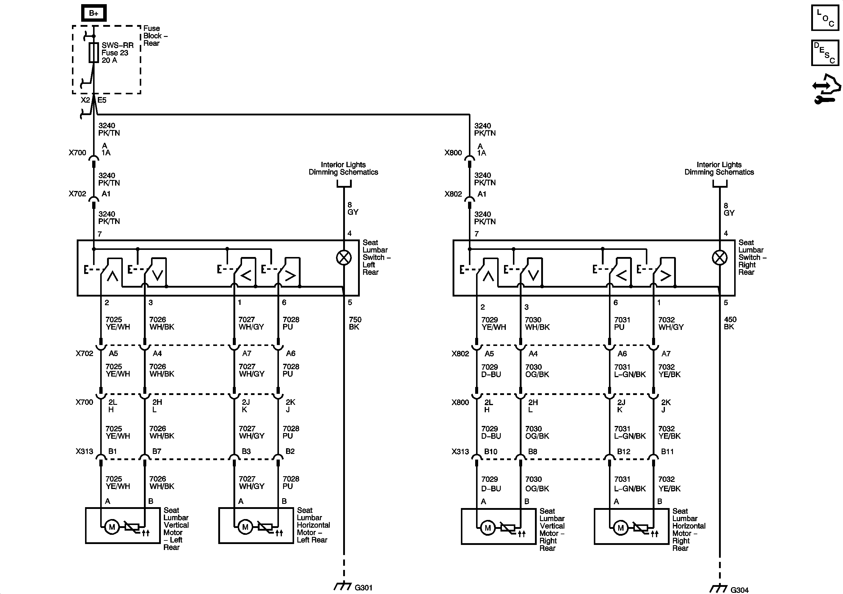
🢒 Rear Seat Schematics
w/ARC
Master Electrical Component List
Lumbar Support Description and Operation (With Memory A45)
Control Module References