GM Service Manual Online
For 1990-2009 cars only
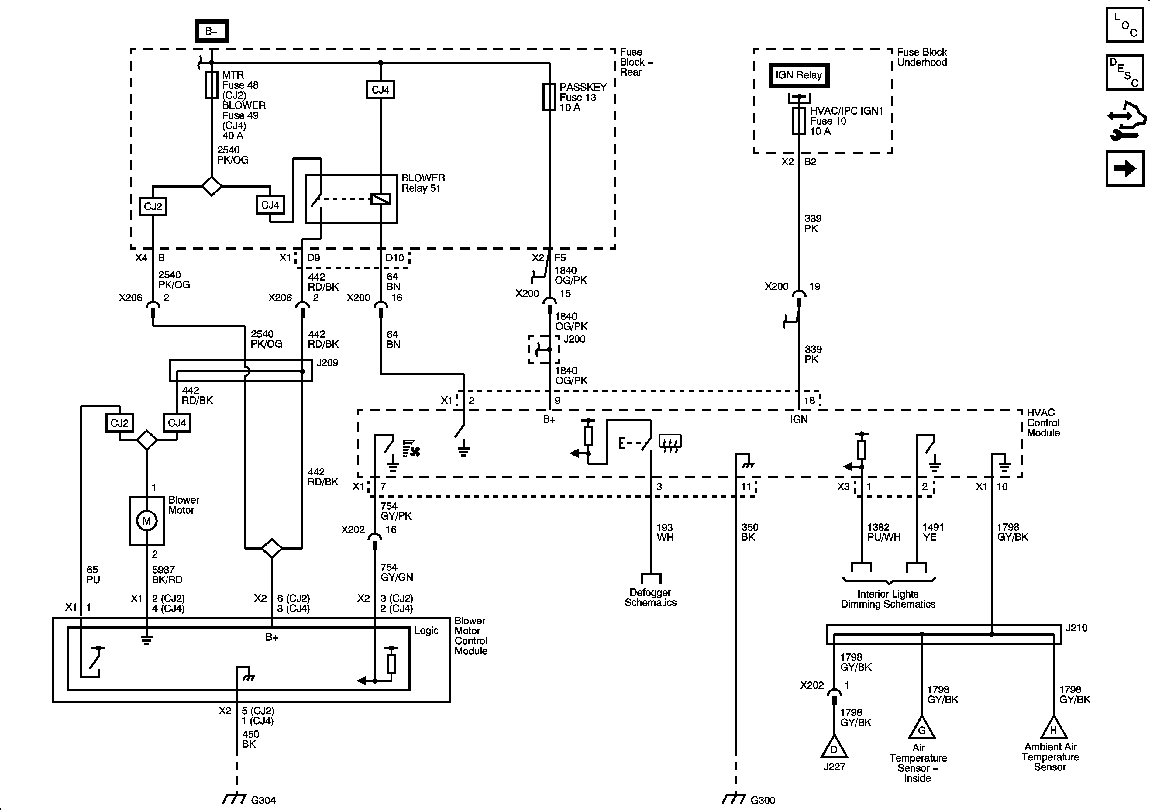
Figure 1:

Power, Ground, Blower Motor Controls


Object Number: 1885059  Size: FS
Master Electrical Component List
Air Delivery Description and Operation
Control Module References
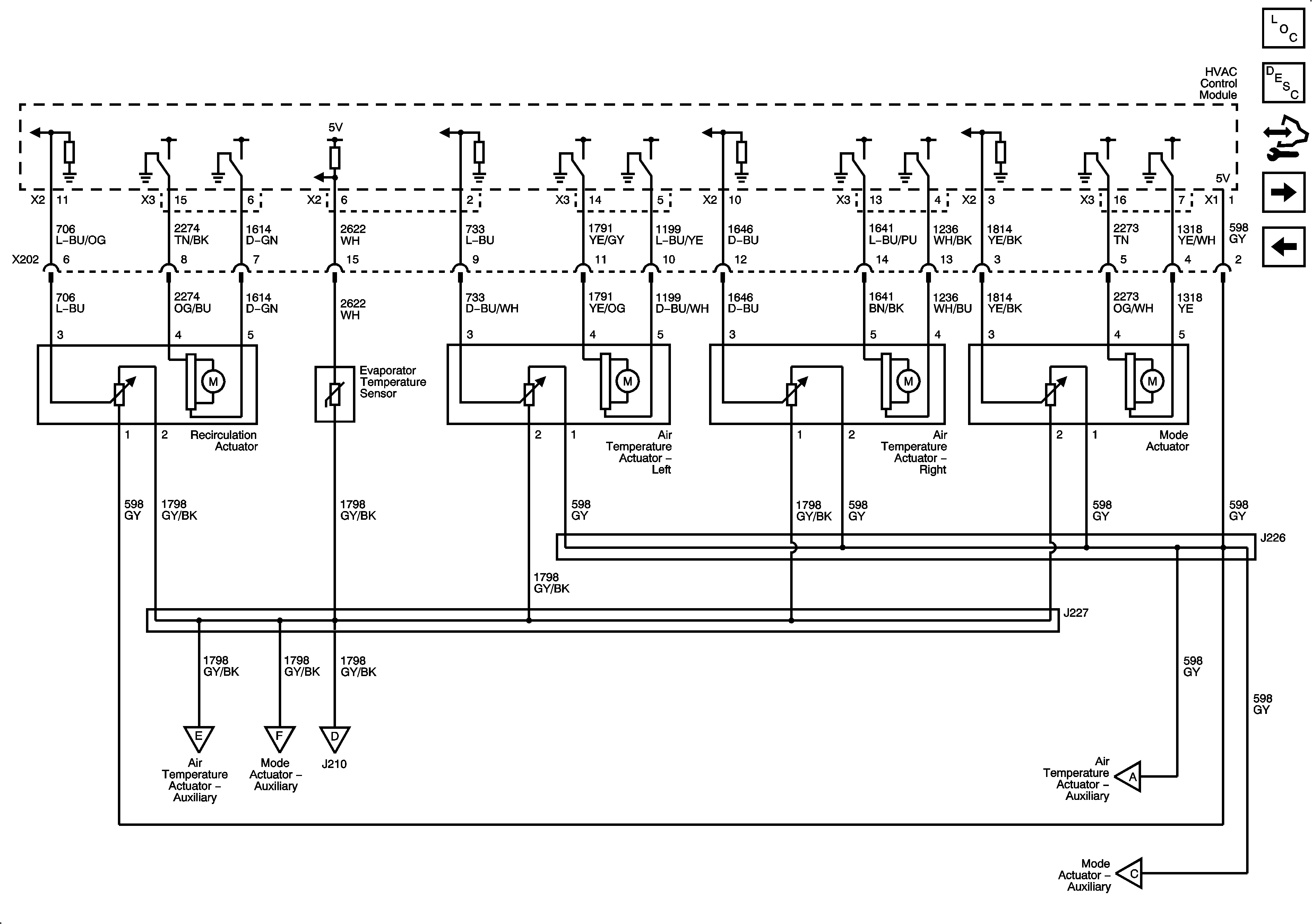
Figure 2:

Mode and Air Temperature Controls


Object Number: 1885061  Size: FS
Master Electrical Component List
Air Delivery Description and Operation
Control Module References
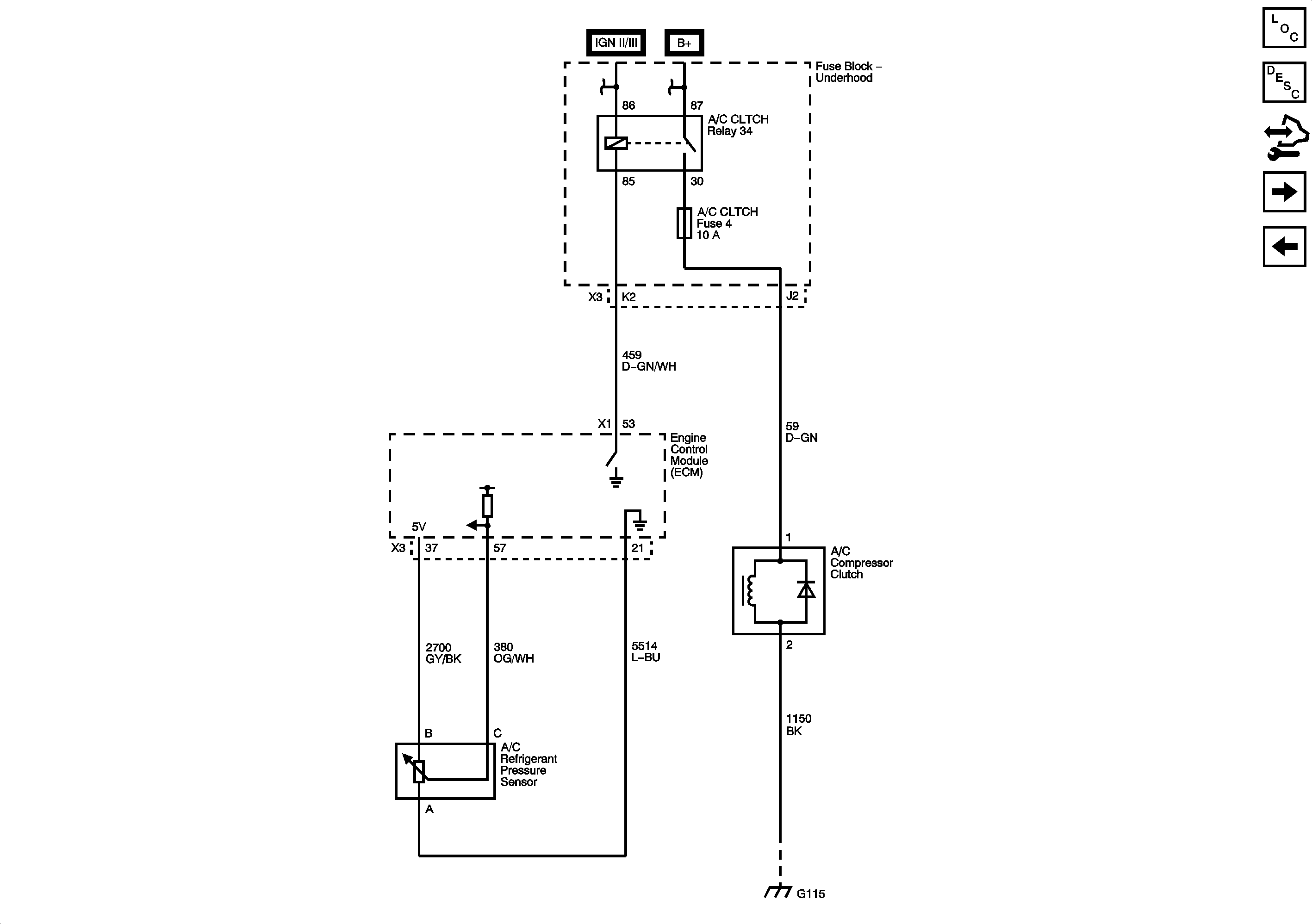
Figure 3:

Compressor Controls


Object Number: 1885063  Size: FS
Master Electrical Component List
Air Temperature Description and Operation
Control Module References
Figure 4:

Air Temperature Sensors


Object Number: 1885065  Size: FS
Master Electrical Component List
Air Temperature Description and Operation
Control Module References
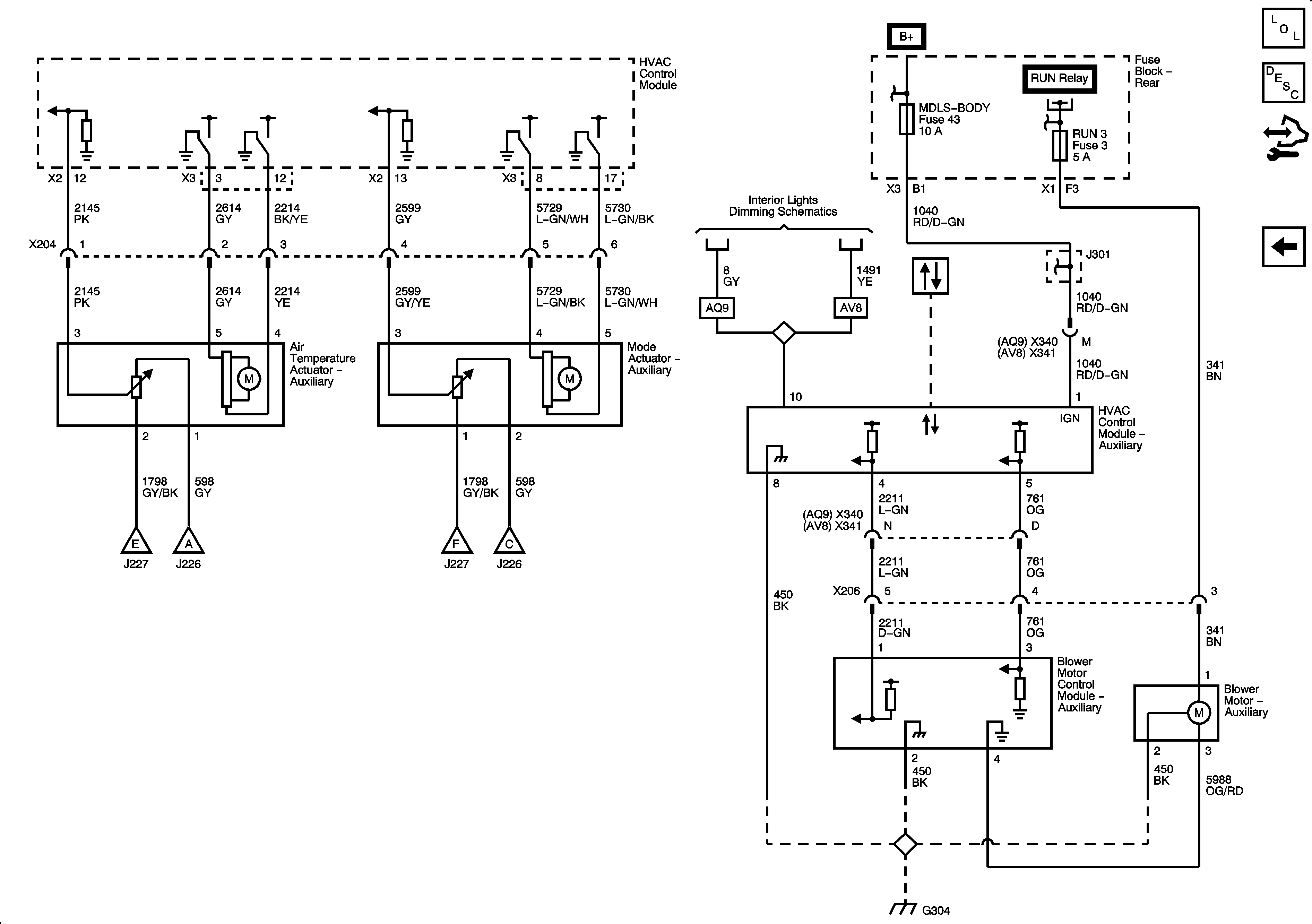
Figure 5:

Auxiliary HVAC (CJ4)


Object Number: 1885070  Size: FS
Master Electrical Component List
Air Delivery Description and Operation
Control Module References