GM Service Manual Online
For 1990-2009 cars only
Figure 1:

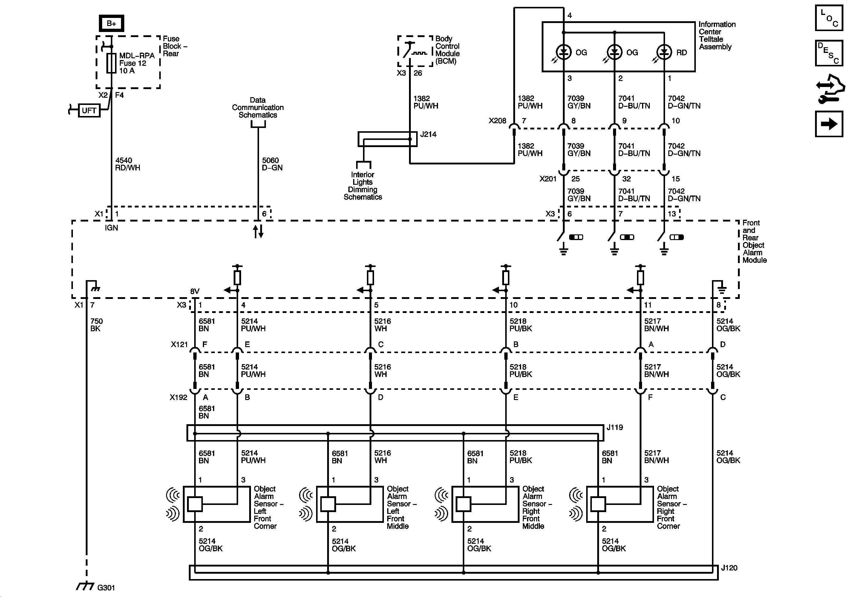
Front Park Assist - UFR


Object Number: 1885474  Size: FS
Master Electrical Component List
Object Detection Description and Operation (Rear Park Assist)
Control Module References
Rear Park Assist UFR
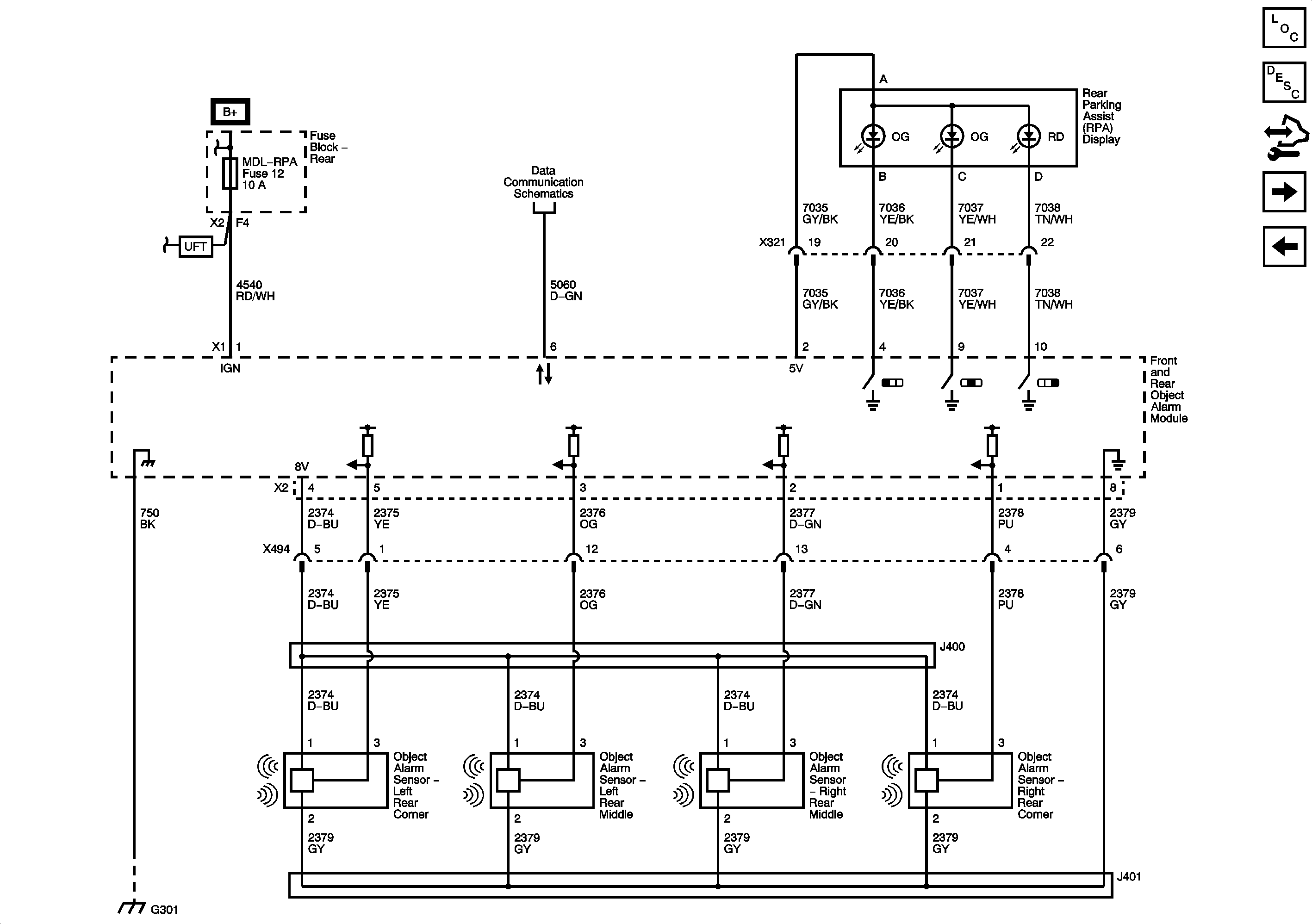
Figure 2:

Rear Park Assist - UFR


Object Number: 1885477  Size: FS
Master Electrical Component List
Object Detection Description and Operation (Rear Park Assist)
Control Module References
Front Park Assist UFR
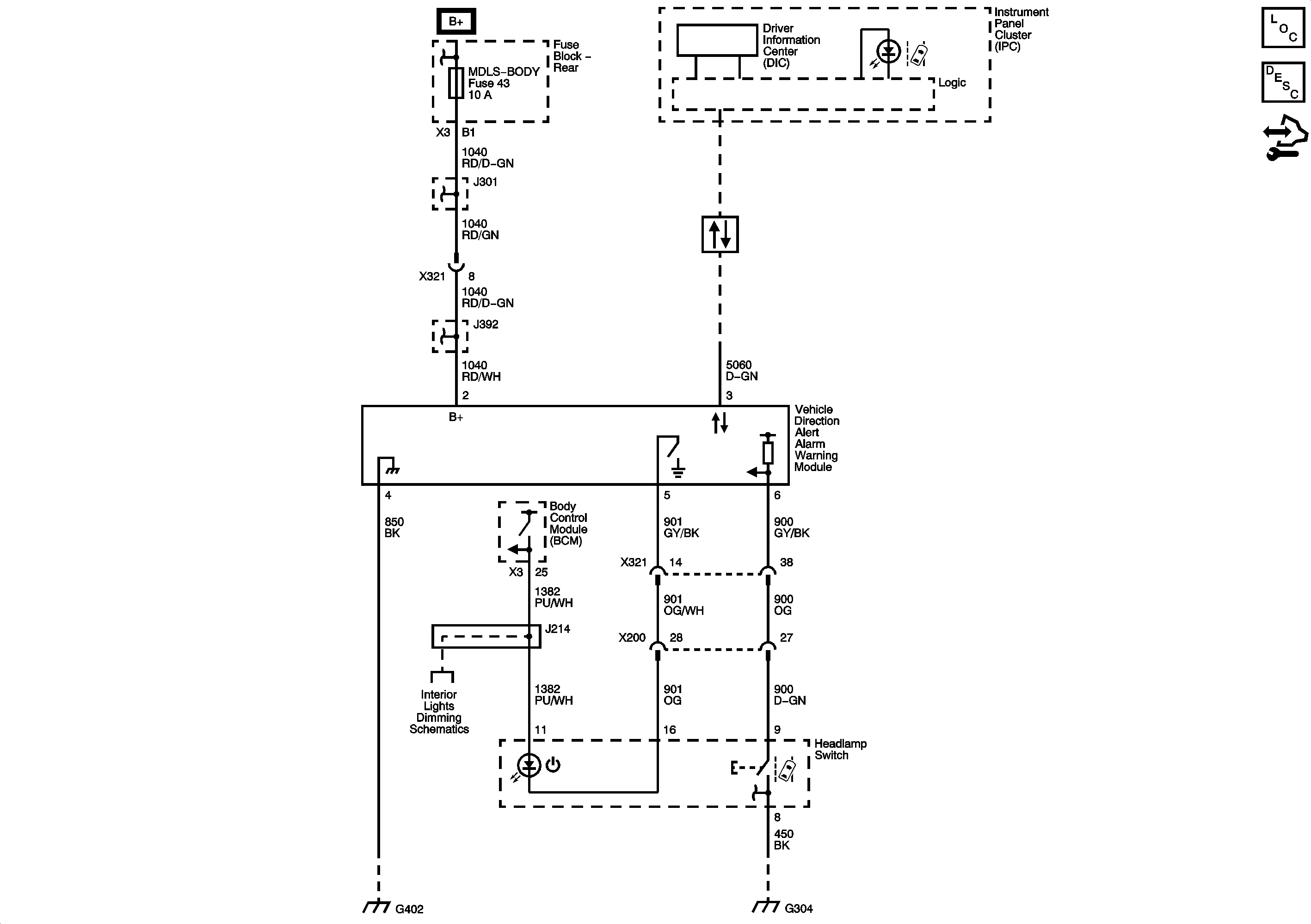
Lane Departure Warning System - UFL
Figure 3:

Lane Departure Warning System - UFL


Object Number: 1892667  Size: FS
Master Electrical Component List
Object Detection Description and Operation (VDAAW)
Control Module References
Rear Park Assist UFR
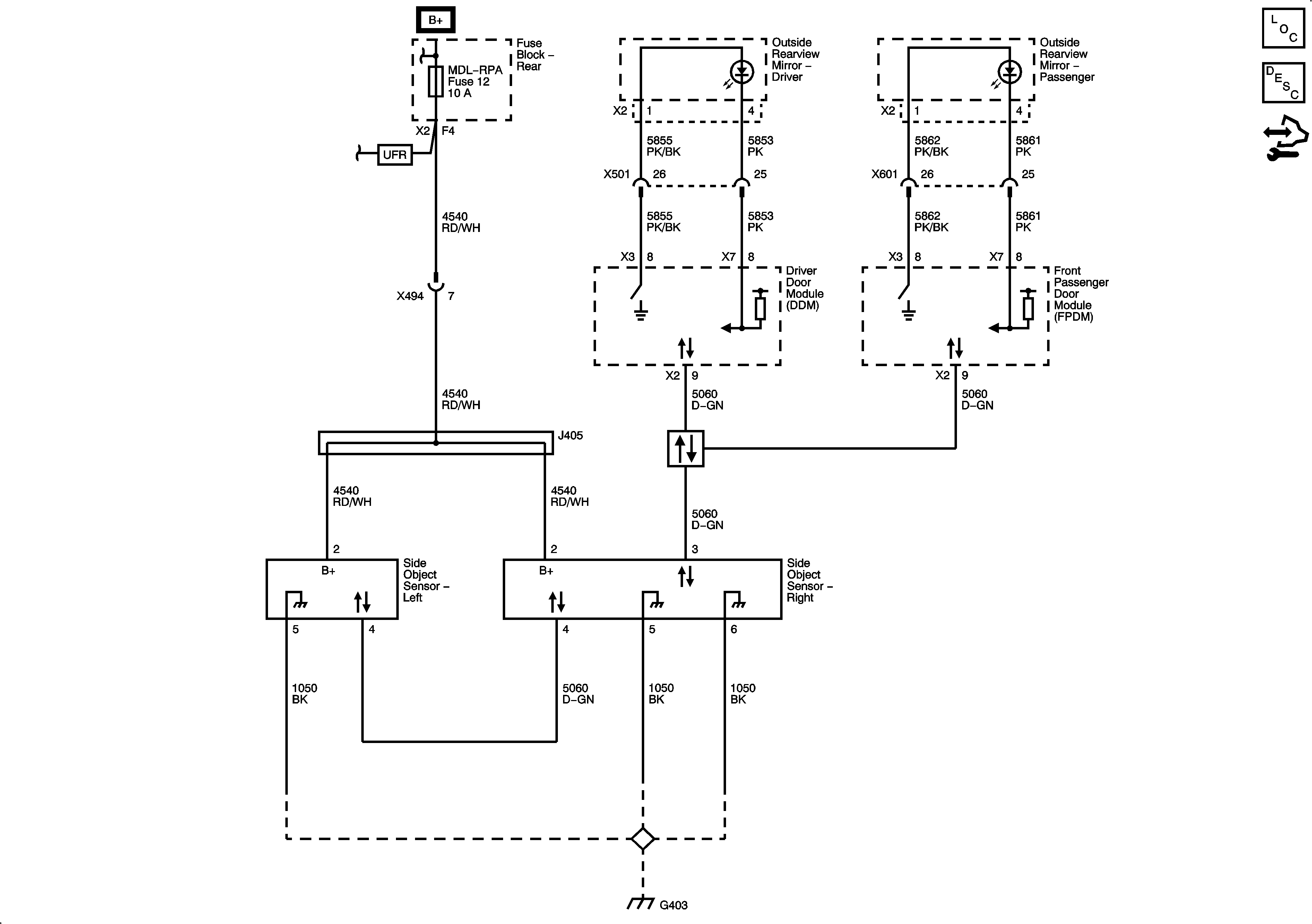
Side Object Detection - UFT
Figure 4:

Side Object Detection - UFT


Object Number: 1892670  Size: FS
Master Electrical Component List
Object Detection Description and Operation (SOD)
Control Module References
Lane Departure Warning System - UFL