GM Service Manual Online
For 1990-2009 cars only
Figure 1:

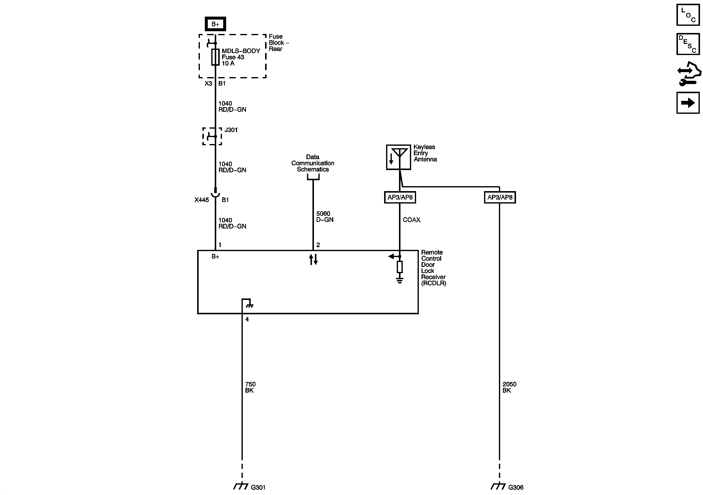
Remote Control Door Lock Receiver (RCDLR)


Object Number: 1885482  Size: FS
Master Electrical Component List
Keyless Entry System Description and Operation without Accessory 2 Way Remote
Control Module References
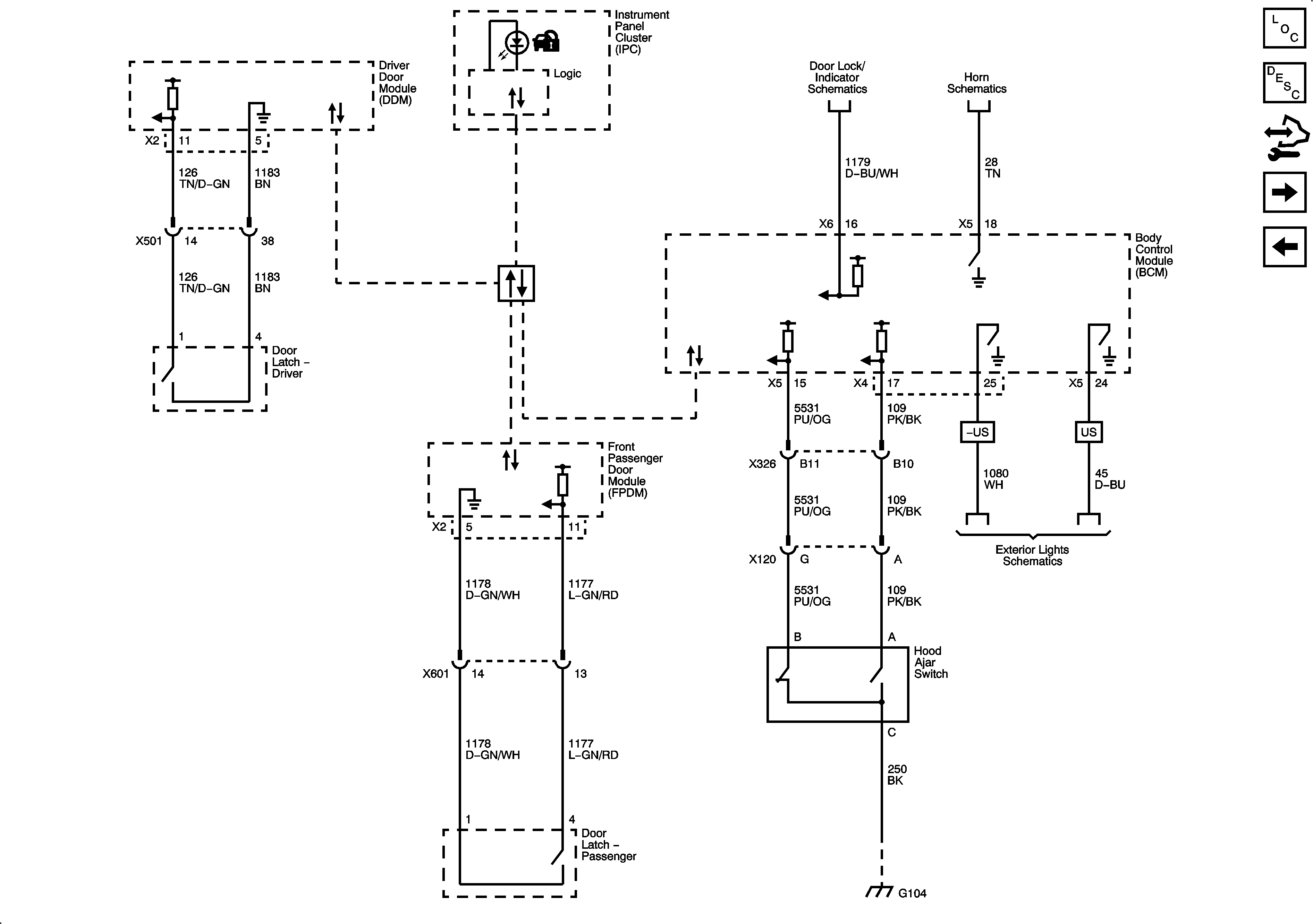
Door Latch Assemblies and Hood Ajar Switch
Figure 2:

Door Latch Assemblies and Hood Ajar Switch


Object Number: 1885485  Size: FS
Master Electrical Component List
Keyless Entry System Description and Operation without Accessory 2 Way Remote
Control Module References
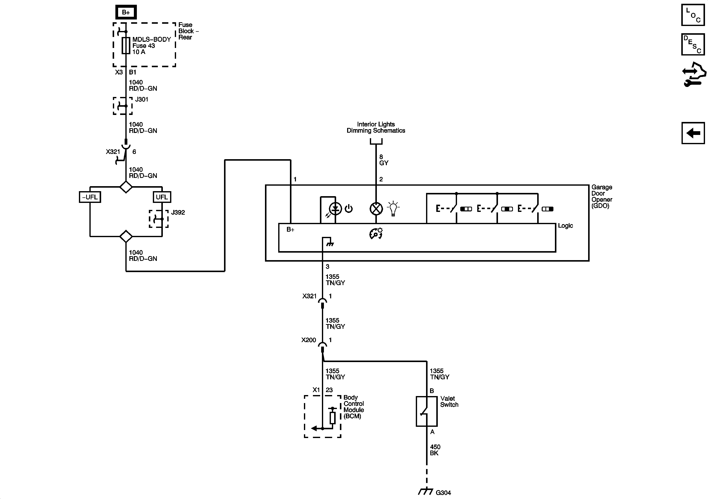
Garage Door Opener
Remote Control Door Lock Receiver (RCDLR)
Figure 3:

Garage Door Opener


Object Number: 1885480  Size: FS
Master Electrical Component List
Garage Door Opener Description and Operation
Control Module References
Door Latch Assemblies and Hood Ajar Switch