GM Service Manual Online
For 1990-2009 cars only
Figure 1:

Driver Door Module, Power and Ground


Object Number: 2082272  Size: FS
Figure 2:

Front Passenger Door Module, Power and Ground


Object Number: 2082273  Size: FS
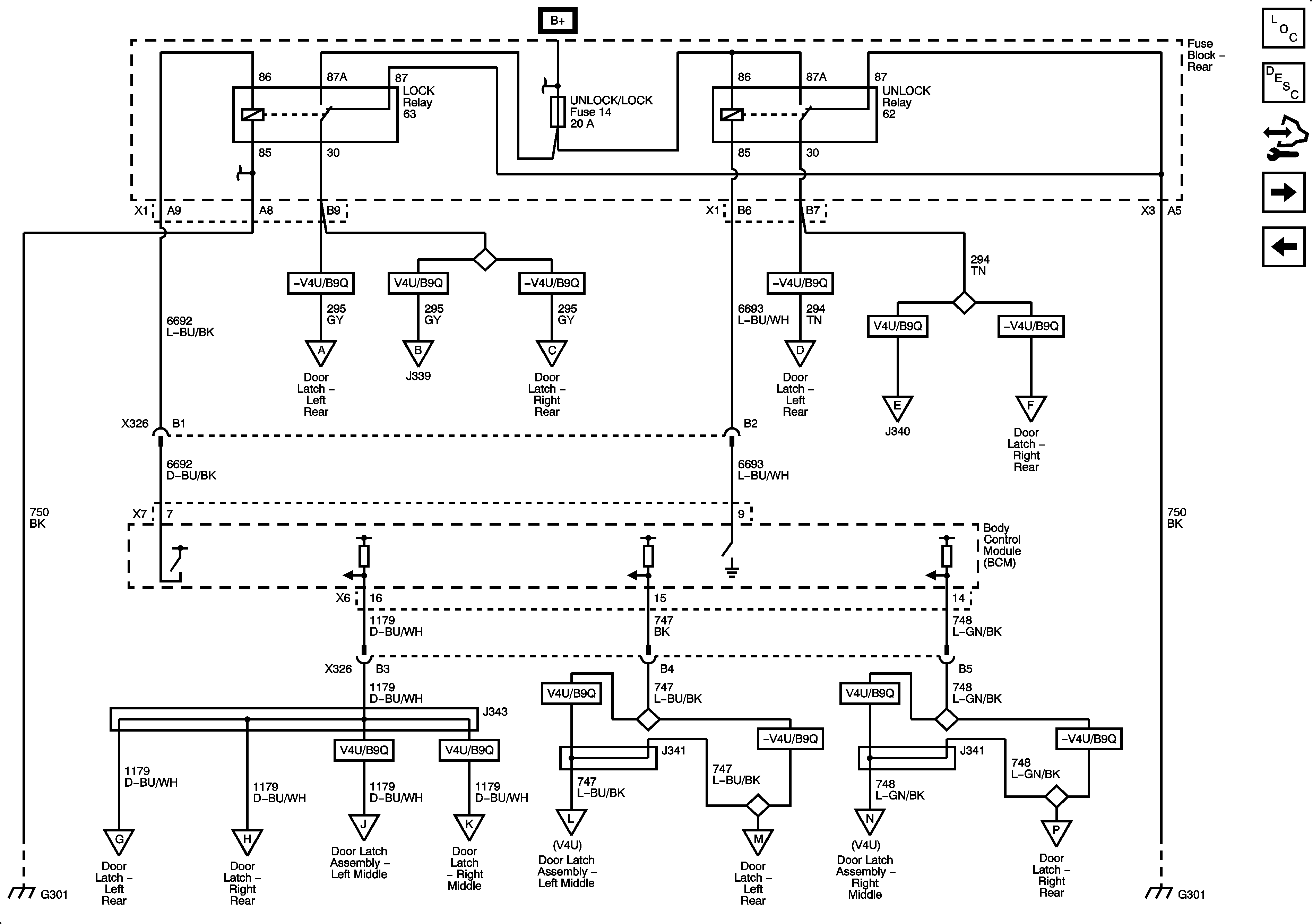
Figure 3:

Door Lock, Unlock Relays


Object Number: 2082275  Size: FS
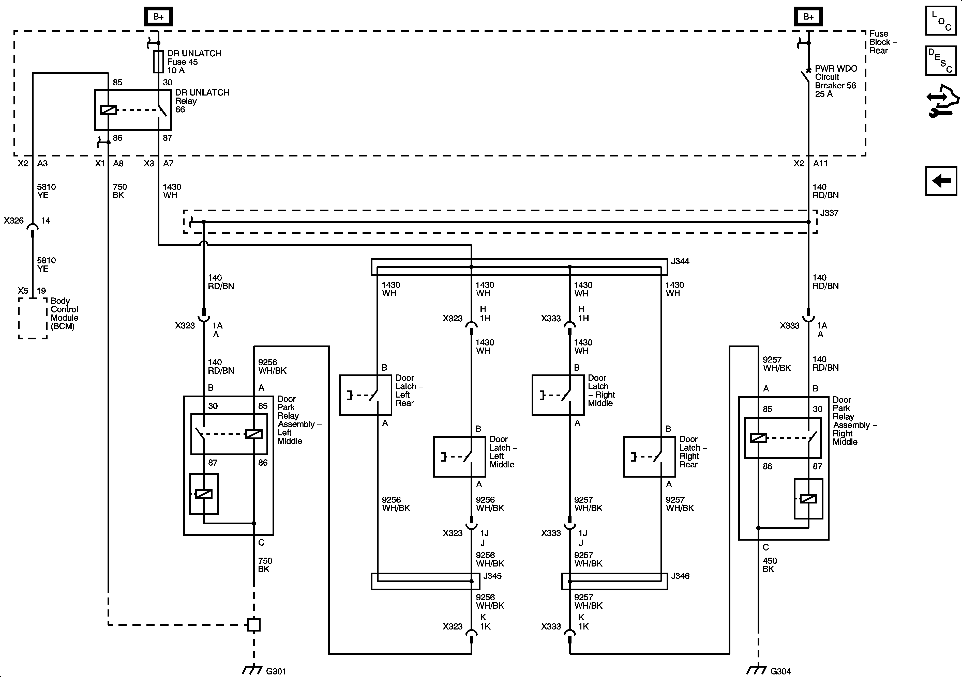
Figure 4:

Rear Door Latch Assemblies


Object Number: 2082277  Size: FS
Figure 5:

Middle Door Latch Assemblies (V4U)


Object Number: 2082278  Size: FS
Figure 6:

Rear Door Latch Assemblies (B9Q)


Object Number: 2082279  Size: FS
Figure 7:

Door Release Switch (V4U)


Object Number: 2082280  Size: FS