GM Service Manual Online
For 1990-2009 cars only
Figure 1:

Power, Ground, MIL and DLC


Object Number: 2082329  Size: FS
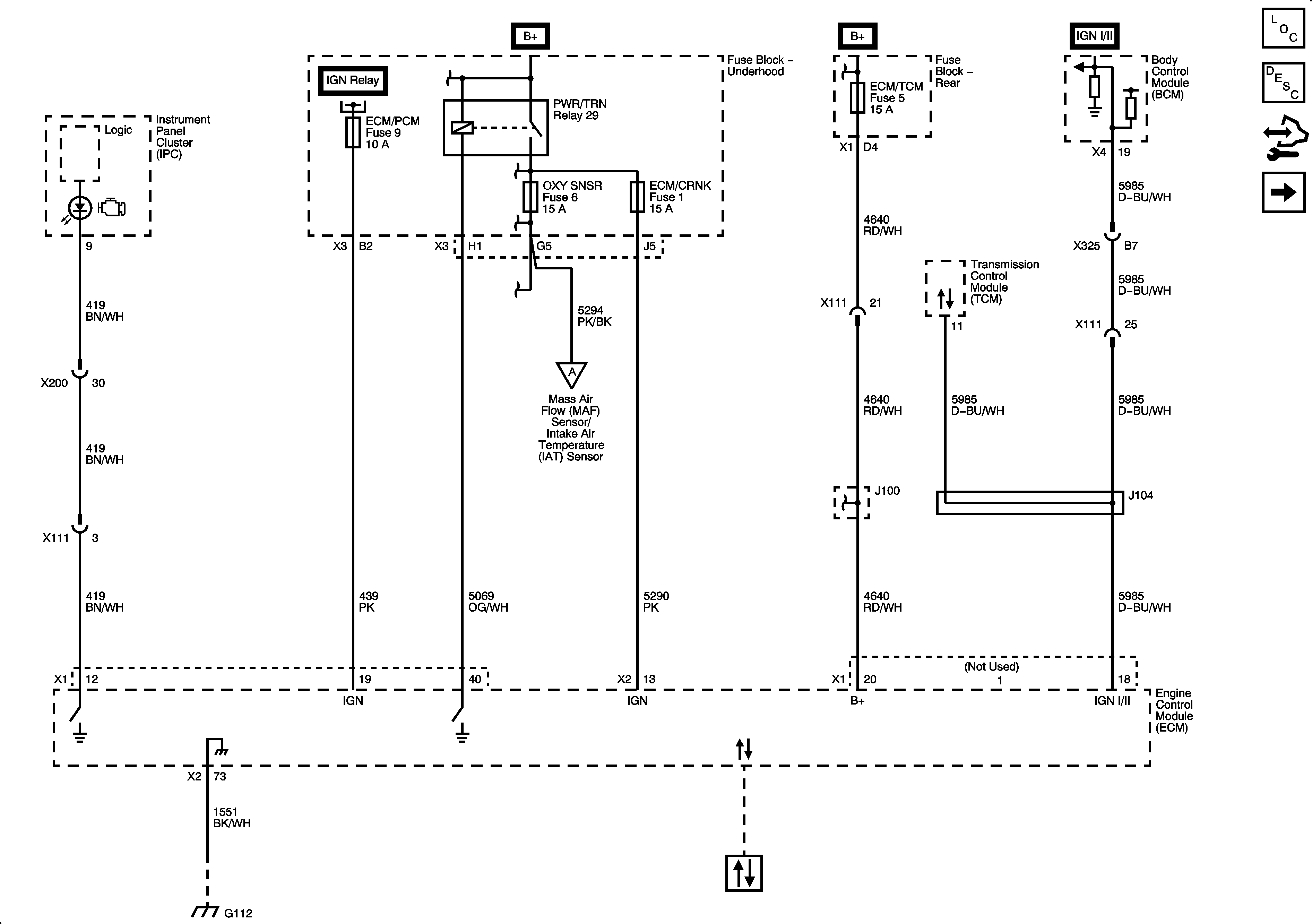
Figure 2:

Engine Data Sensors, 5V Reference Bussing


Object Number: 2082330  Size: FS
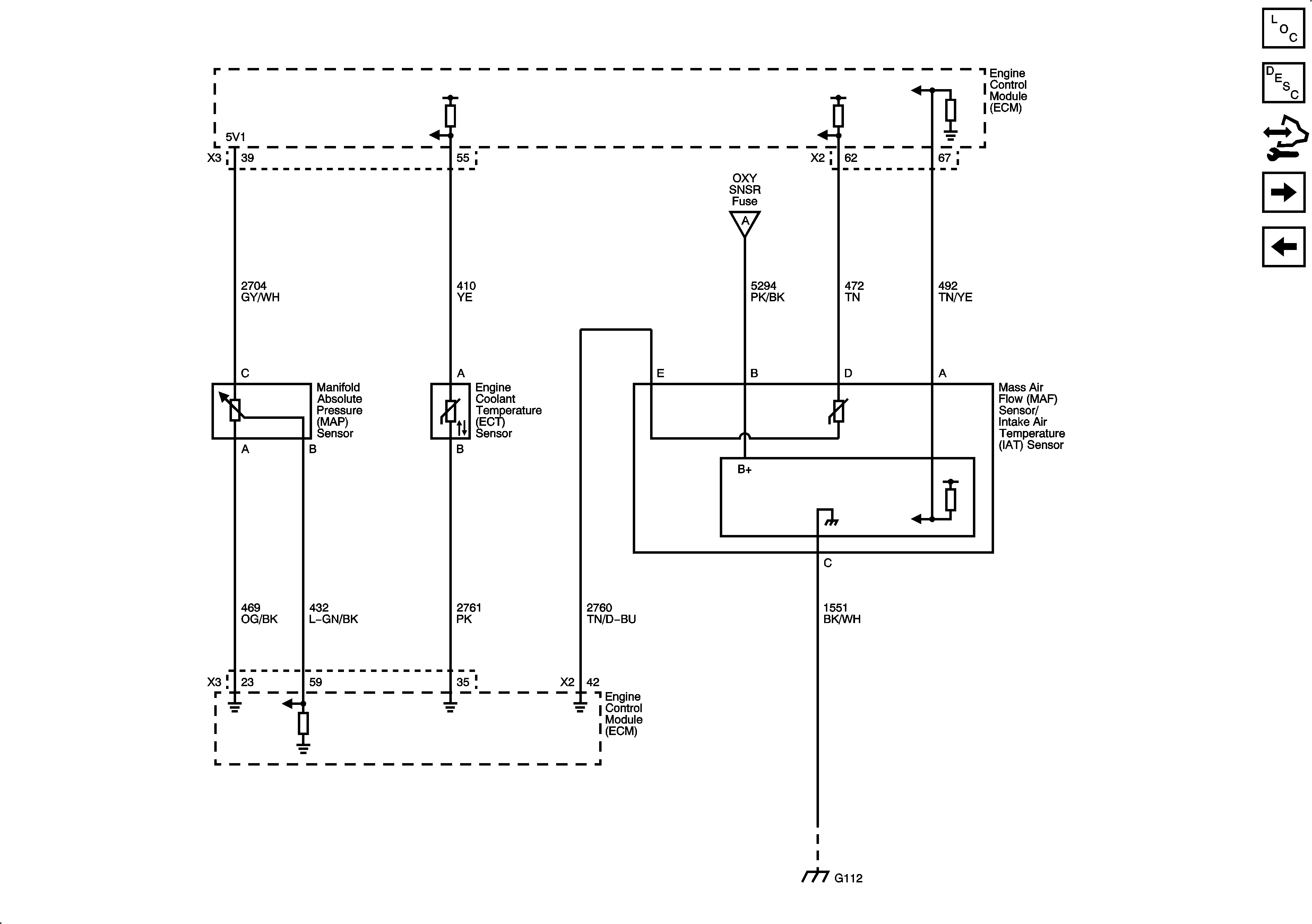
Figure 3:

Engine Data Sensors, Pressure, Temp and MAF/IAT


Object Number: 2082331  Size: FS
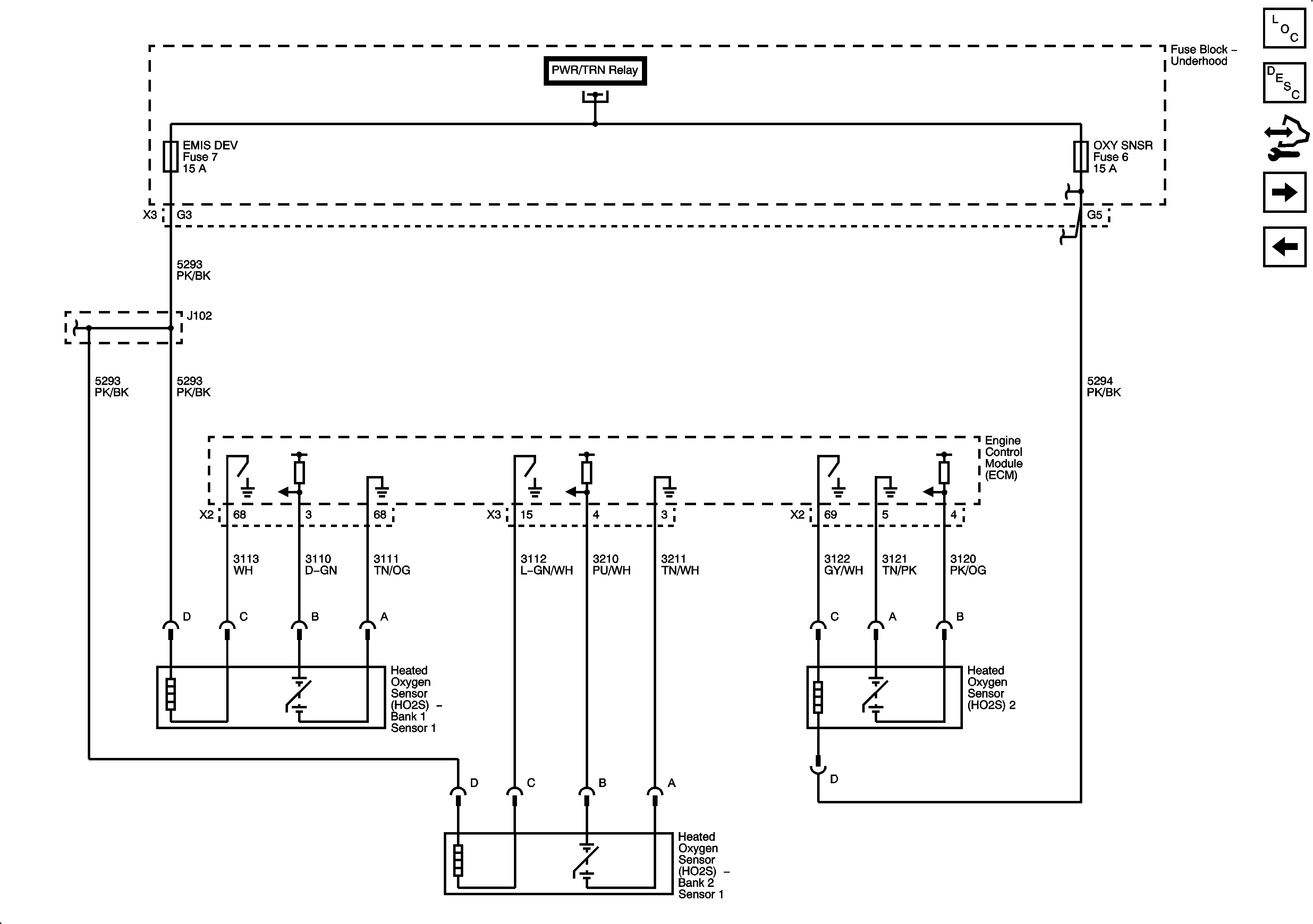
Figure 4:

Engine Data Sensors, HO2S


Object Number: 2082332  Size: FS
Figure 5:

Engine Data Sensors, APP and Throttle Body Assembly


Object Number: 2082333  Size: FS
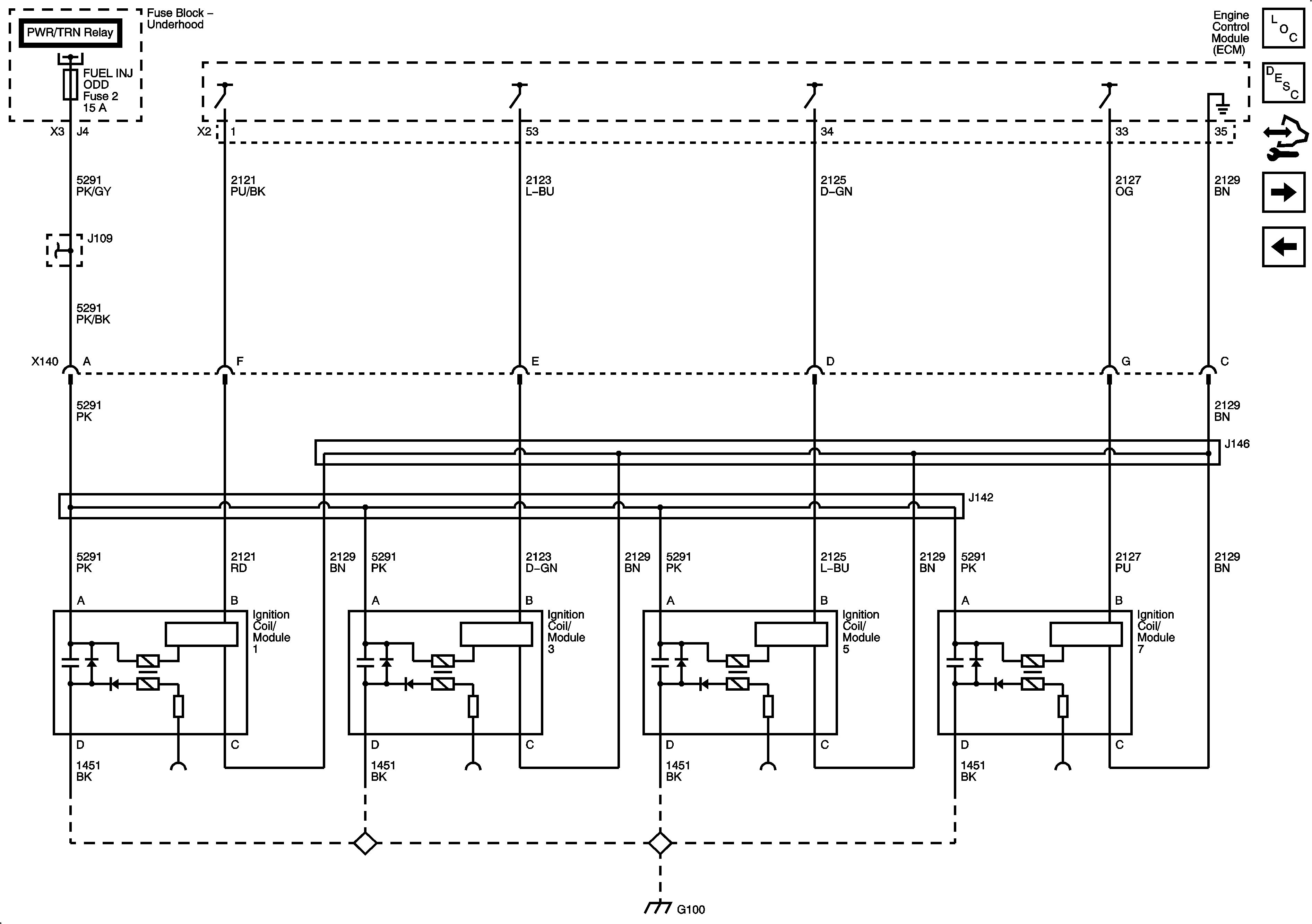
Figure 6:

Ignition Controls 1 of 2


Object Number: 2082334  Size: FS
Figure 7:

CKP, CMP, Knock Sensors


Object Number: 2082335  Size: FS
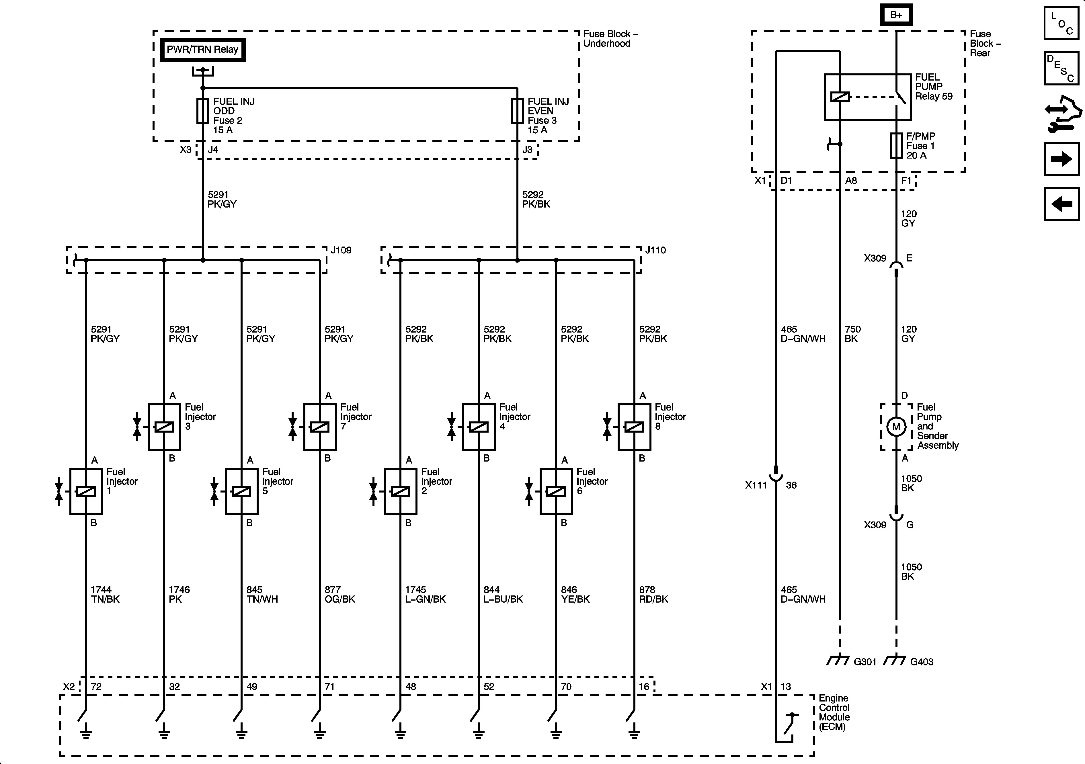
Figure 8:

Fuel Controls


Object Number: 2082336  Size: FS
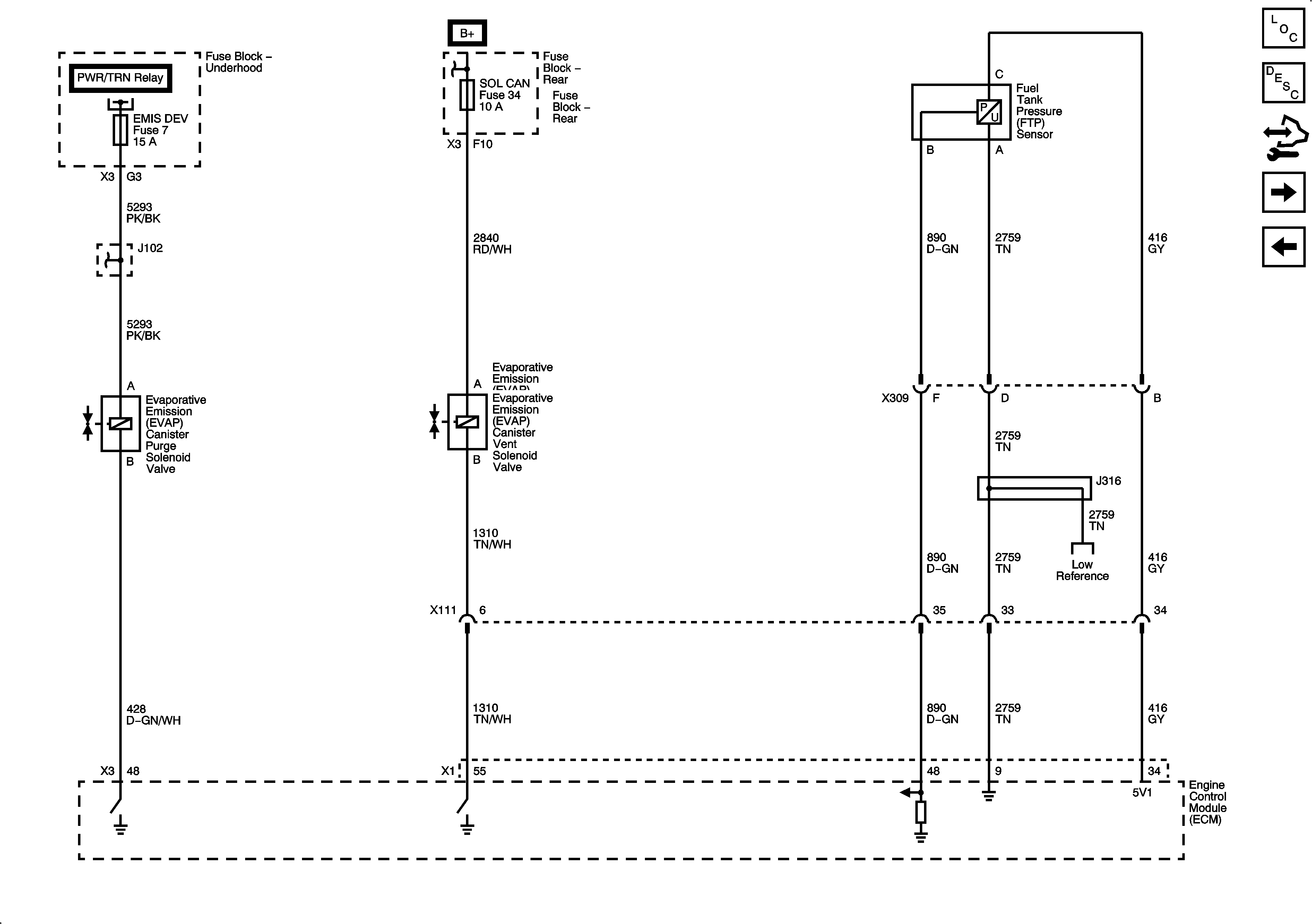
Figure 9:

EVAP Controls


Object Number: 2082337  Size: FS
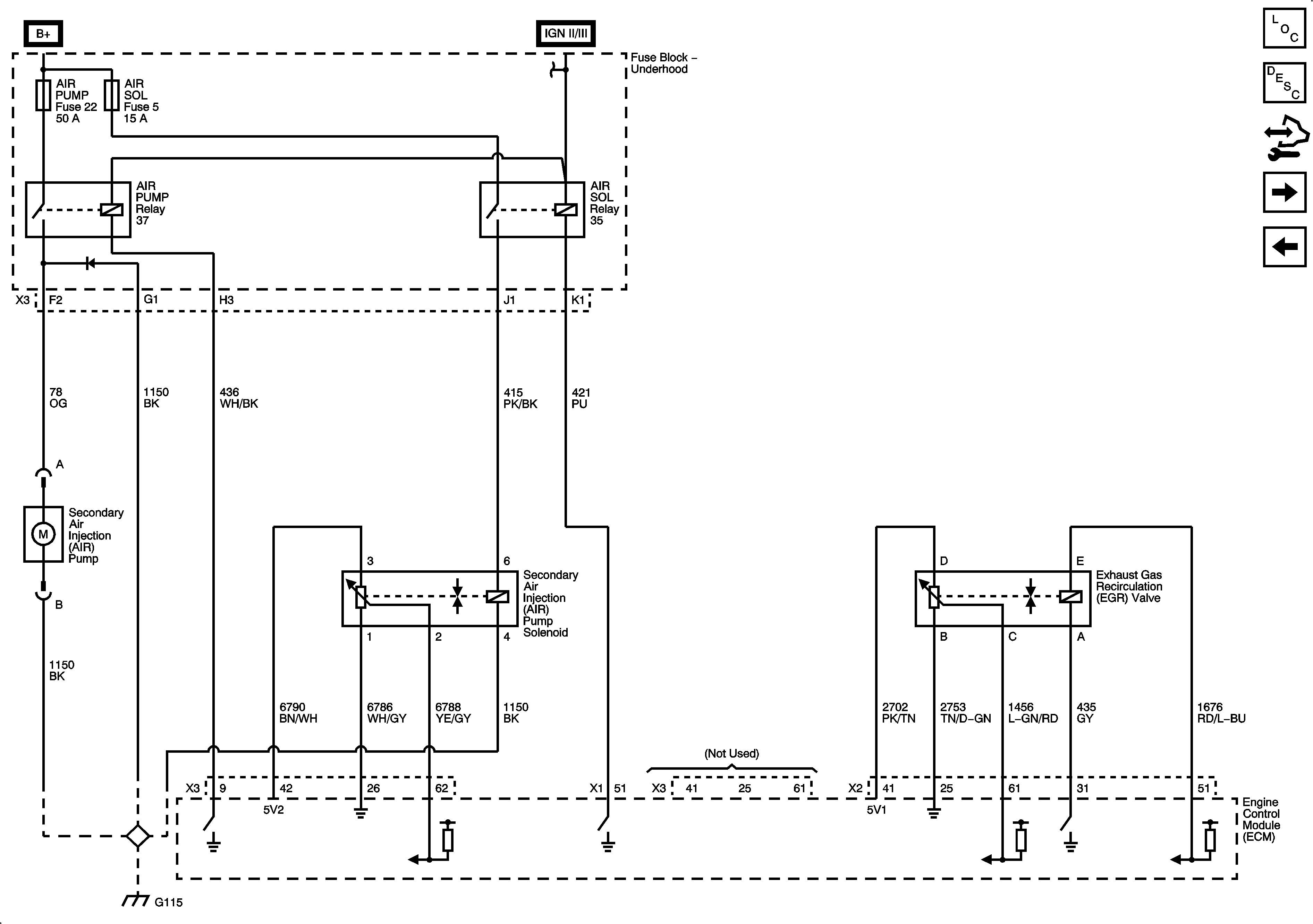
Figure 10:

AIR, EGR


Object Number: 2082338  Size: FS
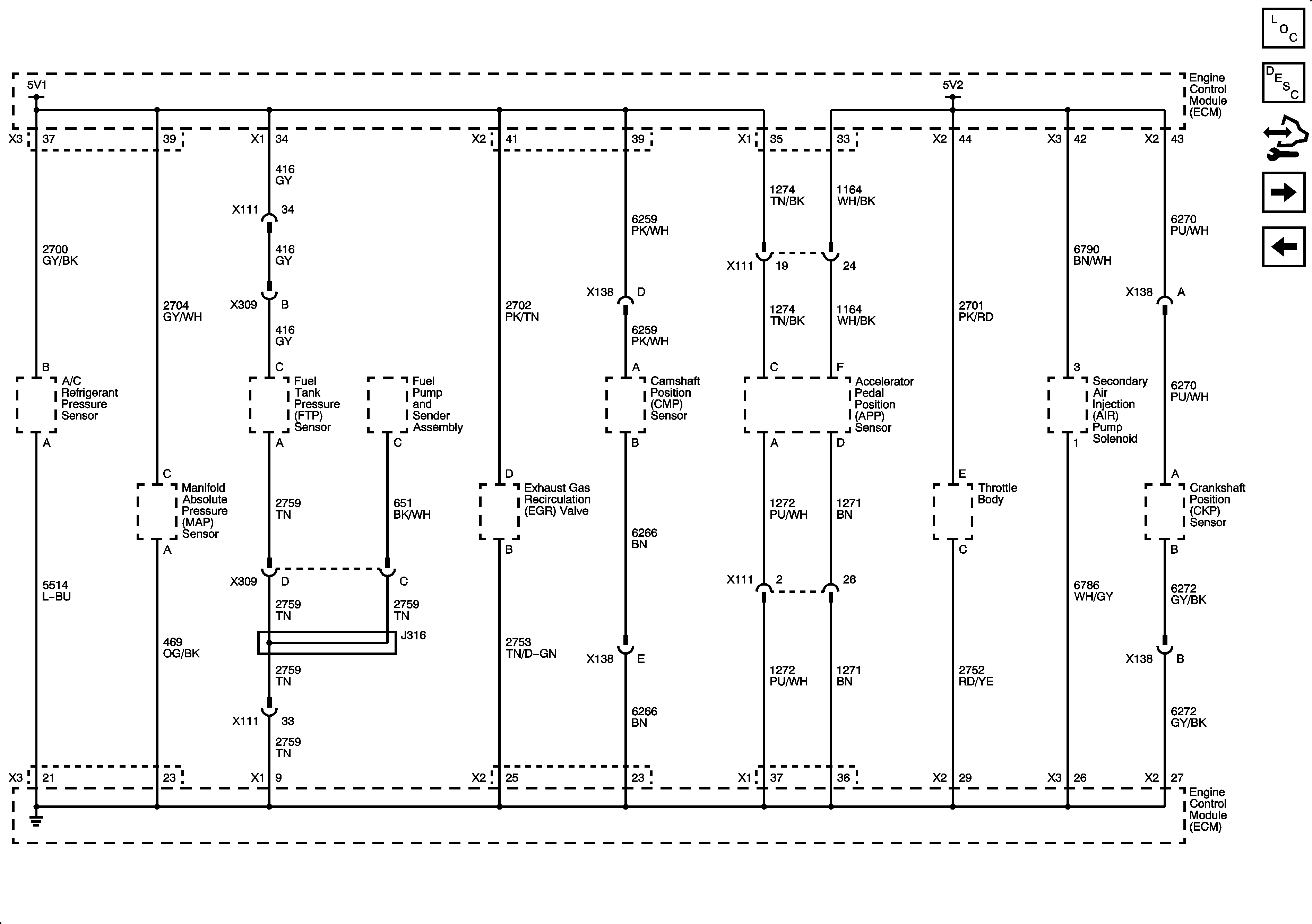
Figure 11:

Controlled/Monitored Subsystem References


Object Number: 2082339  Size: FS