GM Service Manual Online
For 1990-2009 cars only
Figure 1:

Vanity Mirror, Rear Compartment Courtesy, I/P Compartment, Overhead Console


Object Number: 2082239  Size: FS
Figure 2:

Interior Courtesy Lamps


Object Number: 2082241  Size: FS
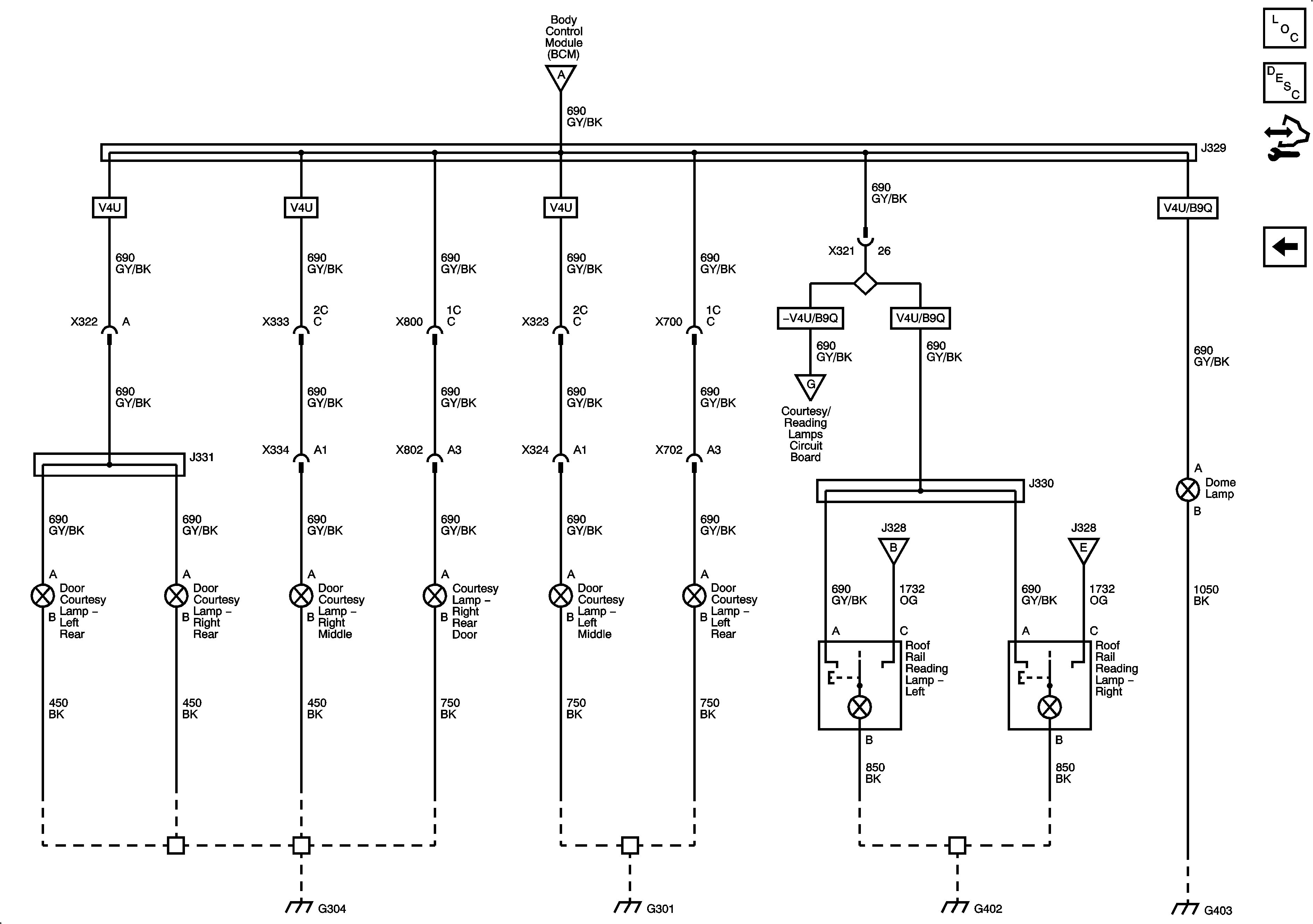
Figure 3:

Roof Rail Reading, Dome Lamp Courtesy Lamps - V4U


Object Number: 2082242  Size: FS
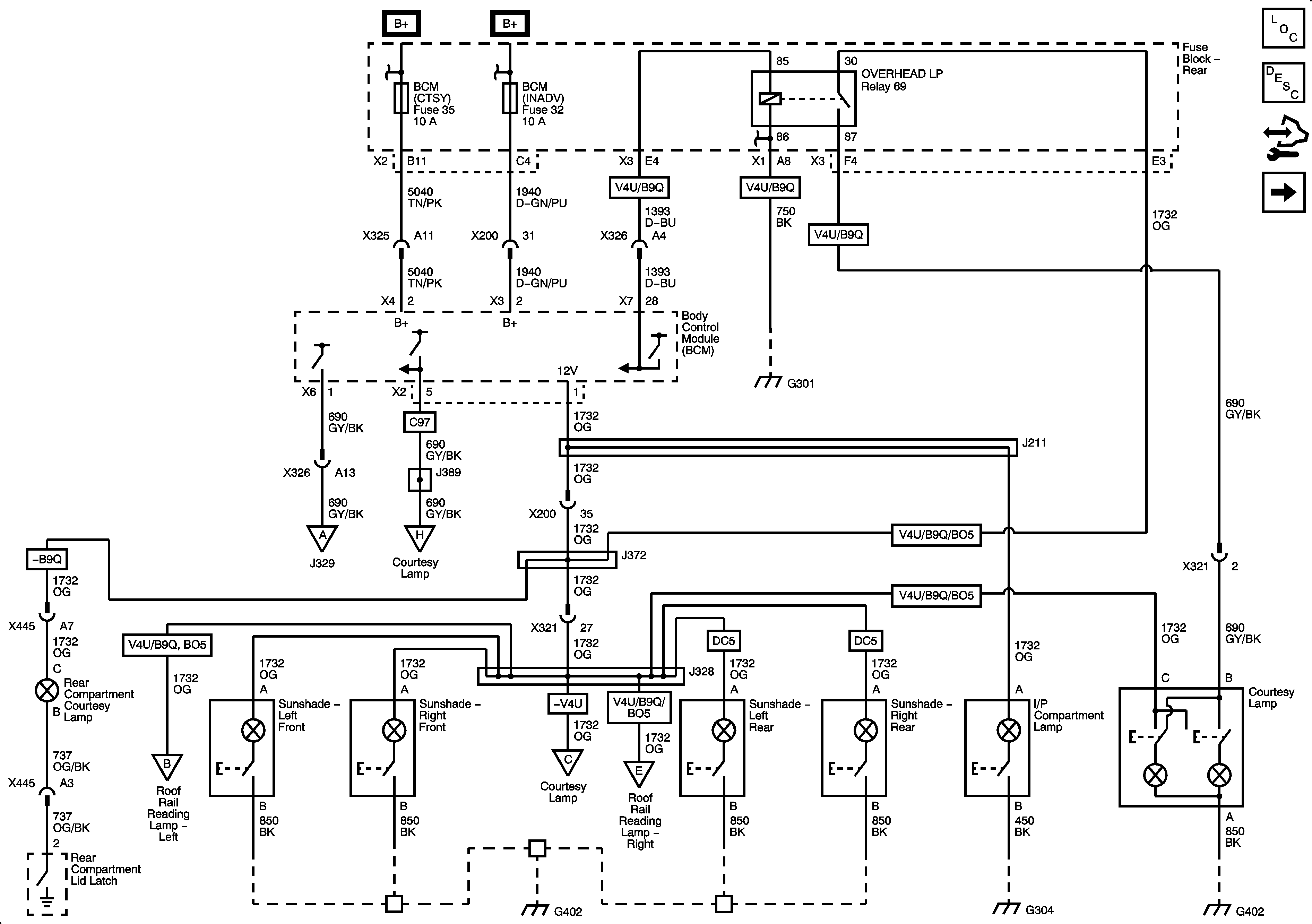
Figure 4:

Sill Plate Lighting - C97


Object Number: 2082256  Size: FS