GM Service Manual Online
For 1990-2009 cars only
Makes
🢒
Cadillac
🢒
2009
🢒
DTS
🢒
Diagnostic Navigation
🢒
Vehicle Diagnostic Information
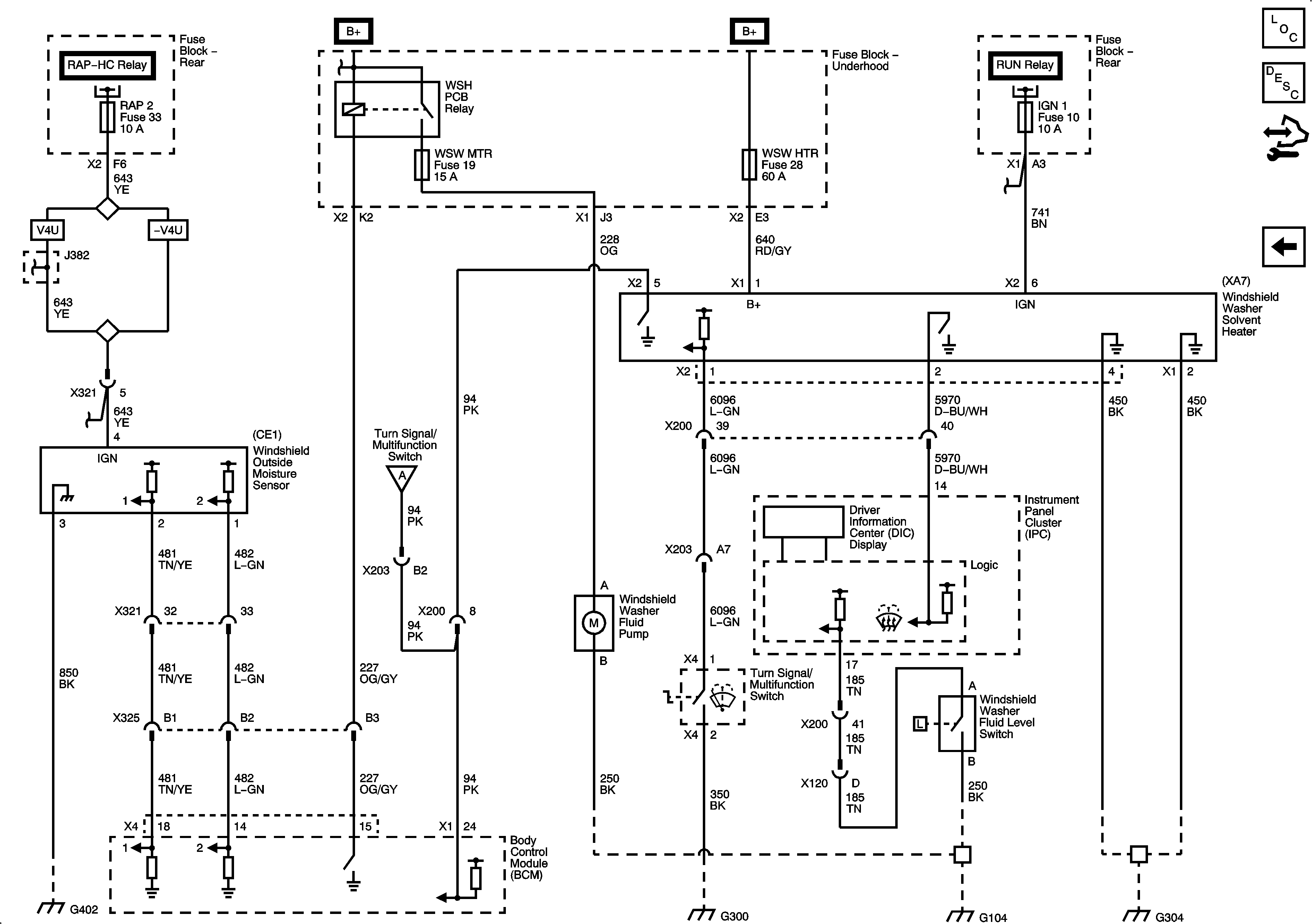
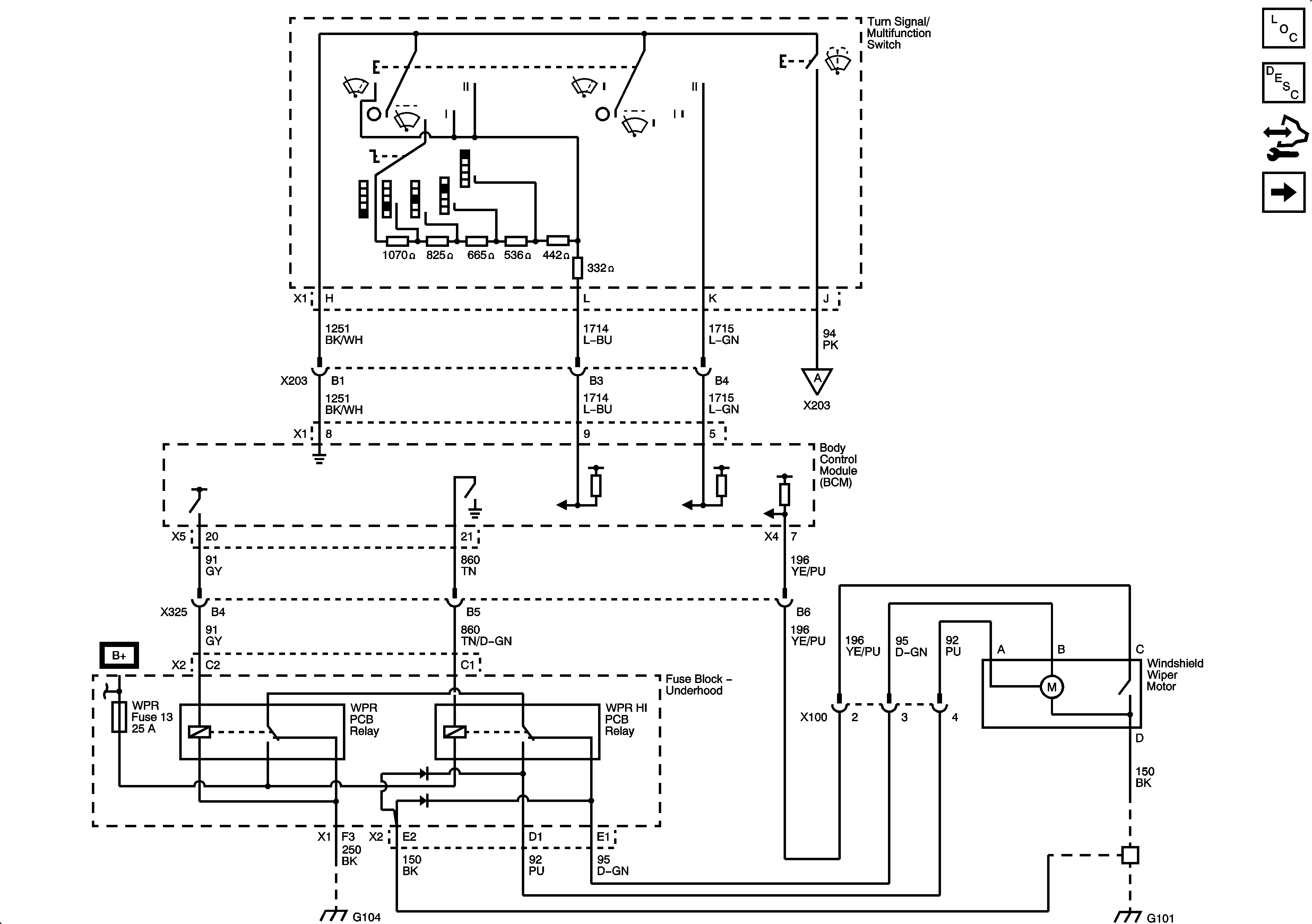
🢒 Wiper/Washer Schematics
Figure
1:
Wiper System Power and Ground
Figure
2:
Outside Moisture Sensor and Windshield Washer Solvent Heater