GM Service Manual Online
For 1990-2009 cars only
Makes
🢒
Cadillac
🢒
2009
🢒
DTS
🢒
Steering
🢒
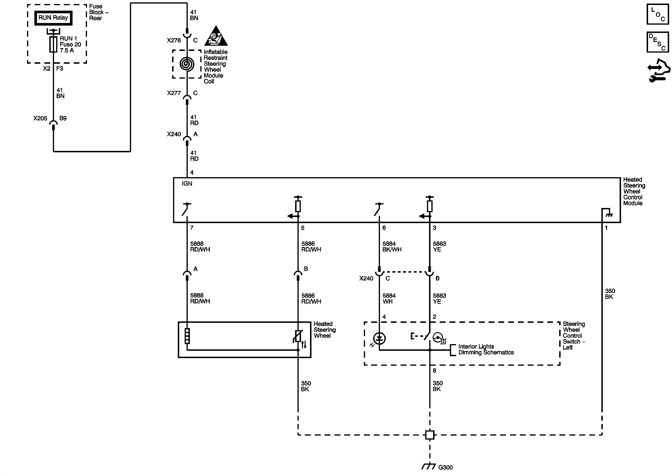
Steering Wheel and Column
🢒 Steering Wheel Schematics