GM Service Manual Online
For 1990-2009 cars only
Figure 1:

Driver Heated and Cooled Seat (KB6)


Object Number: 2082415  Size: FS
Figure 2:

Driver Heated and Cooled Seat Switch (KA1 KB6)


Object Number: 2082416  Size: FS
Figure 3:

Passenger Heated and Cooled Seat (KB6)


Object Number: 2082417  Size: FS
Figure 4:

Passenger Heated and Cooled Seat Switch (KA1 KB6)


Object Number: 2082418  Size: FS
Figure 5:

Left Rear Heated Seat Switch (KA6)


Object Number: 2082419  Size: FS
Figure 6:

Right Rear Heated Seat Switch (KA6)


Object Number: 2082420  Size: FS
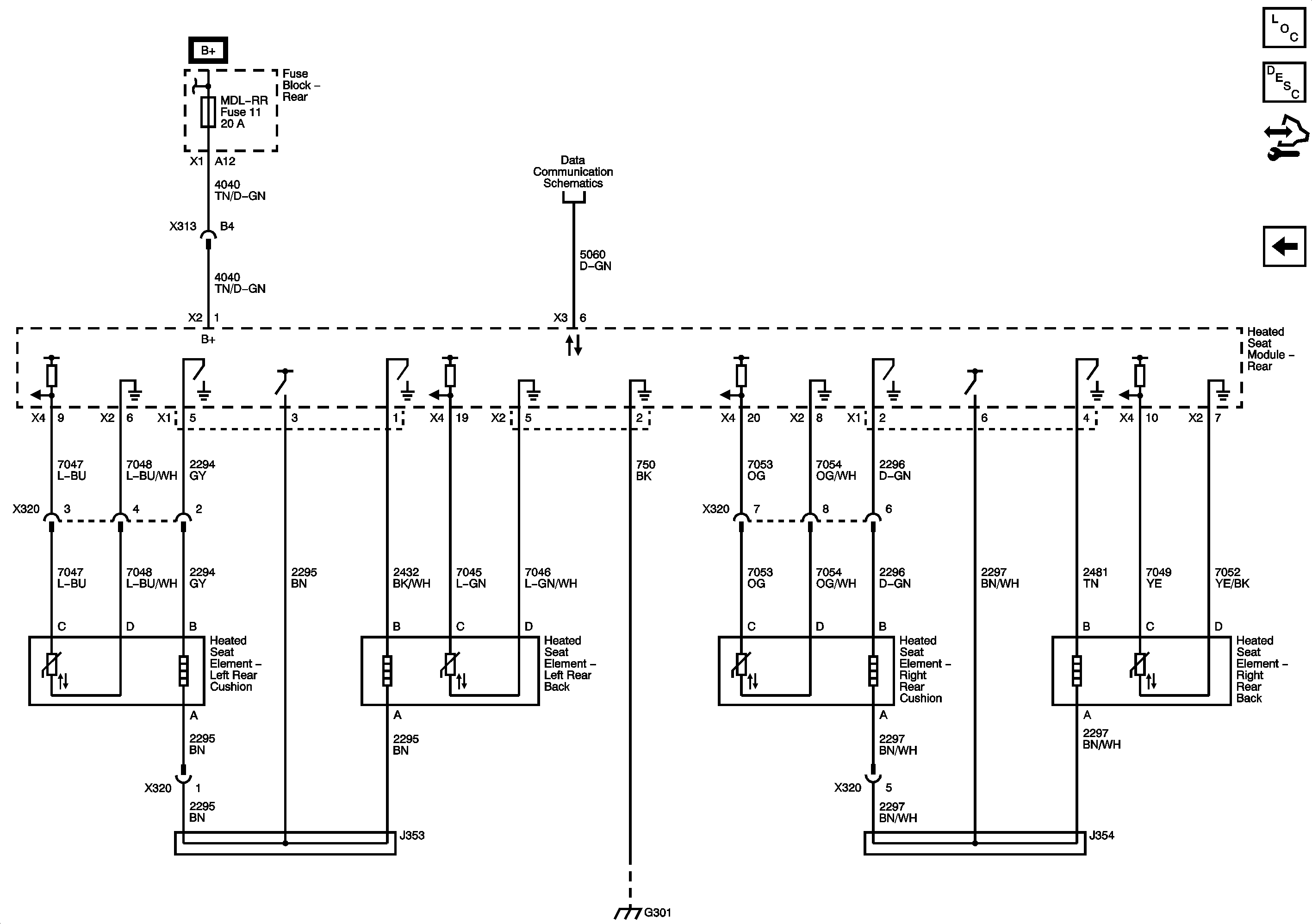
Figure 7:

Rear Heated Seat Elements (KA6)


Object Number: 2082421  Size: FS