GM Service Manual Online
For 1990-2009 cars only
Figure 1:

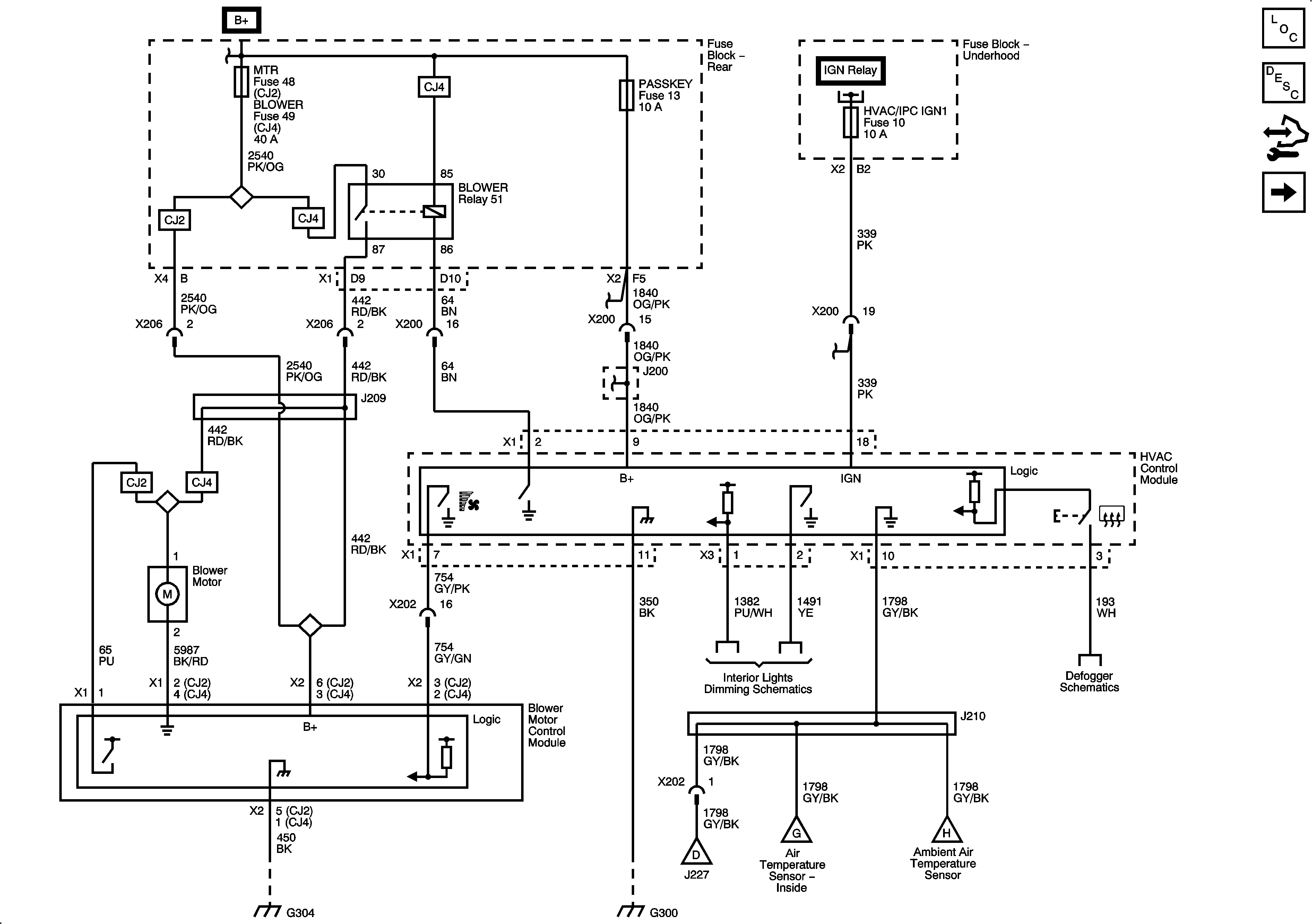
Power, Ground, Blower Motor Control


Object Number: 2082344  Size: FS
Figure 2:

Mode and Air Temperature Controls


Object Number: 2082345  Size: FS
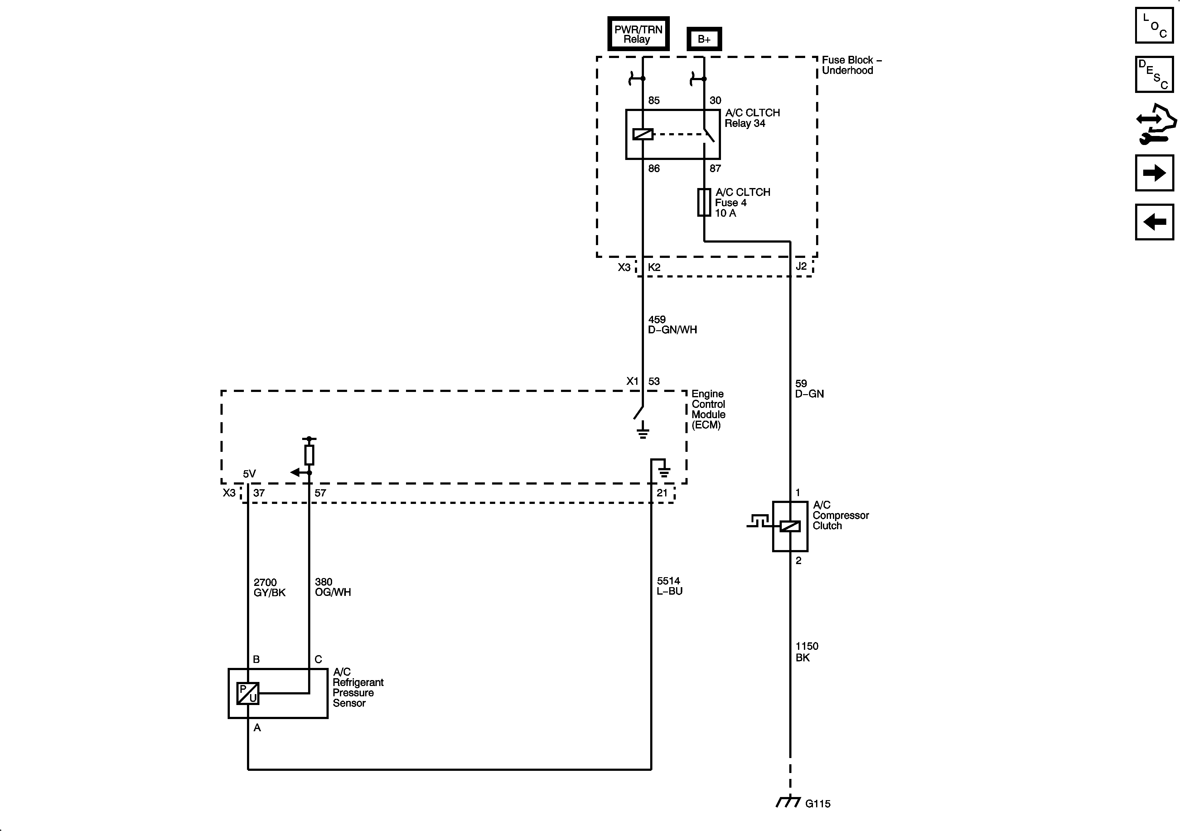
Figure 3:

Compressor Controls


Object Number: 2082346  Size: FS
Figure 4:

Air Temperature Sensors


Object Number: 2082347  Size: FS
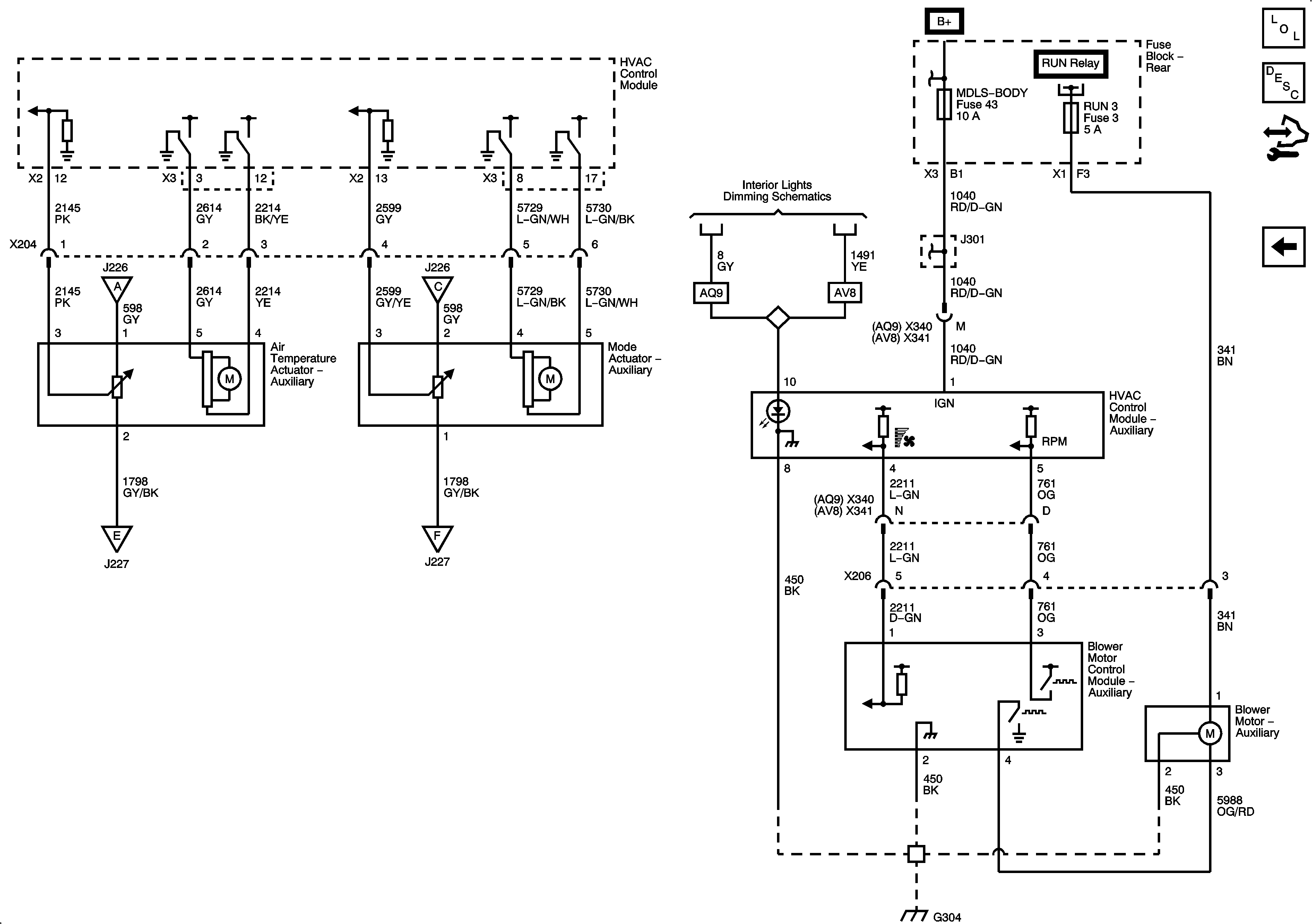
Figure 5:

Auxiliary HVAC (CJ4)


Object Number: 2082348  Size: FS