GM Service Manual Online
For 1990-2009 cars only
Makes
🢒
Cadillac
🢒
1996
🢒
DeVille
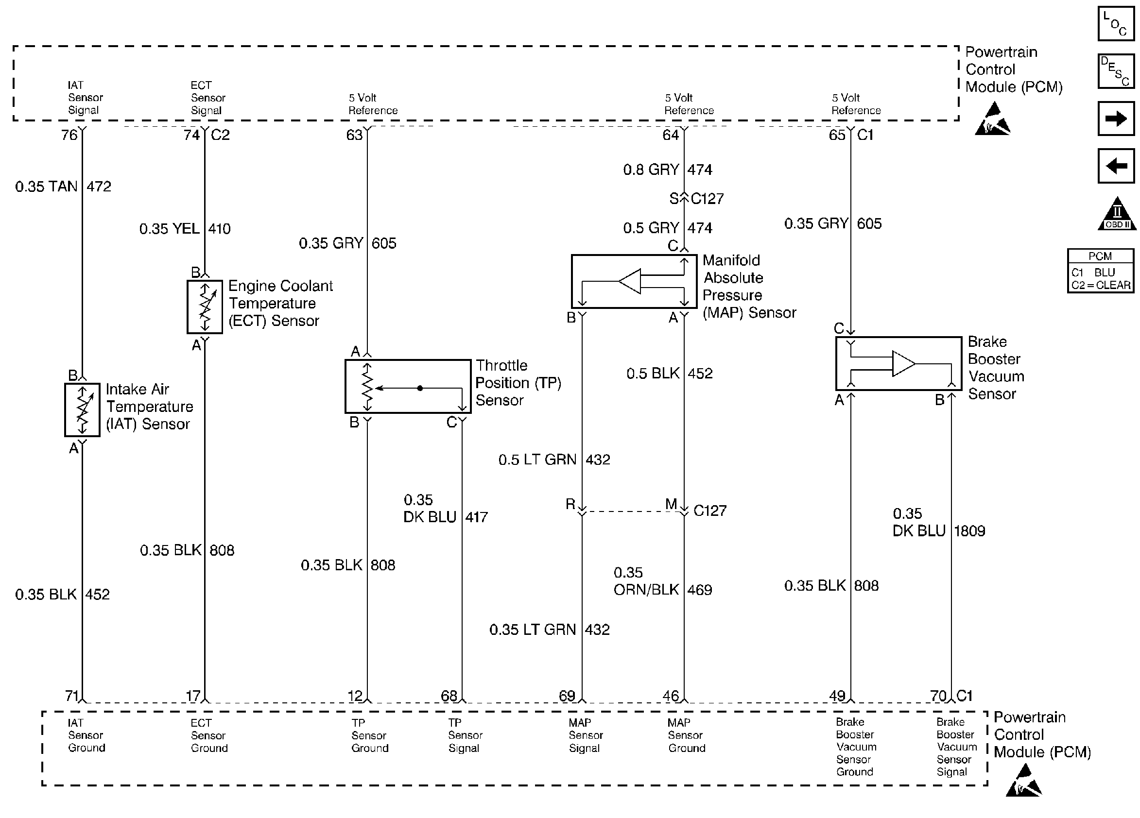
🢒 IAT/ ECT/ TP/ MAP and BBV Sensors
IAT/ ECT/ TP/ MAP and BBV Sensors
IAT/ ECT/ TP/ MAP and BBV Sensors
Engine Controls Components
MAF Sensor/ EVAP Components/ Linear EGR Valve
Fuel Injectors
OBD II Symbol Description Notice
ESD Notice
ESD Notice