GM Service Manual Online
For 1990-2009 cars only
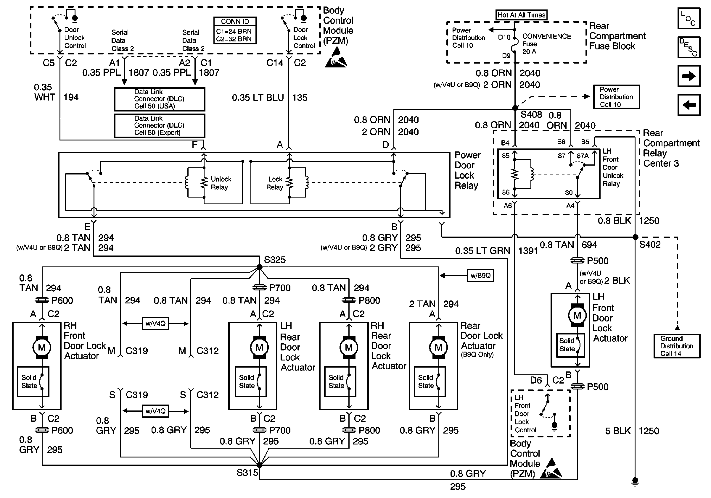
Figure 1:

Cell 130: Power Door Locks -- Eldorado


Object Number: 506385  Size: FS
Power Door Systems Components
Power Door Locks Circuit Description
Cell 130: Left Front Door Lock Actuator - Eldorado
Handling ESD Sensitive Parts Notice
Cell 10: CONVENIENCE Fuse
Cell 50: Power, Ground, and Class 2
Cell 50: Power, Ground, and Class 2 (Export)
Cell 10: CONVENIENCE Fuse
Handling ESD Sensitive Parts Notice
Cell 14: G401 (DeVille 1 of 2)
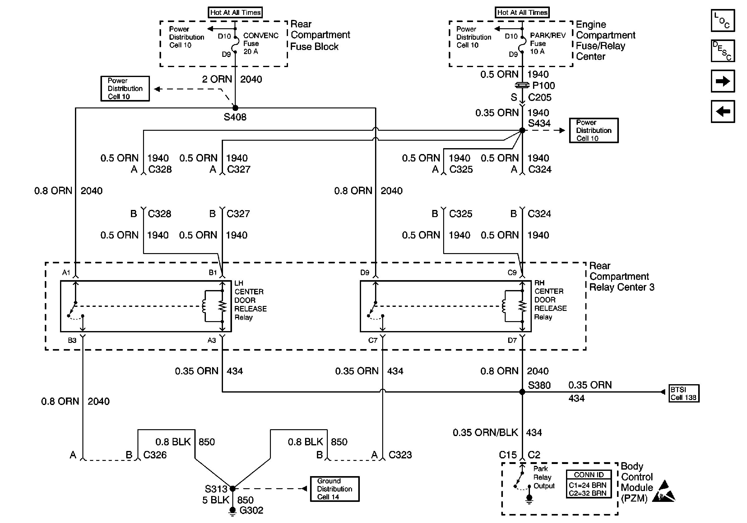
Figure 2:

Cell 130: Left Front Door Lock Actuator -- Eldorado


Object Number: 506387  Size: FS
Power Door Systems Components
Power Door Locks Circuit Description
Cell 130: Power Door Locks - DeVille
Cell 130: Power Door Locks - Eldorado
Cell 130: Power Door Locks - Eldorado
Cell 130: Power Door Locks - Eldorado
Cell 10: CONVENIENCE Fuse
Cell 10: CONVENIENCE Fuse
Cell 130: Power Door Locks - Eldorado
Cell 14: G401 (DeVille 1 of 2)
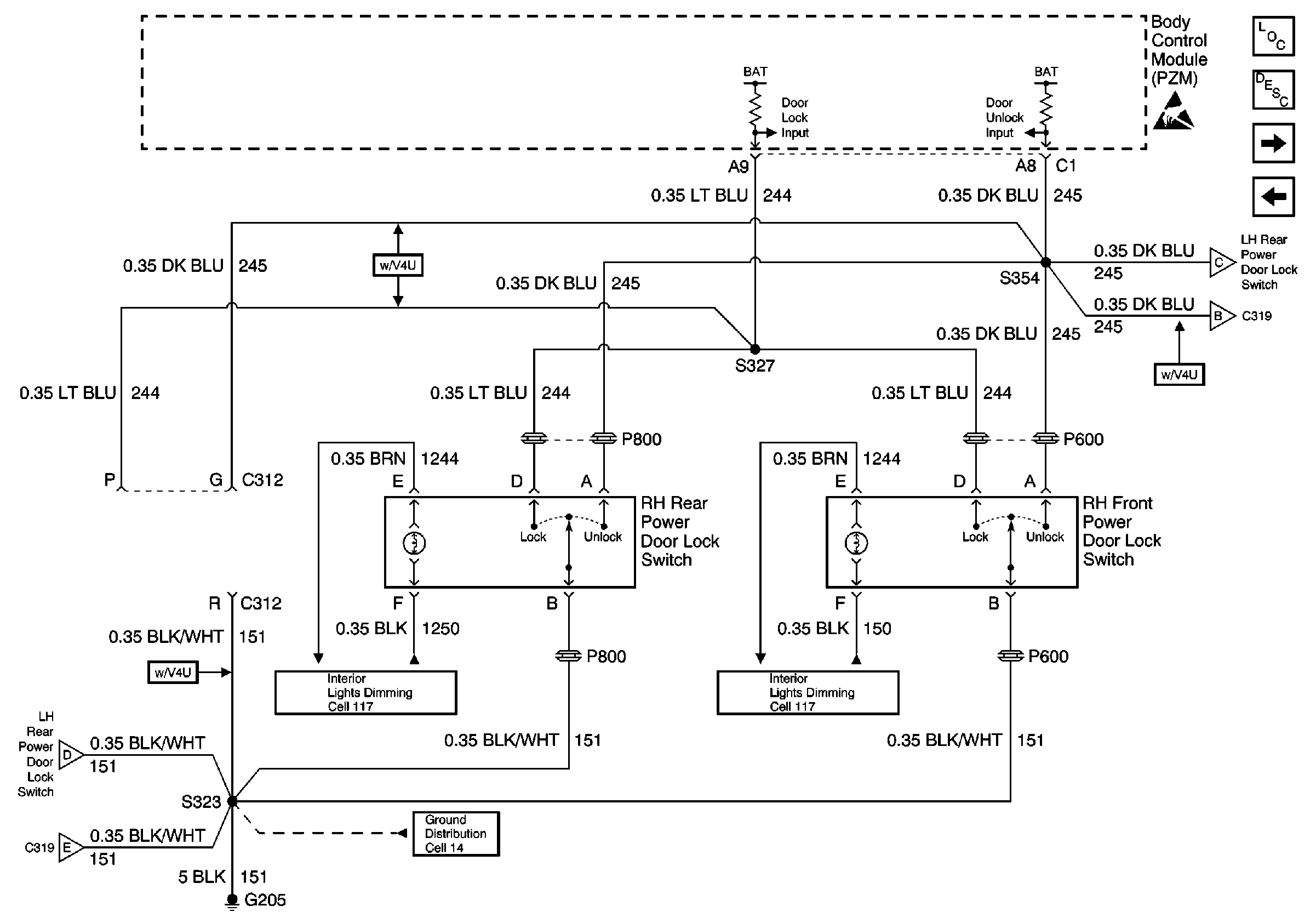
Figure 3:

Cell 130: Power Door Locks -- DeVille


Object Number: 506390  Size: FS
Power Door Systems Components
Power Door Locks Circuit Description
Cell 130: Left Front Door Lock Actuator - DeVille
Cell 130: Left Front Door Lock Actuator - Eldorado
Cell 10: CONVENIENCE Fuse
Handling ESD Sensitive Parts Notice
Cell 10: CONVENIENCE Fuse
Cell 50: Power, Ground, and Class 2
Cell 50: Power, Ground, and Class 2 (Export)
Handling ESD Sensitive Parts Notice
Cell 14: G401 (DeVille 1 of 2)
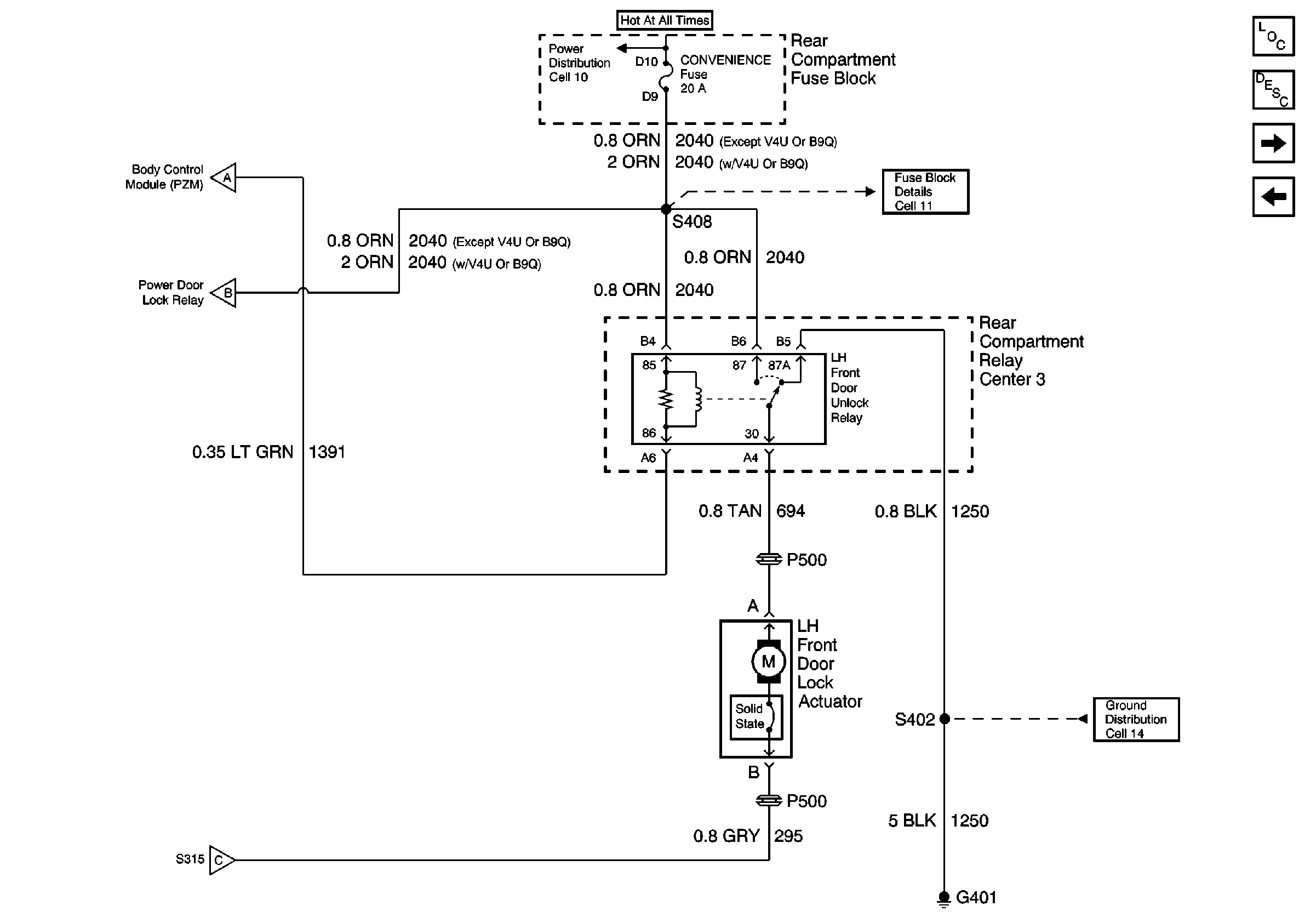
Figure 4:

Cell 130: Left Front Door Lock Actuator -- DeVille


Object Number: 506394  Size: FS
Power Door Systems Components
Power Door Locks Circuit Description
Cell 130: DeVille, Except V4U
Cell 130: Power Door Locks - DeVille
Cell 10: CONVENIENCE Fuse
Cell 10: CONVENIENCE Fuse
Cell 130: Power Door Locks - DeVille
Cell 130: Power Door Locks - DeVille
Cell 130: Power Door Locks - DeVille
Cell 14: G401 (DeVille 1 of 2)
Figure 5:

Cell 130: DeVille, Except V4U


Object Number: 506396  Size: FS
Power Door Systems Components
Power Door Locks Circuit Description
Cell 130: Eldorado Power Door Lock Switches
Cell 130: Left Front Door Lock Actuator - DeVille
Handling ESD Sensitive Parts Notice
Cell 130: Left Power Door Lock Switches - DeVille w/ V4U
Cell 117: Rear Door Backlighting (Deville)
Cell 130: Left Power Door Lock Switches - DeVille w/ V4U
Cell 117: Front Door Backlighting (Deville)
Cell 14: G203
Figure 6:

Cell 130: Eldorado Power Door Lock Switches


Object Number: 506402  Size: FS
Power Door Systems Components
Power Door Locks Circuit Description
Cell 130: Left Power Door Lock Switches - DeVille w/ V4U
Cell 130: DeVille, Except V4U
Handling ESD Sensitive Parts Notice
Cell 14: G203
Cell 14: G205
Figure 7:

Cell 130: Left Power Door Lock Switches -- DeVille w/ V4U


Object Number: 506407  Size: FS
Power Door Systems Components
Power Door Locks Circuit Description
Cell 130: Right Power Door Lock Switches - DeVille w/ V4U
Cell 130: Eldorado Power Door Lock Switches
Handling ESD Sensitive Parts Notice
Cell 130: Right Power Door Lock Switches - DeVille w/ V4U
Cell 130: Right Power Door Lock Switches - DeVille w/ V4U
Cell 117: Rear Door Backlighting (Deville)
Cell 117: Front Door Backlighting (Deville)
Cell 130: Right Power Door Lock Switches - DeVille w/ V4U
Cell 130: Right Power Door Lock Switches - DeVille w/ V4U
Cell 14: G203
Figure 8:

Cell 130: Right Power Door Lock Switches -- DeVille w/ V4U


Object Number: 506413  Size: FS
Power Door Systems Components
Power Door Locks Circuit Description
Cell 130: DeVille w/ V4U, Lock Release Relays
Cell 130: Left Power Door Lock Switches - DeVille w/ V4U
Handling ESD Sensitive Parts Notice
Cell 130: Left Power Door Lock Switches - DeVille w/ V4U
Cell 130: Left Power Door Lock Switches - DeVille w/ V4U
Cell 130: Left Power Door Lock Switches - DeVille w/ V4U
Cell 130: Left Power Door Lock Switches - DeVille w/ V4U
Cell 117: Rear Door Backlighting (Deville)
Cell 117: Front Door Backlighting (Deville)
Cell 14: G205
Figure 9:

Cell 130: DeVille w/ V4U, Lock Release Relays


Object Number: 506417  Size: FS
Power Door Systems Components
Power Door Locks Circuit Description
Cell 130: Door Lock Cylinder Switches
Cell 130: Right Power Door Lock Switches - DeVille w/ V4U
Cell 10: CONVENIENCE Fuse
Cell 10: PARK/REV Fuse
Cell 10: CONVENIENCE Fuse
Cell 10: PARK/REV Fuse
Cell 138: Shift Interlock Actuator
Cell 14: G302 (Eldorado 1 of 2)
Handling ESD Sensitive Parts Notice
Figure 10:

Cell 130: Door Lock Cylinder Switches


Object Number: 506419  Size: FS
Power Door Systems Components
Power Door Locks Circuit Description
Cell 130: DeVille w/ V4U, Lock Release Relays
Handling ESD Sensitive Parts Notice
Cell 14: G203
Cell 14: G205