GM Service Manual Online
For 1990-2009 cars only

Headlamp Aiming DeVille

Proper road illumination and safety require headlamp aiming. All states have requirements for headlamp aiming. Follow the state requirements. Aim the headlamps with the low beam lamps. The high beam lamps aim correctly if the low beam lamps are aimed properly.

    Important: If the vehicle regularly carries an unusual load in the rear compartment or if the vehicle regularly pulls a trailer, inspect the aim of the headlamps with these loads on the vehicle.

  1. Ensure that the vehicle is at the normal weight with fuel, oil, water and the spare tire.
  2. Ensure that the tires are uniformly inflated to the specified pressure.

  3. Object Number: 365075  Size: SH
  4. Place the vehicle on a level surface so that the headlamps are 7.6 m (25 ft) from a wall or other flat surface (1).

  5. Object Number: 276644  Size: SH
  6. Locate the center line on the aiming surface. The center line of the aiming surface is in-line with the center of the vehicle.
  7. 4.1. Mark the center of the front window with a narrow strip of masking tape.
    4.2. Mark the center of the rear window with a narrow strip of masking tape.
    4.3. Using the strips of masking tape, locate the center (1) of the aiming surface through the center line of the vehicle.
  8. Mark the horizontal center line of the headlamps (2) on the flat surface directly in front of the vehicle.
  9. Measure from the floor to the horizontal center line on the headlamp (2).
  10. Measure from the center of the vehicle to center of the headlamp.
  11. Using this measurement, mark the vertical center lines of the headlamps (5) on the aiming surface along the horizontal center line of the headlamps (3).

  12. Object Number: 365007  Size: SH
  13. Loosen the cornering lamp adjustment screw (3).

  14. Object Number: 276644  Size: SH
  15. Turn the headlamps on low beam.
  16. Observe the low beam lamp pattern (3) on the aiming surface. A correct pattern location is slightly below the horizontal center line (2) and slightly to the right of the vertical center lines (5).

  17. Object Number: 365007  Size: SH
  18. Turn the horizontal adjustment screw (1) and the vertical adjustment screw (2) in order to move the low beam lamp pattern as necessary.
  19. Notice: Use the correct fastener in the correct location. Replacement fasteners must be the correct part number for that application. Fasteners requiring replacement or fasteners requiring the use of thread locking compound or sealant are identified in the service procedure. Do not use paints, lubricants, or corrosion inhibitors on fasteners or fastener joint surfaces unless specified. These coatings affect fastener torque and joint clamping force and may damage the fastener. Use the correct tightening sequence and specifications when installing fasteners in order to avoid damage to parts and systems.

  20. Tighten the cornering adjustment screw.
  21. Tighten
    Tighten the screw to 2 N·m (18 lb in).

Headlamp Aiming Eldorado

Proper road illumination and safety require headlamp aiming. All states have requirements for headlamp aiming. Follow the state requirements. Aim the headlamps with the low beam lamps. The high beam lamps aim correctly if the low beam lamps are aimed properly.

    Important: If the vehicle regularly carries an unusual load in the rear compartment or if the vehicle regularly pulls a trailer, inspect the aim of the headlamps with these loads on the vehicle.

  1. Ensure that the vehicle is at the normal weight with fuel, oil, water and the spare tire.
  2. Ensure that the tires are uniformly inflated to the specified pressure.

  3. Object Number: 365075  Size: SH
  4. Place the vehicle on a level surface so that the headlamps are 7.6 m (25 ft) from a wall or other flat surface (1).

  5. Object Number: 276644  Size: SH
  6. Locate the center line (1) on the aiming suface. The center line of the aiming surface is in-line with the center of the vehicle.
  7. 4.1. Mark the center of the front window with a narrow strip of masking tape.
    4.2. Mark the center of the rear window with a narrow strip of masking tape.
    4.3. Using the strips of masking tape, locate the center (1) of the aiming surface through the center line of the vehicle.
  8. Mark the horizontal center line of the headlamps (2) on the flat surface directly in front of the vehicle.
  9. Measure from the floor to the horizontal center line on the headlamp (2).
  10. Measure from the center of the vehicle to center of the headlamp.
  11. Using this measurement, mark the vertical center lines of the headlamps (5) on the aiming surface along the horizontal center line of the headlamps (3).

  12. Object Number: 276644  Size: SH
  13. Turn the headlamps on low beam.
  14. Observe the low beam lamp pattern (3) on the aiming suface. A correct pattern location is slightly below the horizontal center line (2) and slightly to the right of the vertical center lines (5).
  15. Turn the horizontal adjustment screw and the vertical adjustment screw in order to move the low beam lamp pattern as necessary.

Headlamp Aiming T85

Proper road illumination and safety require headlamp aiming. Aim the headlamps with the low beam lamps. The high beam lamps aim correctly if the low beam lamps are aimed properly.

    Important: If the vehicle regularly carries an unusual load in the rear compartment or if the vehicle regularly pulls a trailer, inspect the aim of the headlamps with these loads on the vehicle.

  1. Ensure that the vehicle is at the normal weight with fuel, oil, water and the spare tire.
  2. Ensure that the tires are uniformly inflated to the specified pressure.
  3. Place the vehicle on a level surface so that the headlamps are 10 m (33 ft) from a wall or other flat surface.

  4. Object Number: 365010  Size: SH
  5. Locate the center line (1) on the aiming suface. The center line of the aiming surface is in-line with the center of the vehicle.
  6. 4.1. Mark the center of the front window with a narrow strip of masking tape.
    4.2. Mark the center of the rear window with a narrow strip of masking tape.
    4.3. Using the strips of masking tape, locate the center (1) of the aiming surface through the center line of the vehicle.
  7. Mark the horizontal center line of the headlamps (3) on the flat surface directly in front of the vehicle.
  8. Measure from the floor to the horizontal center line on the headlamp (3).
  9. Measure from the center of the vehicle to center of the headlamp.
  10. Using this measurement, mark the vertical center lines of the headlamps (4) on the aiming surface along the horizontal center line of the headlamps (3).

  11. Object Number: 276644  Size: SH
  12. Turn the headlamps on low beam.
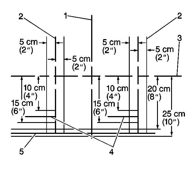
  13. Determine the top edge of the low beam cut-off line (4) on the aiming surface. A correct low beam cut off line is 10-15 cm (4-6 in) below the horizontal center line (3).
  14. Observe the low beam lamp pattern (3) on the aiming suface. A correct pattern location is slightly below the horizontal center line (3) and slightly to the right of the vertical center lines (4).
  15. Turn the horizontal adjustment screw and the vertical adjustment screw in order to move the low beam lamp pattern as necessary.

Headlamp Aiming T84

Proper road illumination and safety require headlamp aiming. Aim the headlamps with the low beam lamps. The high beam lamps aim correctly if the low beam lamps are aimed properly.

    Important: If the vehicle regularly carries an unusual load in the rear compartment or if the vehicle regularly pulls a trailer, inspect the aim of the headlamps with these loads on the vehicle.

  1. Ensure that the vehicle is at the normal weight with fuel, oil, water and the spare tire.
  2. Ensure that the tires are uniformly inflated to the specified pressure.
  3. Place the vehicle on a level surface so that the headlamps are 10 m (33 ft) from a wall or other flat surface.

  4. Object Number: 365011  Size: SH
  5. Locate the center line (1) on the aiming suface. The center line of the aiming surface is in-line with the center of the vehicle.
  6. 4.1. Mark the center of the front window with a narrow strip of masking tape.
    4.2. Mark the center of the rear window with a narrow strip of masking tape.
    4.3. Using the strips of masking tape, locate the center (1) of the aiming surface through the center line of the vehicle.
  7. Mark the horizontal center line of the headlamps (3) on the flat surface directly in front of the vehicle.
  8. Measure from the floor to the horizontal center line on the headlamp (3).
  9. Measure from the center of the vehicle to center of the headlamp.
  10. Using this measurement, mark the vertical center lines of the headlamps (4) on the aiming surface along the horizontal center line of the headlamps (3).

  11. Object Number: 276644  Size: SH
  12. Turn the headlamps on low beam.
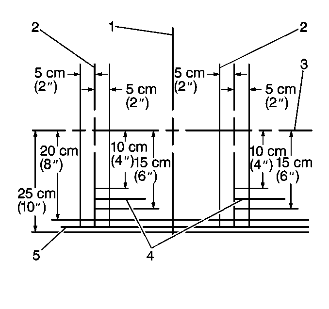
  13. Determine the top edge of the low beam cut-off line (4) on the aiming surface. A correct low beam cut off line is 10-15 cm (4-6 in) below the horizontal center line (3).
  14. Observe the low beam lamp pattern (3) on the aiming suface. A correct pattern location is slightly below the horizontal center line (3) and slightly to the right of the vertical center lines (4).
  15. Turn the horizontal adjustment screw and the vertical adjustment screw in order to move the low beam lamp pattern as necessary.