GM Service Manual Online
For 1990-2009 cars only
Makes
🢒
Cadillac
🢒
1999
🢒
DeVille
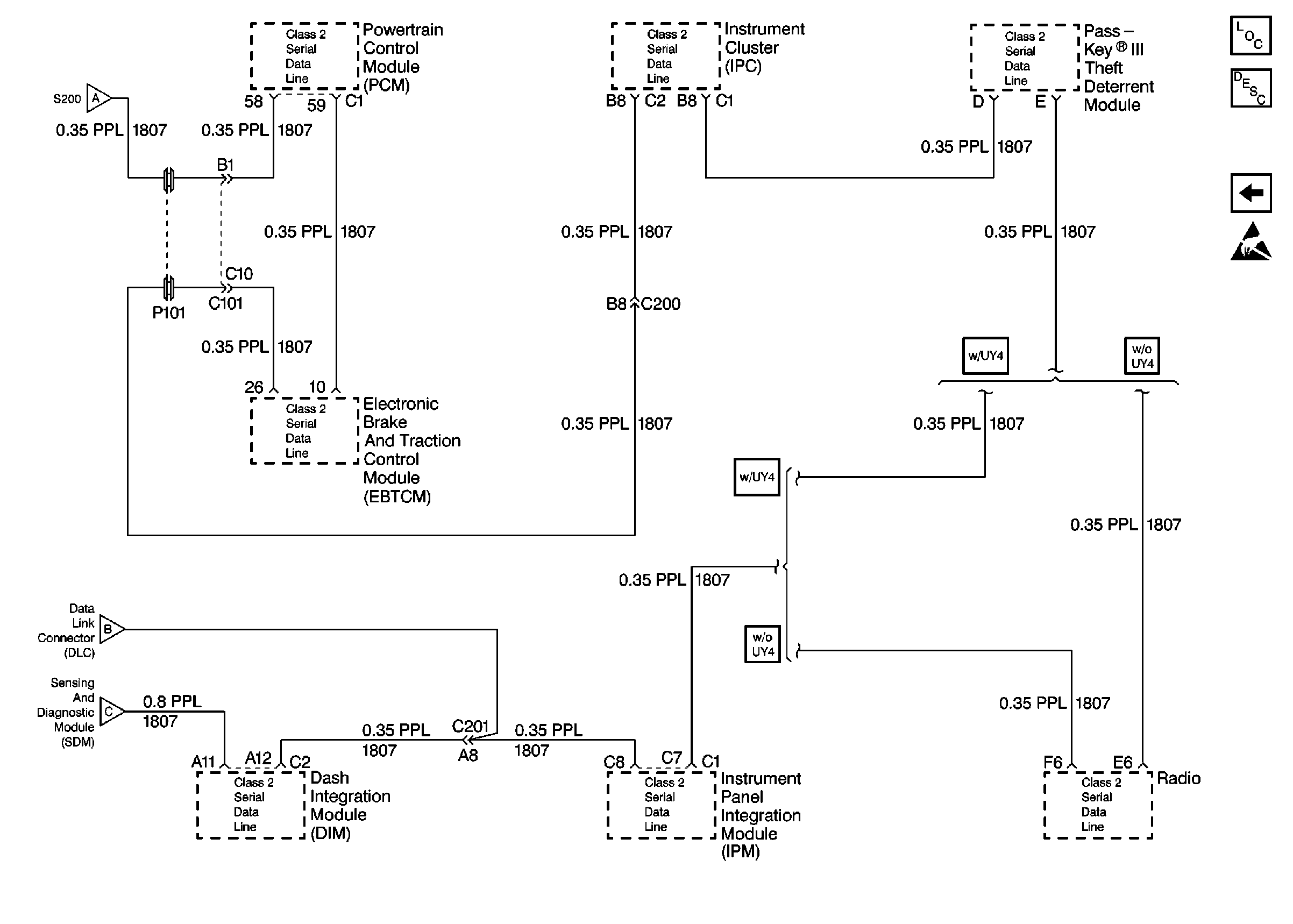
🢒 Cell 50: Class Serial Data Line (2 of 2)
Cell 50: Class Serial Data Line (2 of 2)
Cell 50: Class Serial Data Line (2 of 2)
Data Link Communications Components
Data Link Connector Circuit Description
Cell 50: Class Serial Data Line (1 of 2)
Handling ESD Sensitive Parts Notice
Cell 50: Power and Ground
Cell 50: Power and Ground
Cell 50: Class Serial Data Line (1 of 2)