GM Service Manual Online
For 1990-2009 cars only
Makes
🢒
Cadillac
🢒
1999
🢒
DeVille
🢒 Cell 14: G101 (Eldorado)
Cell 14: G101 (Eldorado)
Cell 14: G101 (Eldorado)
Power and Grounding Components
Cell 14: G102
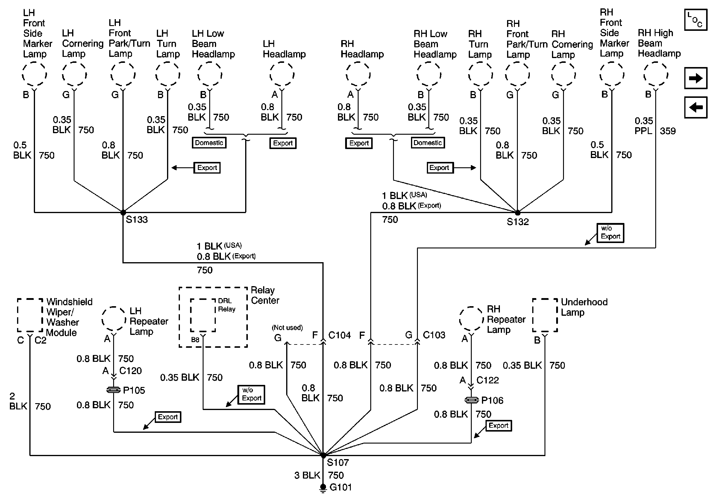
Cell 14: G101 (DeVille)
Handling ESD Sensitive Parts Notice