GM Service Manual Online
For 1990-2009 cars only
Makes
🢒
Cadillac
🢒
2000
🢒
DeVille
🢒
Brakes
🢒
Park Brake
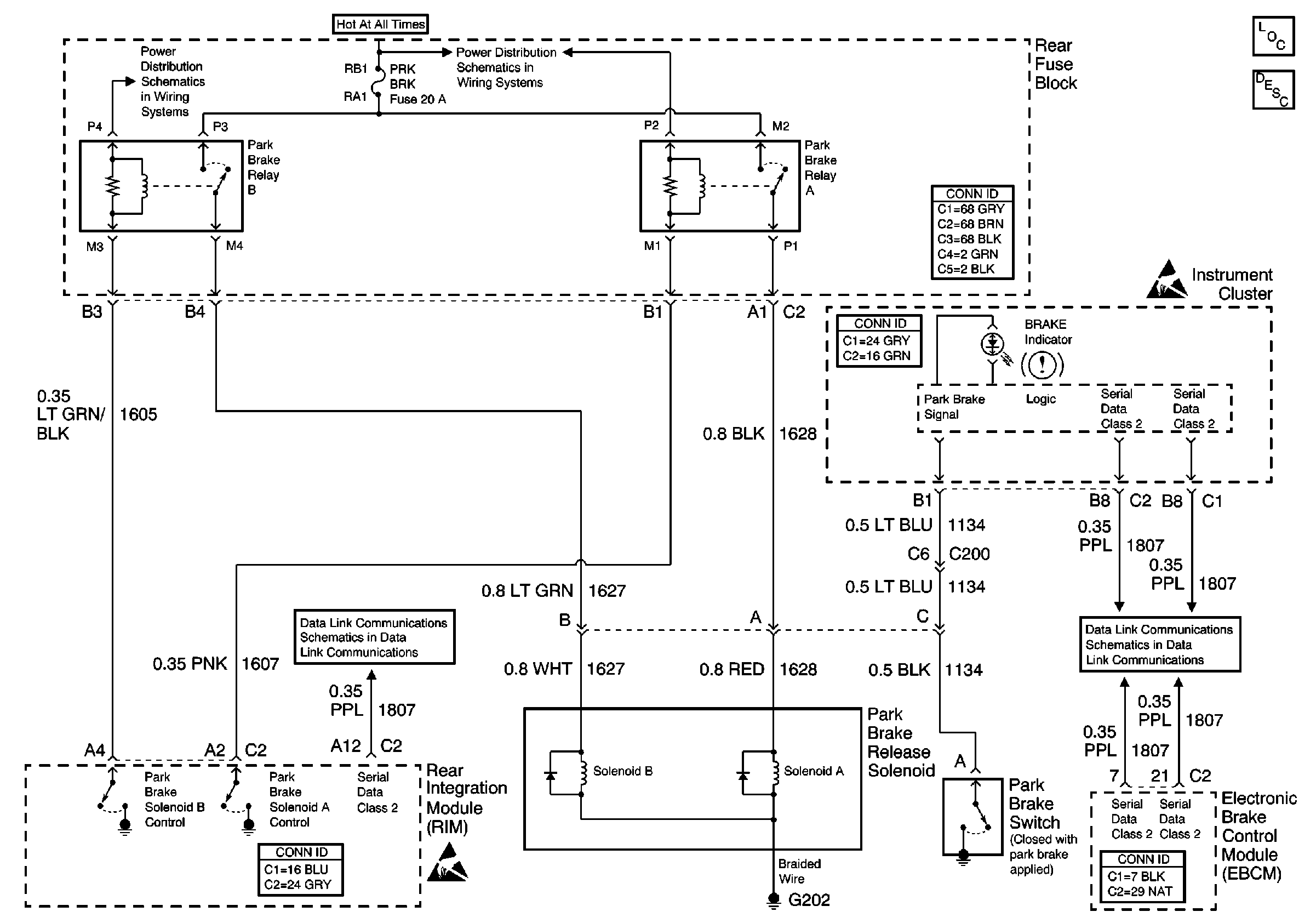
🢒 Park Brake System Schematics
PRK/REV, PRK BRK, and RR DEFOG Fuses
PRK/REV, PRK BRK, and RR DEFOG Fuses
Park Brake System Description
Park Brake System Components
Serial Data Class 2 (1 of 3)
Serial Data Class 2 (2 of 3)
Handling ESD Sensitive Parts Notice
Handling ESD Sensitive Parts Notice