GM Service Manual Online
For 1990-2009 cars only
Figure 1:

Module Power and Ground (w/UE1)


Object Number: 646779  Size: FS
Handling ESD Sensitive Parts Notice
Handling ESD Sensitive Parts Notice
Cellular Communication Components
Cellular Telephone Description
Voice Audio and Microphone Signals (w/UE1)
DIMR and AUDIO Fuses
G401
Figure 2:

Voice Audio and Microphone Signals (w/UE1)


Object Number: 646781  Size: FS
Cellular Communication Components
Cellular Telephone Description
Module to Handset Signals (w/UE1)
Module Power and Ground (w/UE1)
Handling ESD Sensitive Parts Notice
Handling ESD Sensitive Parts Notice
Handling ESD Sensitive Parts Notice
Figure 3:

Module to Handset Signals (w/UE1)


Object Number: 646783  Size: FS
Cellular Communication Components
Cellular Telephone Description
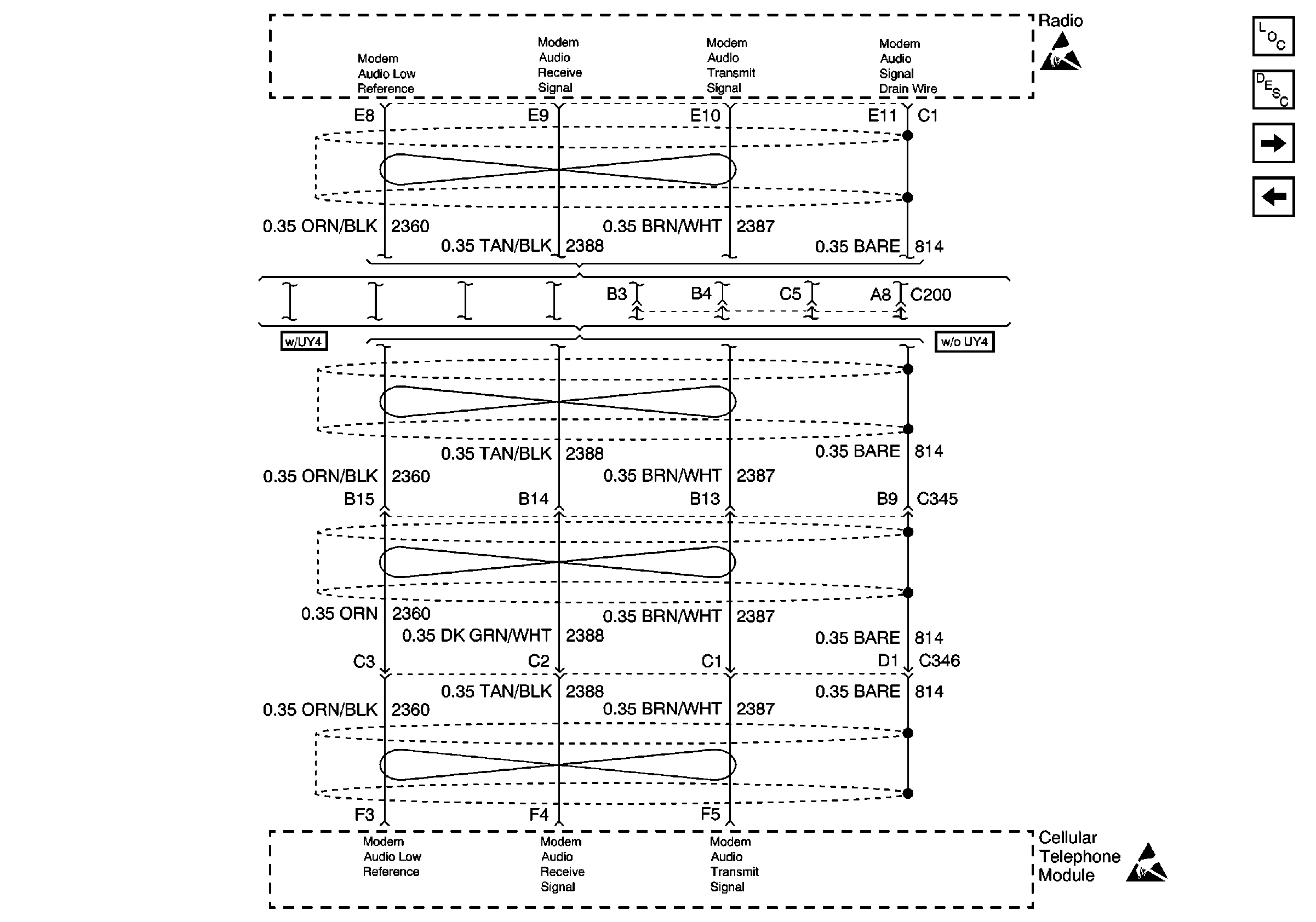
Modem Signals (w/UE1 and U43)
Voice Audio and Microphone Signals (w/UE1)
Handling ESD Sensitive Parts Notice
Handling ESD Sensitive Parts Notice
Figure 4:

Modem Signals (w/UE1 and U43)


Object Number: 646784  Size: FS
Cellular Communication Components
Cellular Telephone Description
Cellular Telephone Module and RF Signal Amplifier - Power, Ground(w/o UE1)
Module to Handset Signals (w/UE1)
Handling ESD Sensitive Parts Notice
Handling ESD Sensitive Parts Notice
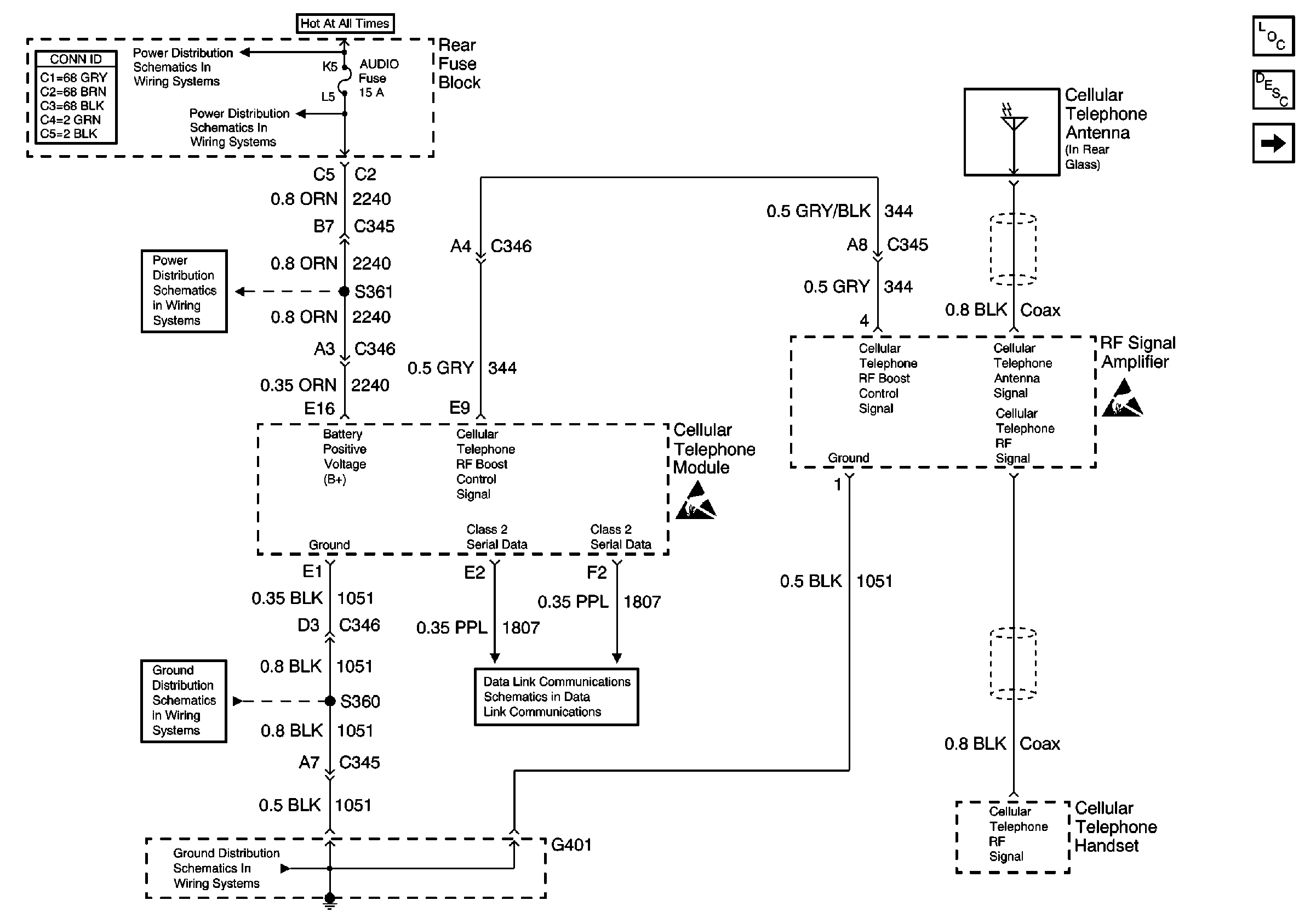
Figure 5:

Cellular Telephone Module and RF Signal Amplifier -- Power, Ground (w/o UE1)


Object Number: 499658  Size: FS
Cellular Communication Components
Cellular Telephone Circuit Description
Handling ESD Sensitive Parts Notice
Handling ESD Sensitive Parts Notice
G401
Power and Grounding Connector End Views Fuse Blocks and Ignition Switch
Rear Fuse Block Battery Voltage
Rear Fuse Block Battery Voltage
Cellular Telephone Module - Inputs and Outputs (w/oUE1)
Figure 6:

Cellular Telephone Module -- Inputs and Outputs (w/o UE1)


Object Number: 499661  Size: FS
Cellular Communication Components
Cellular Telephone Circuit Description
Cellular Telephone Module - Inputs and Outputs, Shielded (w/oUE1)
Cellular Telephone Module and RF Signal Amplifier - Power, Ground(w/o UE1)
Handling ESD Sensitive Parts Notice
Handling ESD Sensitive Parts Notice
Data Link Connector Schematics
Figure 7:

Cellular Telephone Module -- Inputs and Outputs, Shielded (w/o UE1)


Object Number: 499662  Size: FS
Cellular Communication Components
Cellular Telephone Circuit Description
Cellular Telephone Module - Inputs and Outputs (w/oUE1)
Handling ESD Sensitive Parts Notice
Handling ESD Sensitive Parts Notice
Handling ESD Sensitive Parts Notice