GM Service Manual Online
For 1990-2009 cars only
Makes
🢒
Cadillac
🢒
2000
🢒
DeVille
🢒
Body and Accessories
🢒
Wiring Systems
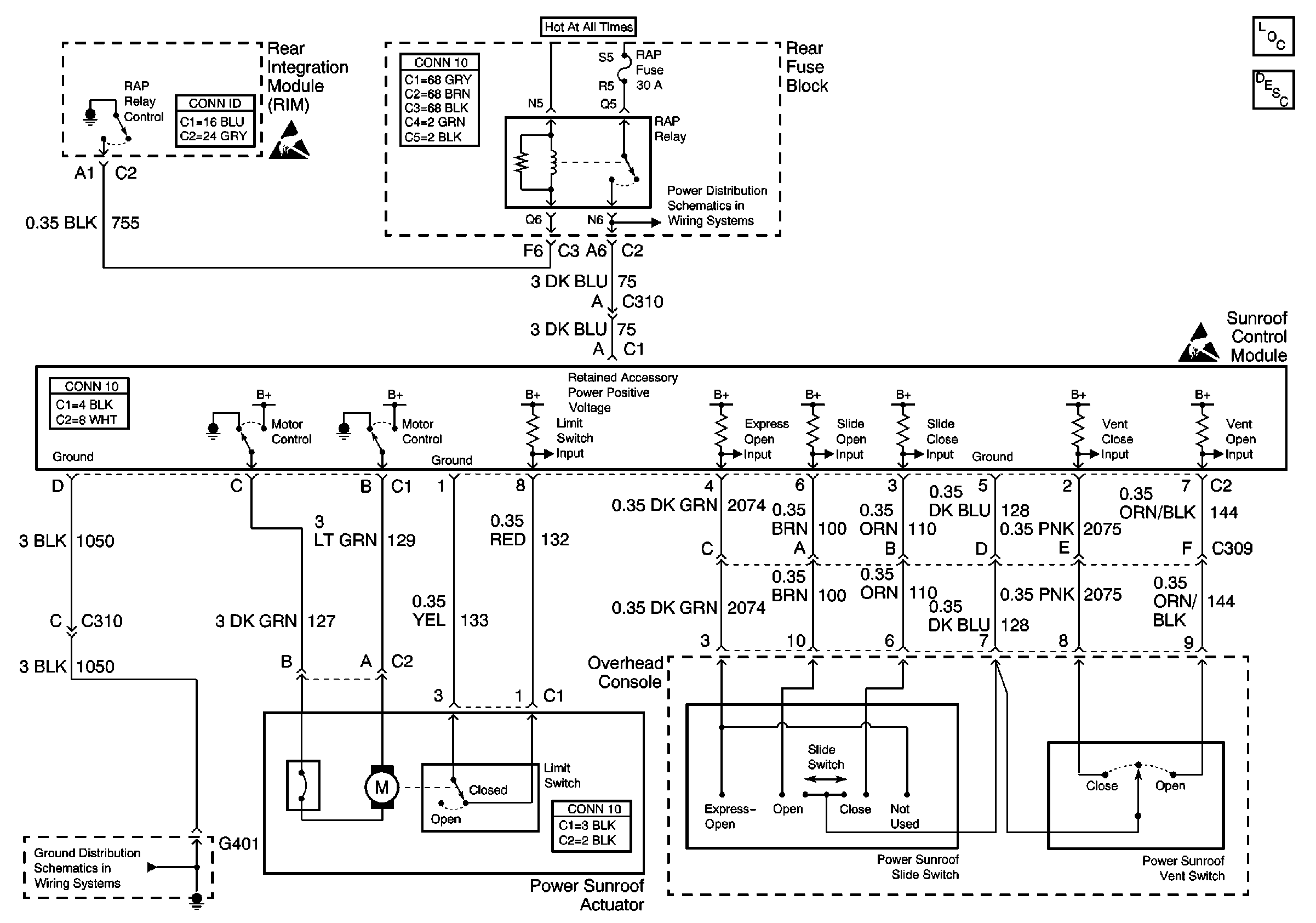
🢒 Sunroof Schematics
Power Roof Systems Components
Power Sunroof Circuit Description
Handling ESD Sensitive Parts Notice
BODY, CVRTD, CIGAR, RAP, INT LP, and SUNSHD Fuses
Handling ESD Sensitive Parts Notice
G401