GM Service Manual Online
For 1990-2009 cars only
Makes
🢒
Cadillac
🢒
2000
🢒
DeVille
🢒
Body and Accessories
🢒
Wiring Systems
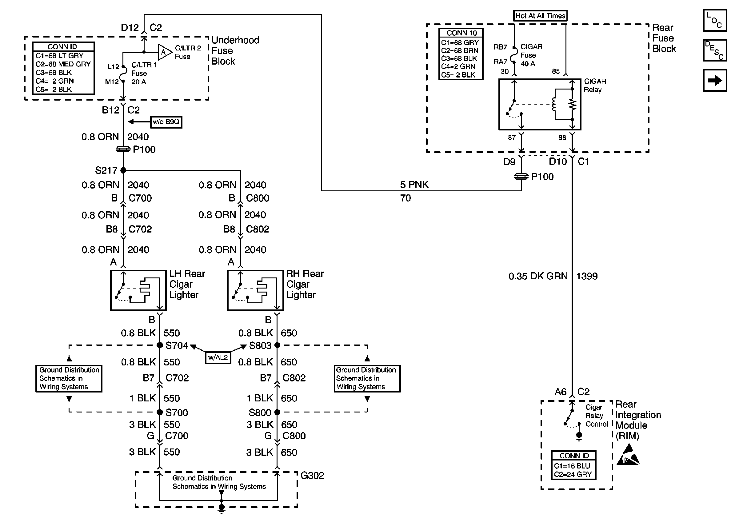
🢒 Cigar Lighter/Power Outlet Schematics
Figure
1:
Rear Cigar Lighters
Power and Grounding Components
Cigar Lighter/Auxiliary Outlet Circuit Description
Cigar and Auxiliary Power Outlets
Cigar and Auxiliary Power Outlets
G302 - LH Front Seat
G302 - RH Front Seat
G302 - RH Front Seat
Handling ESD Sensitive Parts Notice
Figure
2:
Cigar and Auxiliary Power Outlets
Power and Grounding Components
Cigar Lighter/Auxiliary Outlet Circuit Description
Rear Cigar Lighters
Rear Cigar Lighters
G201 - IP Harness
G201 - IP Harness
G201 - Body Harness