GM Service Manual Online
For 1990-2009 cars only
Makes
🢒
Cadillac
🢒
2000
🢒
DeVille
🢒
Body and Accessories
🢒
Stationary Windows
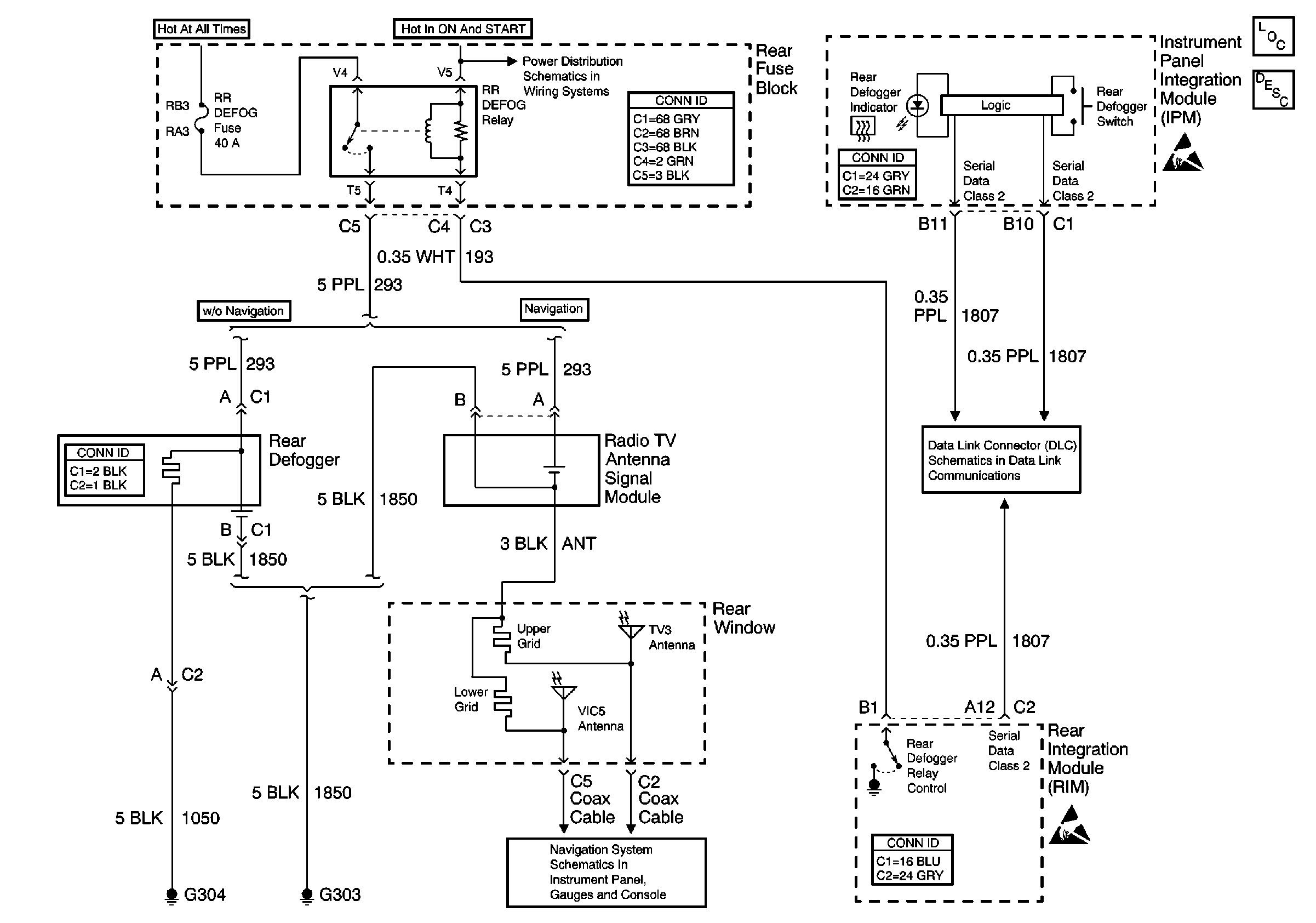
🢒 Defogger Schematics
Defogger Schematics w/o B9Q
Stationary Windows Components
Rear Window Defogger Circuit Description
PRK/REV, PRK BRK, and RR DEFOG Fuses
Handling ESD Sensitive Parts Notice
Serial Data Class 2 (1 of 3)
Antennas
Handling ESD Sensitive Parts Notice